Сборка приемника за несколько минут
Радио №7/1966, ст.57
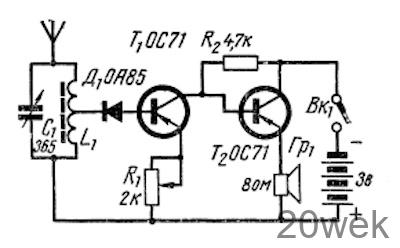
Сборка детекторного приемника, схема которого приведена на рисунке, займет всего несколько минут Вашего времени, а собрав его Вы убедитесь, что он неплохо работает. Для изготовления приемника необходимо иметь очень небольшое число деталей: ферритовый стержень, на который нужно намотать 60—100 витков провода ПЭЛ 0,1 — ПЭЛ 0,15, конденсатор переменной емкости, диод, два транзистора, один переменный и один постоянный резистор, громкоговоритель и источник питания.

ОТ РЕДАКЦИИ. Диод ОА85 можно заменить отечественным диодом Д2Е, а транзисторы ОС71, любыми низкочастотными транзисторами П13, П14, П15 или П16.





