РУЧНАЯ РЕГУЛИРОВКА ЧУВСТВИТЕЛЬНОСТИ
Ю. Сотник, Радио №6/1964, ст.49
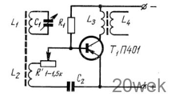
Транзисторные приемники прямого усиления обладают, как известно, неравномерностью усиления по диапазону. Этот недостаток можно устранить, включив между базой транзистора Т1 (рис. 1) и катушкой L2 небольшое (1 —1,5 ком) переменное сопротивление R’, которое позволяет не только изменять величину входного сигнала, но и регулировать входное сопротивление транзистора. Изменяя величину этого сопротивления, можно регулировать чувствительность приемника по всему диапазону






