РРС —ЭЛЕМЕНТ НАСТРОЙКИ ПРИЕМНИКА
В. Бернштейн, Радио №8/1965, ст. 23
При конструировании малогабаритных приемников на транзисторах любители испытывают трудности в изготовлении конденсаторов переменной емкости. Для входного контура можно использовать регулятор размера строк от телевизора.
Регулятор размера строк (РРС) имеет максимальную индуктивность 3,2 мгн. При полном повороте ручки индуктивность изменяется в 5,5 раза. Ферритовый стержень внутри катушки может одновременно служить элементом приемной антенны направленного действия. При использовании РРС в качестве элемента настройки входного контура необходимо снять существующую обмотку (295 витков провода ПЭЛ 0,31) и намотать новую в зависимости от выбранного диапазона.

Для перекрытия диапазона средних и длинных волн (200 —1500 кгц) следует намотать 120 витков провода ПЭЛ 0,55 в четыре слоя по 30 витков. Между слоями делают прокладку из конденсаторной бумаги. Обмотку покрывают слоем лакоткани и поверх ее наматывают 12— 15 витков такого же провода (катушка связи).
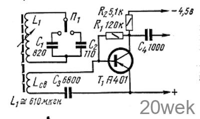
Для перекрытия диапазона от 200 до 560 кгц к катушке контура подключают конденсатор емкостью в 820 пф. Для диапазона 650— 1500 кгц емкость конденсатора должна быть 110 пф.
Катушка связи подключается к плюсовому проводнику источника питания через конденсатор емкостью в 5600—6800 пф.
На рисунке приведен один из вариантов схемы включения описанного выше контура.





