ПРОСТЫЕ КАЛИБРАТОРЫ НАПРЯЖЕНИЯ
Радио №2/1964 ст.51
В настоящее время большинство выпускаемых промышленностью электронных осциллографов содержат калибраторы напряжения, с помощью которых методом сравнения производится измерение амплитуды исследуемых сигналов. Однако в радиолюбительской практике находят применение осциллографы, не имеющие калибраторов. В этом случае с успехом могут быть использованы простые калибраторы напряжения, схемы которых приведены на рис. 1, 2 и 3.
Работа источников калиброванного напряжения, предлагаемых радиолюбителями г. Москвы Долининым Ю. (рис. 1) и пос. Белое озеро Московской области Довжиным В. (рис. 2), основана на ограничении синусоидального напряжения сравнительно большой амплитуды (200—400в), снимаемого
с повышающей обмотки силового трансформатора кремниевыми стабилитронами. В результате формируются прямоугольные импульсы постоянной амплитуды.В калибраторе, предлагаемом радиолюбителями из г. Киева Жемба А., Кадук В.* и Маленко Ю. (рис. 3), в качестве стабилизирующего элемента используется нелинейное сопротивление лампы накаливания.
Поскольку стабильность выходного напряжения калибраторов не хуже 1%, они также могут найти применение при градуировке и проверке вольтметров, однако следует иметь в виду, что только калибратор, схема которого приведена на рис. 3, обеспечивает на выходе напряжение синусоидальной формы.
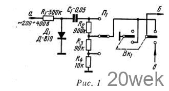
Калибратор напряжения (рис. 1) выполнен по обычной однополупериодной схеме выпрямления на кремниевом стабилитроне Д1. Получаемое на выходе выпрямителя прямоугольное напряжение с амплитудой 10 в подается через конденсатор С1 на делитель R2, Rз, R4. Тумблер Вк1 подключает входной делитель осциллографа (точка «б») либо к переключателю либо к входным зажимам вертикального усилителя осциллографа (точка «в»): В последнем случае источник прямоугольного напряжения для исключения наводок заземляется. Переключатель П1 спарен с переключателем входного делителя осциллографа таким образом, что позволяет подавать на вход осциллографа прямоугольное напряжение амплитудой 10, 1 и 0,1 в при коэффициентах ослабления входного делителя соответственно 100, 10 и 1.

Ю. ДОЛИНИН
В калибраторе напряжения (рис. 2) формирование прямоугольного стабилизированного по амплитуде сигнала из синусоидального напряжения осуществляется при помощи двух встречно включенных стабилитронов Д1 и Д2.

Через сопротивление R1 калиброванный сигнал поступает на сопротивление R2, имеющее линейную зависимость величины сопротивления от угла поворота оси (класс «А»). Ось связана с равномерной шкалой, проградуированной в вольтах (от О до 2-З В).
При регулировке калибратора вначале визуально регистрируется по масштабной сетке, нанесенной на экран осциллографа, величина отклонения луча по вертикали во время подачи на вход вертикального усилителя осциллографа напряжения с известной амплитудой (входной делитель в положении 1:1). Затем по шкале сопротивлением R2 устанавливается такая же величина напряжения, и сопротивлением Riдобиваются прежней величины отклонения луча по вертикали. Подобные операции следует повторить для нескольких значений напряжения. При измерении амплитуды исследуемого сигнала необходимо добиваться одинаковых отклонений луча по вертикали от калиброванного и от исследуемого сигналов. Амплитуда последнего определяется как произведение показания шкалы на коэффициент, соответствующий положению входного делителя осциллографа (1; 10; 100).
В. ДОВЖИН
Мостовой источник калиброванного напряжения (рис. 3) использует в качестве стабилизирующего элемента в одном из плеч лампу накаливания 2,5 в X 0,28 а. Для повышения стабильности работы лампы предварительно через лампу разряжают конденсатор емкостью порядка 1 мкф, заряженного до напряжения 100-т-200 в. Величина сопротивлений выбирается из условий оптимальной работы моста.

Сопротивления для повышения стабильности выходного напряжения калибратора желательно применять проволочные или непроволочные прецизионные типа УЛИ или БЛП.
А. ЖЕМБА, Б. КАДУК, Ю. МАЛЕНКО





