ПРОСТОЙ ДВУХ-ЛАМПОВЫЙ ОСЦИЛЛОГРАФ
Е. МИХАЙЛОВ, В. ЕРМАКОВ, Радио №5/1966, ст.56
В статье описан простой двухламповый осциллограф, изготовление и налаживание которого доступно радиолюбителям средней квалификации. Осциллограф (см. вкладку стр. 4) отличается небольшими размерами (75X100X275 мм) и весом (1,5 кг); потребляемая мощность не превышает 12 вт.

Питается осциллограф напряжением 6,3 и +240-280 в. Чувствительность усилителя вертикального отклонения не менее 20 мм на 1 в амплитудного значения напряжения. Полоса пропускания усилителя на уровне 0,7 не менее 1,5 Мгц, спад плоской вершины импульса длительностью 1500 мксек не превышает 15% от амплитуды в начале импульса.
Входное сопротивление усилителя вертикального отклонения не менее 500 ком, а емкость не более 50 пф. Генератор горизонтальной развертки имеет два диапазона: 20—50 гц и 5—20 кгц. С помощью калиброванного напряжения (1 в) можно определять амплитуду исследуемых сигналов от 1 до 150 в с точностью не менее 20%. Максимальная погрешность входного делителя ±5%.
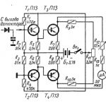
Принципиальная схема осциллографа приведена на 4-й стр. вкладки. Осциллограф содержит усилитель вертикального отклонения, выполненный на лампе Л2, генератор развертки па лампе Л1 и выпрямитель (рис, 1).

Двухкаскадный усилитель собран на двойном триоде 6НЗП. Каждый каскад охвачен обратной связью по току. Катодная цепь каскада не вносит искажений при усилении сигналов низких частот. Вместо обычной большой блокирующей емкости в цепь катода включен конденсатор небольшой емкости, подобранной экспериментально. Благодаря этому не искажается плоская вершина импульса. Постоянная времени цепи катода выбрана с таким расчетом, чтобы получить наилучшую частотную характеристику. Первый каскад без искажения усиливает напряжение сигнала до 1,5 в.
Для расширения пределов измерения на входе усилителя включен ступенчатый компенсированный делитель напряжения. Степень усиления двухкаскадного усилителя можно регулировать потенциометром R16. Общий коэффициент усиления усилителя вертикального отклонения равен 50. Переключением резисторов R19, R23 можно регулировать напряжение сигнала, поступающее в положительной полярности (независимо от полярности исследуемого сигнала) на генератор развертки. Это напряжение служит для синхронизации последнего. С сопротивления анодной нагрузки R24 через разделительный конденсатор С14 усиленное напряжение сигнала подается на вертикальные отклоняющие пластины электронно-лучевой трубки.
Генератор развертки выполнен на лампе Л1 (6Ж5П) но схеме с емкостной обратной связью. Как уже сказано выше, генератор синхронизирован непосредственно исследуемым напряжением. Напряжение синхронизации из анодных цепей одного из каскадов усилителя (в зависимости от положения переключателя П2) через конденсатор С12 и диод Д1 подается на управляющую сетку генераторной лампы Л1. Разделительный диод Д1 исключает влияние генератора развертки на источник синхронизирующих импульсов. Частоту генератора развертки можно плавно менять, изменяя напряжение смещения на первой сетке лампы, пли же ступенями (переключатели П1а—П1б).
Отрицательные импульсы гашения обратного хода луча поступают на управляющий электрод электронно-лучевой трубки с экранной сетки лампы генератора развертки. На горизонтальные отклоняющие пластины электронно-лучевой трубки через конденсатор С7 подается пилообразное напряжение, амплитуду которого можно регулировать потенциометром R10. При помощи потенциометров R29 и R30 можно смещать изображение в горизонтальном и вертикальном направлениях.
Осциллограф можно питать непосредственно от телевизора, поскольку в любом телевизоре имеются источники напряжения — 6,3 в и +(240—280 в). Электроннолучевая трубка питается выпрямленным напряжением вторичной обмотки трансформатора (см. вкладку). Полная схема выпрямителя показана на рис. 1. Напряжения (200—220) в, (220—240) в для питания анодных цепей ламп усилителя и генератора поступают с конденсаторов фильтра C1и С2. Индикатором подключения осциллографа к телевизору служит неоновая лампа.

Конструкция и детали. Основанием конструкции осциллографа служит металлический каркас, изготовленный из листовой стали толщиной 0,8 мм. Он имеет размеры 76Х100Х275 мм.
Сначала надо изготовить переднюю и заднюю стенки каркаса (из листовой стали толщиной 0,8 мм). По размерам они должны быть одинаковы. Затем изготавливают четыре уголка, соединяющие эти две стенки. Кроме того, необходимы небольшие по длине подкладки того же профиля, что и уголки, которые подкладываются с внутренней стороны в месте стыка стенки каркаса (передней или задней) с уголком. Скрепляются они заклепками.
На передней стенке каркаса по углам расположены четыре отверстия для вывода ручек потенциометров. R37 (яркость), R33 (фокус), R29 (перемещение луча по горизонтали), R30 (перемещение луча по вертикали). Эти потенциометры находятся под большим отрицательным потенциалом относительно шасси и поэтому должны быть тщательно изолированы от корпуса прибора. Их устанавливают через изолирующие втулки, а ручки управления изготавливают из хорошего изоляционного материала.
На задней стенке каркаса имеются отверстия для предохранителя и проводов. Каркас сверху закрыт кожухом П-образной формы. В верхней части кожуха находится окно для панели управления, а в боковых стенках просверлены отверстия для улучшения условий охлаждения. Нижняя часть каркаса закрыта планкой с многочисленными отверстиями для воздухообмена.
Кожух и нижняя планка изготовлены из листового дюралюминия толщиной 1 мм и прикреплены к каркасу винтами М3. Нарезать полноценную резьбу для крепления обшивки к каркасу из-за небольшой толщины материала нельзя. Поэтому для крепления кожуха и нижней планки к каркасу необходимо в каркас за- вальцевать втулку с резьбой М3. К нижней планке каркаса прикреплена откидывающаяся рамка, с помощью которой осциллограф можно поставить в более удобное для работы положение.
Почти все детали смонтированы на четырех отдельных панелях: панели усилителя, панели блока развертки, панели блока питания и панели управления. Чертеж панели усилителя 2 показан на вкладке. Изготовлена она из дюралюминия толщиной 4 мм. Центральное отверстие диаметром 39 мм служит для прохода электронно-лучевой трубки; отверстия диаметром 22,5 мм и 14,5 мм— соответственно для ламповой панели ПЛК-9 и электролитического конденсатора. Панель располагается вертикально.
Панель блока развертки 3 аналогична панели усилителя. Центральное отверстие этой панели несколько меньшего диаметра (35 мм), так как через него проходит только цокольная часть электронно-лучевой трубки. Отверстие диаметром 19,5 мм предназначено для ламповой панели ПЛК-7, другое отверстие — для электролитического конденсатора. Панель блока развертки так же, как и панель усилителя, укреплена вертикально.
Панель блока питания изготовлена из стали толщиной 1 мм. В ней имеются отверстия для крепления трансформатора, конденсаторов и монтажной планки. Панель укреплена в задней части каркаса горизонтально. Схема блока питания показана на рис. 1 (в тексте).
Сердечник силового трансформатора Тр1 набран из пластин ШЛ-12, толщина набора 20 мм, размер окна 12X20 мм. Обмотка I содержит 80 витков провода ПЭВ 0,51; обмотка II—7000 витков ПЭВ 0,08; обмотка III— 100 витков ПЭВ 0,51. Если осциллограф питается от сети, силовой трансформатор Тр1 должен иметь сердечник, набранный из пластин ШЛ-16 при толщине набора 20 мм и размерах окна 16×40 мм. Обмотка 1а будет насчитывать 1400, а 16 — 900 витков провода ПЭВ 0,21; обмотка II—5600 витков провода ПЭВ 0,09* III—2500 витков провода ПЭВ 0,12; IV—80 витков провода ПЭВ 0,41; V—80 витков провода ПЭВ 0,41.
Сборку осциллографа начинают с того, что устанавливают в каркасе потенциометры. К задней стенке каркаса прикрепляют предохранитель и пистоны для прохода проводов. Потом устанавливают панели усилителя, блока развертки и блока питания и панель управления. Далее переходят к межпанельному монтажу. Через отверстие в передней стенке каркаса пропускают электронно-лучевую трубку, устанавливают обрамление и вставляют трубку в обрамление, фиксируя ее хомутиком на панели блока развертки.
Налаживание. Налаживание осциллографа следует начинать с проверки правильности монтажа. Затем вставляют все лампы и подключают осциллограф к телевизору (или к любому другому источнику питания, выходные напряжения которого 6,3 в и +(250-300 в).
Установив ручки потенциометров R29 и R30 в вреднее положение, с помощью ампервольтомметра проверяют режимы ламп, напряжение на выходе высоковольтного выпрямителя. После этого вынимают лампу Л2. Ручку потенциометра R19 выводят до конца влево. Подбирают сопротивления резисторов R27 и R34 так, чтобы хорошо сфокусированный электронный луч находился в центре экрана.
Если луч на экране двоится, значит имеются магнитные наводки от трансформатора Тр1 на электроннолучевую трубку. Чтобы устранить их, необходимо изменить положение трансформатора Тр1.
Потенциометр R37 должен плавно регулировать яркость электронного пятна, при этом положение пятна на экране не меняется, а потенциометры R29 и R30— перемещать луч по горизонтали и вертикали примерно на 25 мм.
Убедившись в нормальной работе цепей питания осциллографической трубки, можно перейти к налаживанию генератора развертки. Лучше всего иметь для этой цели контрольный осциллограф. Переключатель П1 («диапазон развертки») устанавливают в положение 20—50 кгц (нижнее по схеме). Контрольный- осциллограф подключают к анодной цепи генераторной лампы Л1. При этом амплитудное значение напряжения на аноде лампы Л1 должно быть примерно 80 в. Проверяют устойчивость генерации в частотном диапазоне 15— 30 кгц. .
Дальше изменением сопротивления потенциометра R17 добиваются плавного перекрытия частотных диапазонов развертки. Оно должно быть не менее 2. Границы диапазонов частот разверток уточняют подбором емкостей конденсаторов С3, C4, С9, С1о и сопротивления резистора R18.
Для проверки усилителя рекомендуется снять его частотную характеристику. При этом необходимы сигнал генератор, калиброванный но частоте н амплитуде, а также ламповый вольтметр с большим входным сопротивлением и с малой входной емкостью. Напряжение с сигнал-генератора подается на вход осциллографа, а к отклоняющим пластинам электронно-лучевой трубки подключается ламповый вольтметр. Меняя частоту сигнал-генератора и поддерживая его выходное напряжение на всех частотах постоянным, снимают частотную характеристику. При налаживании компенсированного делителя вначале подбирают сопротивления резисторов R5, R8, чтобы коэффициент деления был точно равен 1 : 10, 1 : 100. После этого на вход осциллографа подают импульсный сигнал и с помощью конденсаторов С2 и С5 добиваются минимальных искажений сигнала.
Перед калибровкой осциллографа по напряжению необходимо резистор R3 заменить потенциометром 1— 1,5 ком, измерить ламповым вольтметром напряжение накала. Затем надо измерить напряжение на потенциометре ламповым вольтметром. Оно должно быть равно 1 в (при номинальном напряжении накала 6,3 в). После этого измеряют сопротивление потенциометра и снова заменяют его резистором, сопротивление которого равно измеренному.
Работа с прибором. Подключают прибор к источнику питания (телевизору или сети), включают питание (Bк1 замкнут). При этом на верхней панели должна загореться сигнальная лампа. Следует только заметить, что нельзя путать между собой щупы, предназначенные для подключения к телевизору. Ручкой «яркость» устанавливают минимальную яркость луча и дают прибору прогреться примерно в течение минуты. Если при вращении ручки «яркость» вправо до упора изображение луча не появляется на экране, необходимо ручками R29 и R30 установить его в центре экрана.
После этого ручками «фокус» и «яркость» устанавливают максимальную четкостьи желаемую яркость луча. В работе с прибором большое значение имеет правильный выбор режима, то есть необходимо определить частоту развертки, степень ослабления входного сигнала и амплитуду синхронизирующего напряжения. Выбор режима работы определяется характером и величиной исследуемого напряжения и особенностями исследуемой аппаратуры.
Степень ослабления устанавливают в зависимости от амплитуды исследуемого сигнала: при входном напряжении от 0,1 до 1,5 в — деление 1:1, при 1,5—15 в— 1 :10, а при 15—150 в — 1 : 100.
Особенно важно правильно подобрать амплитуду синхронизирующего напряжения. Для этого ручку потенциометра R21 необходимо вращать по часовой стрелке от крайнего левого положения до тех пор, пока на экране не получится устойчивое изображение. Дальнейшее вращение ручки может привести к нарушению синхронизации/Например, чтобы получить изображение импульсов строчной развертки (15626 гц) при амплитуде 100 в, следует выбрать частоту непрерывной развертки примерно 7,5 кгц. При этом получим на экране изображение двух импульсов. Переключатель ослабления сигнала устанавливают в положение 1 : 100. Установив переключатель П1 в положение 5—20 кгц и ручку «усиление синхронизации» в крайнее левое положение, подают исследуемый сигнал на вход осциллографа и вращают ручку «частота» до тех пор, пока на экране не получится медленно перемещающееся изображение двух импульсов. После этого увеличивают амплитуду синхронизирующего напряжения ручкой «усиление» до тех пор, пока изображение не станет неподвижным
Амплитуду исследуемого напряжения определяют следующим образом. Вначале на экране получают изображение исследуемого процесса. Затем, пользуясь ручками регулировки величины изображения по вертикали устанавливают по сетке, наложенной на экран, высоту изображения в пределах 20—30 мм. При этом необходимо запомнить положение переключателя ослабления входного сигнала, а затем перевести его в положение 1 в и отметить величину калибровочного сигнала.
Амплитуду исследуемого напряжения в вольтах вычисляют по формуле:

В заключение следует сказать, что описанный осциллограф, при увеличении числа диапазонов развертки, можно широко использовать для исследования и налаживания различной аппаратуры





