ПРОСТОЙ ИЗМЕРИТЕЛЬ ЕМКОСТИ
В. Ковалев, Радио №7/1965, ст. 50
При разработке и налаживании широкополосных и импульсных усилителей, компенсированных делителей напряжения и других устройств возникает необходимость измерять малые емкости (единицы и десятки пикофарад).

В приборе, который описан здесь, использован метод замещения. Обычно при измерении малой емкости методом замещения результаты измерения не отличаются высокой точностью. Уход частоты генератора ВЧ, вызванный колебаниями питающего напряжения и температуры, а также сравнительно невысокая добротность колебательных контуров обусловливают погрешности измерений.
Точность измерения емкости методом замещения можно значительно увеличить, если в качестве индикатора резонанса использовать узкополосный фильтр, например кварцевый разонатор.
Блок-схема прибора представлена на рис. 1. Ротор конденсатора С колебательного контура ВЧ генератора перед началом измерения устанавливают в положение максимальной емкости, которое соответствует условному нулю на его шкале. Затем изменением индуктивности катушки L1 контур генератора настраивают на резонансную частоту кварцевого фильтра до получения максимального сужения светящегося сектора на экране индикатора.

Подключение к прибору испытуемого конденсатора Сх вызывает уменьшение частоты генератора. Поскольку кварцевый фильтр обладает весьма узкой полосой пропускания, то даже небольшая расстройка генератора относительно резонансной частоты кварца вызывает резкое ослабление напряжения выходного сигнала. Чтобы восстановить показания индикатора, необходимо до тех пор уменьшать емкость конденсатора С, пока суммарная величина емкости С+Сх и частота генератора не вернутся к прежним значениям. Величину измеряемой емкости отсчитывают непосредственно по шкале конденсатора С, проградуированной в пикофарадах.
Применение кварцевого фильтра позволяет довольно точно фиксировать положение резонанса, а следовательно, во много раз повысить точность измерений В качестве простейшего кварцевого фильтра может быть применен обычный кварцевый резонатор.
Диапазон измерений емкости методом замещения определяется в основном диапазоном изменения емкости конденсатора С. Верхний предел измерения зависит от разности емкостей Смакс — Смин этого конденсатора, а нижний — от изменения емкости конденсатора С на 1° шкалы, качества конденсатора и полосы кварцевого фильтра.
При измерении малых величин емкости рекомендуется выбирать конденсатор С с возможно меньшей ценой деления и относительно небольшой максимальной емкостью (50—150 пф). Это, естественно, снижает верхний предел измерений. Однако в этом случае прибор легко приспособить и для измерений емкости, значительно большей, чем разность Смакс — Смин
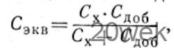
Для этого испытуемый конденсатор Сх присоединяют не параллельно конденсатору С, а через добавочный конденсатор Сдоб (при этом контакты выключателя Вк2 разомкнуты). Прибор измеряет фактически эквивалентную емкость последовательного соединения этих конденсаторов, то есть

рая по величине меньше, чем Сдоб— Добавочная шкала прибора при этом также может быть проградуирована непосредственно в величинах Сх, которые определяются по формуле

Шкала получается неравномерной, поэтому точность измерений при увеличении емкости Сх падает, что вполне допустимо, так как обычно при измерении больших емкостей не требуется такой высокой точности, как при измерении малых.
Включение добавочного конденсатора Сдоб расширяет возможности прибора и позволяет измерять емкость на двух диапазонах (0—100 пф и 0—0,01 мкф).
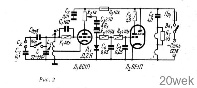
Принципиальная схема измерителя емкости представлена на рис. 2. Генератор ВЧ выполнен по трехточечной схеме с индуктивной связью. Высокочастотное напряжение можно регулировать потенциометром R2. Конденсатор С3, эквивалентная емкость кварцевого резонатора, полупроводниковый диод Д1 представляют собой пиковый детектор. Коэффициент передачи его резко изменяется с изменением частоты и становится весьма малым, когда частота генератора отличается от резонансной частоты кварца. Емкостное сопротивление конденсатора С3 на частотах полосы пропускания кварцевого фильтра должно быть таким, чтобы установка движка потенциометра R2 в среднее положение соответствовала узкой светящейся полосе на экране индикатора.

Питается прибор от сети переменного тока. Это вызывает паразитную модуляцию колебаний ВЧ генератора частотой сети и, как следствие этого, дрожание светящегося сектора индикатора. RC фильтр, состоящий из сопротивлений R4, R5 и конденсаторов С4, С5, практически устраняет дрожание светящегося сектора
Конструкция прибора.
В кварцевом фильтре можно применить кварц любого типа, резонансная частота которого находится в пределах от 100 кгц до 20 Мгц. Частота последовательного резонанса кварца и определяет ту частоту, на которую должен быть настроен генератор. Если резонансная частота кварца неизвестна, ее можно определить образом. Исследуемый кварц включают между выходом генератора сигналов и высокочастотным пробником лампового вольтметра. При этом статическая емкость кварца Со (см. эквивалентную схему рис. 3) и входная емкость пробника вольтметра образуют емкостный делитель напряжения. Когда частота генератора сигналов отличается от частоты последовательного резонанса кварца, коэффициент деления напряжения получается большим, а уровень выходного сигнала настолько малым, что он не регистрируется ламповым вольтметром. Как только частота генератора совпадет с резонансной частотой кварца, проводимость последнего резко возрастет и напряжение на выходе резко увеличивается

Конденсатор переменной емкости С является основным элементом прибора, его конструкция оказывает влияние на стабильность работы и точность измерений. Рекомендуется применять конденсатор с линейным изменением емкости, так как при этом шкала прибора (если конденсатора Сдоб нет) получается равномерной. Однако это требование не является обязательным, и в приборе можно использовать другие переменные конденсаторы. Для плавной регулировки емкости конденсатор снабжен верньерным устройством с большим замедлением.
Электрические данные и конструктивное выполнение катушки индуктивности L1 зависят от частоты, на которой работает генератор.
Во всех случаях добротность катушки должна быть высокой ( Q>=100). В описанном случае применен кварц с резонансной частотой 10,75 Мгц.
Контурная катушка имеет следующие данные. Индуктивность L1—1,5 мкгн, Q=150. Катушка намотана на керамическом ребристом каркасе, диаметром 16 мм и содержит семь витков провода ПЭЛ 0,5. Шаг намотки 2 мм. Отвод в цепи катода от одного витка. Индуктивность контура можно менять с помощью цилиндрического карбонильного сердечника диаметром 5,5 мм. Ферриты вследствие низкой стабильности их параметров применять не рекомендуется.
В схеме генератора можно использовать любую лампу, предназначенную для работы в выбранном частотном диапазоне. В качестве электронно-оптического индикатора можно применить лампы 6Е1П, 6Е5С и аналогичные им по параметрам. Нить накала лампы Л1 (6С1П) зашунтирована сопротивлением R7=43 ом (2 вт). Если в качестве детектора используется кремниевый диод, его необходимо шунтировать сопротивлением 200—500 ком. Остальные детали можно брать любого типа.
Для повышения стабильности генератора его надо так монтировать, чтобы элементы колебательного контура были отделены от ламп и других нагревающихся деталей. Монтаж прибора целесообразно выполнить на Т-образном шасси (рис. 4).

Такое шасси, будучи вставлено в кожух прибора, делит его внутреннее пространство на два изолированных (в тепловом отношении) отсека. При этом конденсатор переменной емкости, добавочный конденсатор Сдоб тумблер переключения диапазонов измерений Вк2, катушка индуктивности контура L1, кварц и панель генераторной лампы размещаются в одном из отсеков шасси, а остальные детали прибора, в том числе генераторная и индикаторная лампы,— во втором отсеке.
Цепи накала ламп питаются непосредственно от сети переменного тока через конденсатор С6. В тех случаях, когда непосредственное соединение прибора с питающей сетью оказывается почему-либо нежелательным, применяют трансформатор. Вот его данные. Сердечник выполнен из пластин Ш —12, толщина набора 20 мм. Сетевая обмотка (для сети 127 б) содержит 2650 витков провода ПЭЛ 0,12, обмотка накала ламп — 140 витков провода ПЭЛ 0.6, обмотка питания анодных цепей генераторной и индикаторной ламп — 2700 витков провода ПЭЛ 0,1.
Налаживание прибора. Вначале необходимо подобрать величину индуктивности катушки контура по максимальному показанию индикатора. Для этого изменяют число витков катушки (карбонильный сердечник должен находиться в среднем положении, а ротор конденсатора С — в положении максимальной емкости).
Далее необходимо добиться устойчивости генерации во всем диапазоне изменения емкости конденсатора С. Это достигается подбором места отвода от катушки в катодной цепи лампы Л1, а также изменением параметров цепи R1C1.
Последняя операция налаживания заключается в точной настройке генератора на частоту кварцевого фильтра при помощи карбонильного сердечника катушки. Кроме того, движок потенциометра R2 устанавливают в такое положение, когда края светящегося сектора индикатора только начинают расходиться.
Градуировать прибор можно различными методами. Если в приборе применен прямоемкостный конденсатор, а его начальная и конечная емкости точно известны, можно вообще обойтись без градуировки, разделив шкалу конденсатора на равные части.
Если точно известна емкость добавочного конденсатора Сдоб можно нанести деления шкалы для второго диапазона измерений, воспользовавшись приведенными выше расчетными соотношениями.
Наконец, можно проградуировать прибор при помощи эталонного конденсатора переменной емкости или набора постоянных эталонных конденсаторов либо конденсаторов с малым допуском (1—2%). Для этого эталонный конденсатор подключают к прибору, а конденсатор переменной емкости устанавливают в положение, соответствующее максимальному схождению светящегося сектора индикатора. Это положение визира шкалы конденсатора переменной емкости отмечают и на шкалу прибора наносят значение емкости эталонного конденсатора.
Для измерения емкости конденсаторов, входящих в состав монтажа какого-либо устройства, а также емкости монтажа удобно пользоваться специальным гибким щупом, который нетрудно изготовить. Для этого берут отрезок коаксиального кабеля длиной 25—30 см. Центральный проводник кабеля удаляют и вместо него вставляют провод диаметром 0,08—0,1 мм* Чтобы такой тонкий провод не оборвался, его припаивают к коротким отрезкам более толстого провода, которые закрепляют на концах кабеля. Такой пробник обладает малой емкостью и очень удобен в работе.
При измерениях собственную емкость пробника необходимо учитывать. Это не представляет затруднений, так как ее легко измерить на изготовленном приборе. Наконец эту емкость можно учесть и при градуировке прибора. Изготовленный прибор можно приспособить также для измерения индуктивности. Катушку, индуктивность которой надо измерить, включают последовательно с катушкой контура. Как и прежде, с помощью конденсатора С добиваются узкой светящейся полосы на экране индикатора. Индуктивность теперь можно рассчитать, зная изменения емкости, которая отсчитывается на шкале прибора. Индуктивность можно измерить непосредственно, если предварительно проградуировать шкалу переменного конденсатора С в единицах индуктивности. Диапазон измерений индуктивности можно значительно расширить, если последовательно с катушкой генератора включить добавочную индуктивность Лдоб, а параллельно Лдоб — измеряемую индуктивность. При этом частота генератора и резонансная частота кварца определяются требуемым диапазоном измерений индуктивности.





