Простой частотомер с непосредственным отсчетом
Радио №10/1964, ст.53
Частотомер позволяет измерять частоту сигналов в диапазоне от 200 до 20 000 гц. Прибор имеет два поддиапазона: 200—2000 гц и 1500—20 000 гц. Точность измерения — не хуже 1 %.

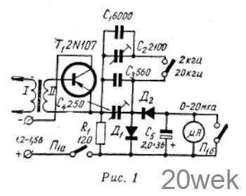
Измеряемый сигнал подается на согласующий трансформатор, вторичная обмотка которого включена на базу и эмиттер транзистора 2N107. Работая в режиме ограничения, он срезает вершины синусоидальных сигналов. На выходе транзистора включена дифференцирующая цепочка, состоящая из конденсаторов C1— С4 и сопротивления R1. Дифференцирующая цепочка работает следующим образом: при подаче на вход цепочки прямоугольного сигнала на сопротивлении появляются два импульса напряжения разной полярности. Импульсы, выделенные на сопротивлении R1, детектируются диодами Д1 и Д2 и поступают на конденсатор C5. Нагрузкой конденсатора С5 является микроамперметр чувствительностью 20 мка на всю шкалу. Заряд конденсатора С5 и, следовательно, величина отклонения стрелки микроамперметра, будут зависеть от частоты следования импульсов на сопротивлении R1. Таким образом, отклонение стрелки прибора находится в прямой зависимости от частоты сигнала на входе частотомера. Нормальная работа обеспечивается при входном напряжении около 5 в. Полное входное сопротивление частотомера около 3000 ом.
Для градуировки частотомера необходимо иметь или калиброванный генератор частоты или калиброванный частотомер. Градуировку следует начинать с частоты 20 000 гц. Подбирая значение конденсатора С4, добиваются, чтобы показания по шкале соответствовали измеряемой частоте (например 18 мка по шкале — 18 кгц). Затем необходимо проверить соответствие шкалы другим частотам этого диапазона. После этого следует переключить диапазон и произвести калибровку шкалы с помощью конденсатора С2.
Необходимо отметить, что точность измерений зависит от качества конденсаторов C1—С4. Чем лучше изоляция этих конденсаторов, тем лучше калибруется прибор и выше точность измерений. Одновременно с выключением питания прибора клеммы микроамперметра закорачиваются. Питание прибора осуществляется от одного элемента напряжением 1,5 в
От редакции: триод 2N107 можно заменить на П5В, П5Г, П5Е. Диоды 1N34 заменяются диодами Д2. Для частотомера наиболее подходят наши микроамперметры типа М24 и М265. Чувствительность приборов 25 мка на всю шкалу. При калибровке частотомера можно довести диапазон измерений до 25000 гц, что упростит отсчет на шкале 25 мка. На входе можно применять малогабаритный выходной трансформатор от приемника. Сопротивление первичной обмотки — 500 ом, вторичной — 3,2 ом.
