ПОВЫШЕНИЕ ЧУВСТВИТЕЛЬНОСТИ И УЛУЧШЕНИЕ КАЧЕСТВА ЗАПИСИ МАГНИТОФОНА
Б. Смолянский, Радио №12/1965, ст.54
В широко распространенных бытовых магнитофонах с сетевым питанием чувствительность канала записи обычно практически ограничивается фоном переменного тока лампы входного каскада. Чтобы получить достаточный уровень записи, приходится использовать высокочувствительный микрофон с нагрузочным сопротивлением большим, чем требуется для согласования с ним. При этом качество записи с миkрофона снижается, Для ослабления помех от питающей сети применяют схему с регулируемой «средней точкой» И подают положительное смещение на подогреватель лампы. Кроме того, приходится подбирать входную лампу с минимальным уровнем шумов и без микрофонного эффекта.
Значительно лучшие результаты можно получить, включив во входную цепь канала записи дополнительный усилительный каскад на транзисторе. В этом случае удается поднять до требуемой величины чувствительность усилителя без опасения увеличить уровень фона или микрофонного эффекта. Кроме того, возникает возможность согласования внутреннего сопротивления микрофона с нагрузкой, что также улучшает качество записи. Большая чувствительность транзисторного каскада позволяет применять высококачественные микрофоны и записывать сигналы слабых или удаленных
источников звука (например, биение сердца, пение птиц и т. п.). Воспользовавшись соответствующими звукоснимателями (см. «Радио» N6, 1962 г» стр .39),легко осуществить
и запись телефонных разговоров.
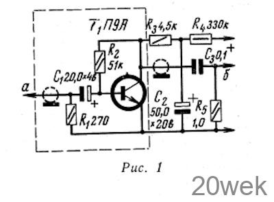
Для транзисторного усилителя следует выбрать малошумящий транзистор. Хорошие результаты позволяет получить германиевый триод П9А с проводимостью типа n-р-n. Схема каскада, показанная на рис. 1, проста и не нуждается в особых пояснениях. Обведенную пунктиром основную часть схемы можно собрать в корпусе из-под небольшого электролитического конденсатора с удобным креплением (например, типа КЭ-2), используя миниатюрные радиодетали. При отсутствии деталей малого размера можно применить любые другие, но экранирующий корпус взять соответственно больших размеров. Внутренняя поверхность корпуса конденсатора должна быть тщательно очищена от электролита, просушена, покрыта лаком или изолирована картонными вкладышами во избежание замыканий.

Детали, заключаемые в корпус, предварительно следует укрепить на гетинаксовой или картонной плате,
размеры которой соответствуют внутреннему продольному осевому сечению корпуса.
Входной (а) и выходной (6) провод должен иметь экранирующую оплетку.
Плату плотно вставляют в корпус, а концы проводов необходимой ДЛИНЫ пропускают через отверстие в пластмассовой крышке конденсатора, которое нужно рассверлить, удалив плюсовой контакт способом, описанным в журнале «Радио» № 5 за 1960 Г., стр. 58. Затем крышку устанавливают на место и завальцовывают в корпусе.
Собранный усилительный каскад укрепляется на шасси магнитофона с помощью стандартной гайки от конденсатора. Гасящее сопротивление R4 подключается к цепи анодного питания магнитофона. Ток,
потребляемый каскадом, составляет 0,6-0,8 ма.
Несмотря на подачу питания от источника сравнительно высокого напряжения (250-280 в) без делителя,
эксплуатация транзисторного блока в течение более года в магнитофоне «Днепр-11» показала высокую
надежность и стабильность его работы.
Сопротивления R1 , R2 и R5 могут быть, взяты типа У ЛМ, МЛТ, ВС или другие. Сопротивление R3 должно быть типа МЛТ во избежание увеличения уровня шума, а R4 — любого типа, соответствующей мощности.
Конденсаторы C1 и C2 выбирают из числа малогабаритных электролитических конденсаторов с номиналыlЫМИ значениями емкости и рабочих напряжений, не менее указанных на схеме (рис. 1). Конденсатор Cз — бумажный или любого другого типа.
Для установки транзисторного каскада в магнитофон входную цепь последнего следует отключиТь от контакта переключателя и соединить с точкой а. Точку б присоединяют к освободившемуся контакту. Общую цепь можно припаять к ПРОвОДУ, соединенному с шасси в любой точке.
Конденсатор С2 устанавливают в свободном месте на шасси основного усилителя.
Для устранения влияния внешних наводок целесообразно на дне корпуса магнитофона вблизи входных разъемов укрепить металлический поддон, соединенный с шасси.





