Портативная транзисторная радиостанция на 144-146 Mrg
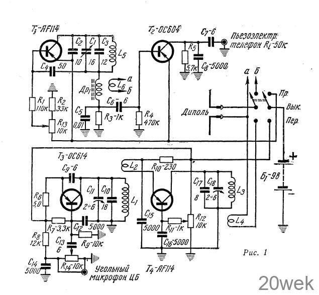
Принципиальная . схема радиостанции приведена на рис. 1. Она выполнена на четырех транзисторах. Передатчик собран по схеме с посторонним возбуждением. Колебания на фиксированных частотах в диапазоне 72—73 Мгц, генерируемые возбудителем, собранным на транзисторе Т3 (ОС 614), модулируются по частоте путем подачи переменного напряжения с угольного микрофонного капсюля ЦБ в цепь базы транзистора Т3. Это напряжение изменяет динамические емкости транзистора, что в конечном результате позволяет получить при низком напряжении питания очень хорошую частотную модуляцию с девиацией частоты до 0,5 Мгц.

Транзистор Т4 (AF 114) работает в качестве удвоителя и усилителя мощности. Для того чтобы получить максимальную выходную мощность при допустимом токе коллектора транзистора Т4, напряжение смещения, подаваемое на его базу, можно регулировать при помощи потенциометра R12. Так как транзистор T3 генерирует в области, близкой к его верхней граничной частоте, на эмиттер транзистора Т4 подается ограниченное напряжение. Несмотря на это, выходная мощность передатчика в диапазоне 144—146 Мгц достигает 1—2 мВт.
Приемник собран на транзисторах Т1 (AF 114) и Т2 (ОС 604) и представляет собой сверхрегенератор, вспомогательная частота которого выбрана в пределах 100—150 кгц. В качестве конденсатора переменной емкости колебательного контура (C1) используется подстроечный конденсатор.
Все катушки радиостанции —бескаркасные и наматываются на оправке диаметром 6 мм проводом толщиной 1 мм. Катушка L1 содержит 6 витков, L2 и L3—3,5 витка, L4-2,5 витка, L5—3 витка и L6 — 2 витка. Дроссель Др1 намотан на ферритовом сердечнике диаметром 1,5— 3 мм и содержит 20—30 витков провода ПЭЛ 0,3—-0,5 мм.
«Das Elektron», № 14/15, 1962 г.
ОТ РЕДАКЦИИ. Транзисторы радиостанции можно заменить следующими отечественными: ОС614 на П403 или П403А, AF 114 на П411 или П411А, ОС 604 на П15 или П16.





