Переносный Супер
С. Бать, Радио №5/1967, ст.33
Приемник имеет три диапазона — средневолновый (СВ) 187-428 м (1600-700 кгц) и два коротковолновых: КВ-1 — 25-31 м (12,0-9,4 Мгц) и КВ-2—41-49 м (7,4-5,9 Мгц).
Чувствительность приемника в диапазоне СВ не хуже 100 мкв, в диапазонах КВ — не хуже 30 мкв. Избирательность по соседнему каналу не менее 50 дб (при расстройке на +-10 кгц). Ослабление зеркального канала на СВ не менее 20 дб, на КВ — 9 дб. Промежуточная частота 465 кгц.
Номинальная выходная мощность 250 мвт. Полоса воспроизводимых частот 200-3500 гц при неравномерности 6 дб.
Приемник питается от шести элементов типа «316», соединенных последовательно. Потребляемый ток в режиме молчания 12 ма.
Габариты приемника 245 X 132 X 65 мм, вес — 1,2 кг.
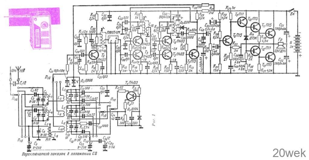
Принципиальная схема приемника приведена на рис. 1. Как видно из схемы, катушки входного контура диапазона СВ размещены на магнитной антенне МА, а для приема в диапазонах КВ используется штыревая антенна, причем с целью упрощения коммутации штыревая антенна имеет полное включение со стороны входа.

Гетеродин собран на транзисторе Т1 (П403) по схеме, аналогичной схеме гетеродина радиоприемника «Спидола». Напряжение питания гетеродина стабилизировано опорным диодом Д2 (Д808) с напряжением стабилизации 7,5 в. Кремниевый диод Д1 (Д104), включенный в базовую цепь Т1, улучшает температурную стабильность коллекторного тока транзистора.
Каскад смесителя собран на транзисторе Т2 (П403). В его базовую цепь включен режекторный фильтр, настроенный на промежуточную частоту. Избирательность приемника по соседнему каналу обеспечивается пьезокерамическим фильтром типа ПФ1П-1М, имеющим входное сопротивление 1,2 ком и выходное — 600 ом. Для согласования фильтра с выходным сопротивлением транзистора Т2 служит резонансный трансформатор L12—L13. Для расширения полосы пропускания контур L12Сзо зашунтирован резистором R11; отношение числа витков катушек L12, L13 выбрано с учетом шунтирующего действия резистора R11.
На выходе пьезокерамического фильтра включен резистор R12, обеспечивающий приемлемые условия согласования фильтра со входом первого каскада усилителя ПЧ при работе системы АРУ.
Оба каскада усилителя ПЧ выполнены по каскодной схеме. Это позволяет получить большой запас устойчивости при высоком коэффициенте усиления и использовать любые годные транзисторы без подбора и нейтрализации.
Второй каскад усилителя ПЧ (T5, Т6) нагружен на детектор, выполненный на диоде Д3 (Д9А). Особенностью схемы детектора является полное включение его в контур (катушки L16 и L17 имеют равное число витков). Эквивалентное выходное сопротивление каскада, от которого питается детектор, определяется параллельным соединением выходного сопротивления каскодного усилителя и резонансного сопротивления контура. Выхбдное сопротивление каскада — около 1—2 Мом, резонансное сопротивление контура — 80 ком, входное сопротивление детектора — 2—3 ком. Таким образом имеет место значительное рассогласование выходного сопротивления усилительного каскада и входного сопротивления детектора, а также уменьшение усиления по мощности. Работа детектора в резко рассогласованном режиме позволяет осуществить детектирование с малыми нелинейными искажениями: при напряжении на детекторе 0,3— 0,5 V нелинейные искажения не превышают 5% для глубины модуляции 80%.
Постоянная составляющая тока детектора через резистор R22 подается я цепь базы транзистора T7, работающего усилителем постоянного тока системы АРУ. Система АРУ работает следующим образом: по мере увеличения напряжения ПЧ на входе детектора увеличивается постоянная составляющая его тока, которая, попадая в цепь базы транзистора T7, отпирает его; отпирание транзистора Т7 приводит к уменьшению напряжения на его коллекторе, что в свою очередь вызывает уменьшение коллекторных токов транзисторов Т3 и T4, в результате чего коэффициент усиления УПЧ снижается. Примененная в приемнике система АРУ обеспечивает изменение выходного сигнала не более чем на 12 дб при изменении входного сигнала на 60 дб.
Усилитель НЧ выполнен по бестрансформаторной схеме с гальваническими связями между каскадами. Применение гальванической межкаскадной связи позволило осуществить эффективное автоматическое симметрирование оконечной ступени: потенциал коллектора транзистора T13 остается равным половине напряжения питания при его изменении от 12 до 4,5 в.
Усилитель охвачен отрицательной обратной связью по напряжению, уменьшающей нелинейные искажения и снижающей критичность схемы к разбросу и изменению параметров транзисторов. При выходной мощности 250 мвт коэффициент нелинейных искажений не превышает 5% .
Конструкция и детали. Корпус радиоприемника изготовлен из органического стекла молочного цвета. Его передняя стенка закрыта декоративной фальшпанелью из алюминия, в которой выфрезерована решетка под громкоговоритель.
На верхней стенке корпуса укреплены две алюминиевые чашки, в которые утоплены ручки настройки и регулятора громкости. Ручки переключателя диапазонов и электрической растяжки выведены на переднюю панель.
Конструктивно приемник выполнен в виде двух блоков: блока ВЧ и блока ПЧ-НЧ. Высокочастотный блок имеет две монтажные платы, жестко связанные с переключателем диапазонов.
Переключатель диапазонов имеет две керамические галеты, осуществляющие коммутацию шести направлений на три положения. Верхняя монтажная плата блока ВЧ закреплена между галетами переключателя. На ней смонтированы входные и гетеродинные катушки, контур режекторного фильтра L11С27 и подстроечные конденсаторы. На нижней плате блока ВЧ смонтированы транзисторы T1, T2, диоды Д1, Д2, резисторы и конденсаторы каскада преобразователя частоты, пьезокерамический фильтр и магнитная антенна.
Высокочастотный блок крепится к передней стенке корпуса с помощью гайки переключателя диапазонов и двух винтов, которые завинчиваются в стойки с резьбой, скрепляющие монтажные платы.
Блок конденсаторов переменной емкости крепится к передней стенке корпуса в непосредственной близости от высокочастотных катушек. Он имеет встроенный верньер с пятикратным замедлением.
Телескопическая антенна помещена рядом с высокочастотным блоком у боковой стенки корпуса. Монтажная плата блока ПЧ-НЧ крепится к передней стенке корпуса над громкоговорителем на четырех стойках с резьбой.
Все монтажные платы изготовлены из текстолита толщиной 3 мм. Монтаж выполнен на посеребренных пистонах, которые расклепаны на платах. Расположение основных деталей на платах показано на 4-й стр. вкладки. В приемнике использованы резисторы типа УЛМ-0,12, конденсаторы типа КПК-М, КСО-1, КТК, КЛС, электролитические конденсаторы типа ЭТО-1 и «Тесла». Конденсатор переменной емкости от приемника «Атмосфера». В схеме электрической растяжки диапазона использован подстроечный конденсатор с воздушным диэлектриком, имеющий максимальную емкость 30 пф

Налаживание. После проверки правильности монтажа необходимо подключить источник питания й измерить ток, потребляемый приемником. Если потребляемый ток в режиме молчания превышает 20 ма, то это свидетельствует о неисправности отдельных деталей или ошибке, допущенной при монтаже. Если же он лежит в допустимых пределах, можно приступать к налаживанию усилителя НЧ.
Сначала нужно измерить напряжение на коллекторе транзистора T13, которое должно быть равно половине напряжения источника питания. Если это напряжение отличается от половины напряжения питания больше чем на 10%, то необходимо подобрать величину резистора R31.
Если радиолюбитель располагает осциллографом и звуковым генератором, то желательно проверить чувствительность усилителя НЧ со входа и измерить максимальную неискаженную выходную мощность. В правильно налаженном усилителе чувствительность со входа составляет 30—50 мв при выходной мощности 250 мвт. Налаживание усилителя ПЧ начинают с проверки величин напряжений на эмиттерах транзисторов Т3 и T5. Если эти напряжения отличаются от указанных на принципиальной схеме значений больше чем на 30%, необходимо проверить исправность транзисторов, Следует отметить, что режим по постоянному току первого каскада УПЧ зависит от величины входного сигнала из-за действия системы АРУ. Поэтому проверку его режима нужно производить при отсутствии входного сигнала. Для этого можно, например, закоротить резистор R12.
После проверки режимов каскадов УПЧ по постоянному току, на базу транзистора T3 через емкость (пьезофильтр необходимо отключить) от ГСС подается сигнал с частотой 465 кгц порядка 100—200 мкв. Напряжение на коллекторе T7 контролируется вольтметром.
Сердечниками катушек L14 и L1б подстраивают контуры ПЧ по минимуму показаний вольтметра. Если при вращении сердечников катушек показания прибора не меняются, это свидетельствует о слишком сильной расстройке контуров и о малой величине выходного напряжения ПЧ (транзистор T7 заперт). По мере же настройки контуров ПЧ, сигнал на входе может возрасти настолько, что напряжение на его коллекторе окажется меньше 1 в. В этом случае уровень входного сигнала нужно уменьшить.
При точной настройке контуров ПЧ коэффициент усиления УПЧ может оказаться значительно больше 20000. Если возникнет самовозбуждение, необходимо снижать коэффициент усиления УПЧ путем расстройки контуров, причем для повышения устойчивости его работы нужно контур второго каскада настраивать несколько ниже контура первого каскада. Например, контур L16С42 нужно настроить на частоту 455 кгц, а контур L14С38— на частоту 460 кгц, если пьезокерамнческпй фильтр настроен на частоту 475 кгц.
После настройки контуров ПЧ настраивают контур L12С30. Для этого на базу транзистора T2 через конденсатор С28 от ГСС подают напряжение величиной 500-600 мкв с частотой 465 кгц, а параллельно резистору R12 подключают ламповый милливольтметр. Контур L12С30 настраивают по максимуму показаний прибора. При настройке этого контура конденсатор С30 от резистора R12 отключают.
Закончив настройку контура L12С30 конденсатор С36 снова подсоединяют к резистору R12 и проверяют чувствительность тракта ПЧ. Если при подаче на базу T2 сигнала в 5 мкв с частотой 465 кгц напряжение на детекторе составляет 0,3—0,7 в и при плавном уменьшении входного сигнала выходной сигнал тоже плавно уменьшается, то усилитель ПЧ можно считать настроенным и переходить к настройке режекторного фильтра. Этот фильтр настраивается по минимуму показания милливольтметра, подключенного к конденсатору С27. Сигнал на контур подается от ГСС через резистор R6.
Гетеродинные и входные контуры сопрягаются обычным способом.

