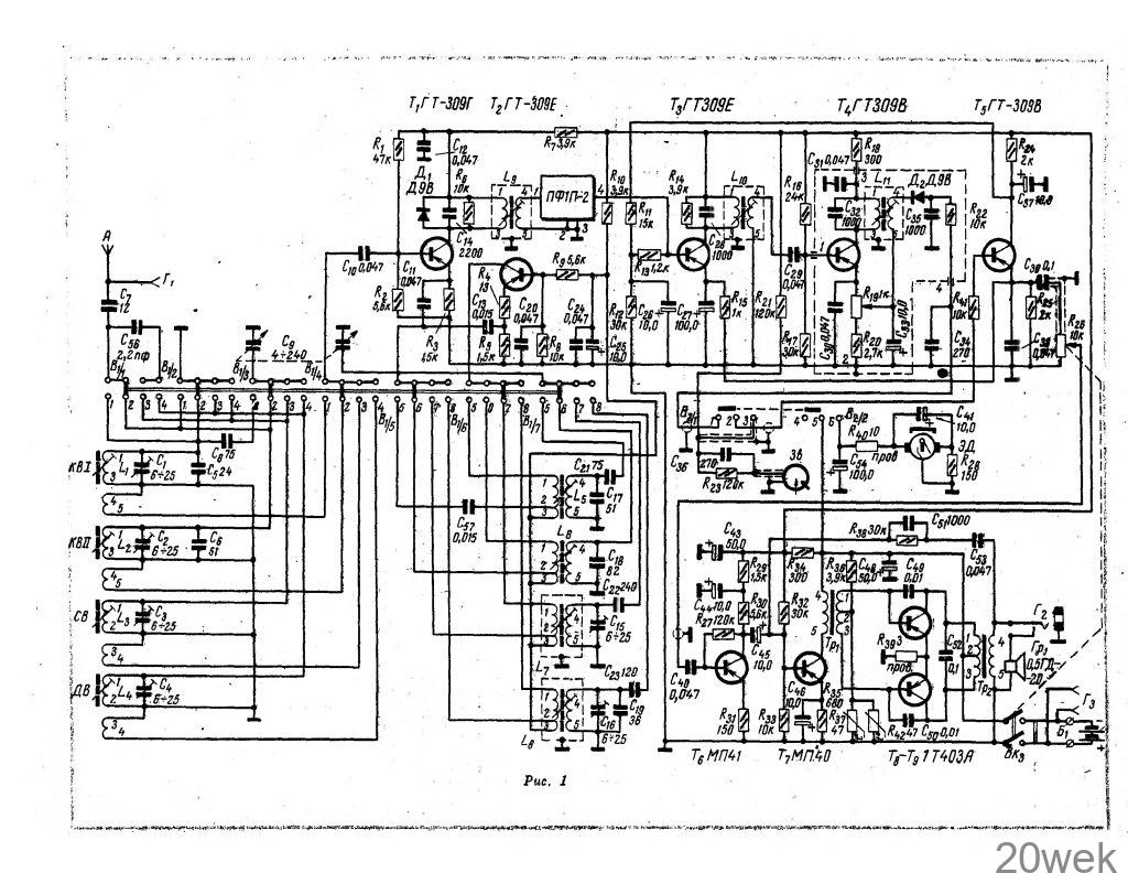
Переносная радиола «Мрия»
И. БЕЛЬСКИЙ, Е. НИКОЛАЕВ, Радио №2/1968, ст.25
ОСНОВНЫЕ ТЕХНИЧЕСКИЕ ДАННЫЕ
Переносная радиола «Мрия» предназначена для приема программ радиовещательных станций в диапазонах длинных (735,3-2 ООО м), средних (186,9-571,4 м), коротких КВII (40,6-77 м) и KBI (24,8-31,6 м) волн, а также для проигрывания обычных и долгоиграющих пластинок. Реальная чувствительность в диапазоне ДВ не хуже 2,5 мв/м, СВ — 1,5 мв/м, КВ-250 мкв (при отношении Uсиг/Uшум=10).

Избирательность по соседнему каналу при расстройке на +- 10 кгц не хуже 46 дб. Автоматическая регулировка усиления позволяет получить изменение напряжения на выходе приемника не более 6 дб при изменении входного напряжения на 26 дб.
Полоса частот, воспроизводимых приемником 300— 3 500 гц. Номинальная выходная мощность 250 мвт. при коэффициенте нелинейных искажений не более 5%, максимальная — не менее 450 мвт.
Электропроигрывающее устройство радиолы имеет три скорости вращения: 78+-2,8, 45+-1,6, 33 1/3+1,2 об/мин. На всех скоростях детонация не превышает 0,6%.





