ПЕРЕДАТЧИК НА 28—29,7 Мгц
Е. Карачевцев, Радио №6/1964, ст.20

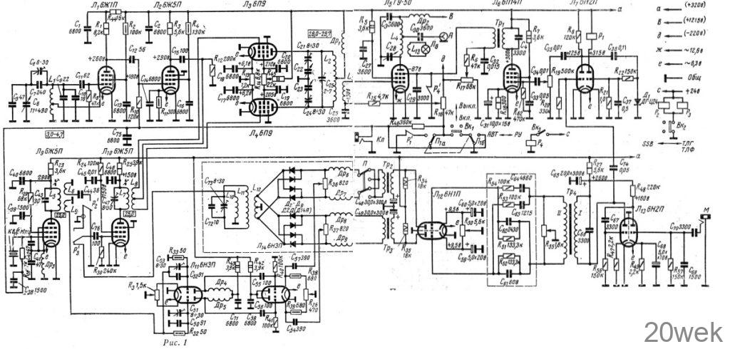
Передатчик предназначен для работы телеграфом, телефоном с амплитудной модуляцией и SSB в диапазоне 28,0—29,7 Мгц. Он собран на 13 радиолампах и девяти полупроводниковых диодах. При работе в телеграфном режиме используется семь, в телефонном режиме с амплитудной модуляцией — десять, а на SSB—11 радиоламп и девять полупроводниковых диодов. Принципиальная схема передатчика изображена на рис. 1.

Задающий генератор передатчика выполнен на лампе 6Ж1П (Л1) по трехточечной схеме с индуктивной связью. Он генерирует в диапазоне частот 3,0—4,7 Мгц. С задающего генератора через буферный каскад на лампе 6Ж5П (Лз) ВЧ напряжение подается на балансный смеситель, собранный на двух лампах 6П9 (Лз и Л1). На этот же смеситель при работе в режимах CW и AM с анода лампы Лю поступает опорное напряжение частотой 25 Мгц, а при работе на SSB — однополосный сигнал с кольцевых модуляторов. Выходной каскад передатчика построен на лампе ГУ—50 (Л5) по схеме с последовательным питанием
Генератор опорного напряжения на лампе 6Ж5П (Л9) стабилизирован кварцем, резонансная частота которого 5 Мгц. Анодной нагрузкой лампы Л9 служит контур L5 С43, настроенный на частоту пятой гармоники кварца (25 Мгц). Напряжение этой частоты после усиления каскадом на лампе 6Ж5П (Л10) используется в качестве опорного. При работе на SSB напряжение частотой 25 Мгц с контура L5 С43 через катушку связи L9 поступает на ВЧ фазовращатель и усилитель на лампе 6НЗП (Л11). Сдвинутые по фазе ВЧ напряжения через катодный повторитель на лампе 6НЗП (Л14) подаются на кольцевые модуляторы, собранные на полупроводниковых диодах Д2Д (Д2—Д9). Сформированное кольцевыми модуляторами напряжение SSB — сигнала подводится через контакты реле Р3 к управляющей сетке Л10.
Телеграфная манипуляция осуществляется отпиранием при нажатии ключа ламп Л2, Л5 и Л9, запертых большим отрицательным напряжением на управляющих сетках. Для работы телефоном с амплитудной модуляцией напряжение НЧ сигнала развиваемое микрофоном, усиливается трехкаскадным модулятором на лампах 6Н2П (Л13 и 1/2 Л7) и 6П14П (Л6). Усиленное напряжение НЧ подается на защитную сетку лампы ГУ—50 (Л5). При переходе на SSB напряжение НЧ с анода лампы Л13 через трансформатор Тр4 поступает на НЧ фазовращатель и усилитель, собранный на лампе 6Н1Г1 (Л12),А затем через трансформаторы Тр2 и Трз на кольцевые модуляторы. Пластины сердечников Тр-2, Трз и Tp4 должны быть из стали хорошего качества. Желательно также, если позволяет место, увеличить сечение сердечников. В противном случае нельзя будет получить SSB—сигнал при больших уровнях напряжения НЧ.
На правом (по схеме) триоде лампы 6Н2П (Л7) собрана система управления передатчиком от голоса оператора. Система работает следующим образом: напряжение НЧ, с левого триода лампы Л7 через конденсатор С36 поступает на диодный детектор и далее на сетку правого триода Л7. В анодную цепь этого триода включена обмотка реле P1 (РЭС-10, РПН, РКН, РКМ).
При поступлении напряжения НЧ триод запирается, и реле P1 срабатывает. Нормально разомкнутые этого реле замыкаются, отпирают лампы Лг, Л5, Лэ, и передатчик начинает работать. Переменное сопротивление R19 имеет выключатель, через который подается питание на обмотку реле Р4 с нормально замкнутыми контактами. Если повернуть движок R19 в крайнее левое положение так, чтобы сработал выключатель, то обмотка P4 будет обесточена, его контакты замкнутся, и защитная сетка лампы ГУ— 50 (Л5) будет заземлена, что необходимо при работе в режимах CW и SSB.
Передатчик питается от сети переменного тока. Выпрямители собраны на диодах Д7Ж по мостовым схемам. Анодное напряжение (275 в) стабилизировано электронным стабилизатором.

Внешний вид передатчика показан на рис. в заголовке статьи, а вид шасси сверху — на рис. 2. Шасси размерами 260X330X70 мм, а передняя панель — 280Х 195 мм. Подвал шасси разделен экранирующими перегородками. Кольцевые модуляторы заключены в экран размерами 80X57X90 мм и отделены друг от друга металлической перегородкой. Блок конденсаторов переменной емкости С6 С22 С23 взят от радиовещательного приемника II класса с УКВ диапазоном и переделан следующим образом. Из блока выпаивают одну секцию с большой емкостью и на ее место устанавливают (впаивают) секцию с малой емкостью, снятую из соседнего отсека. Таким образом получается строенный блок с одной секцией большой емкости и двумя малой емкости. Данные трансформаторов передатчика приведены в табл. 1, а катушек и ВЧ дросселей — в табл. 2. Катушки L2 L3 наматываются так, как показано на рис. 3.

Налаживание передатчика лучше начать с каскада задающего генератора. Для этого, прослушивая сигнал задающего генератора на эталонном приемнике, имеющем диапазон 2,8—5,0 МГц, устанавливают необходимое перекрытие по частоте. Задающий генератор должен перекрывать диапазон от 2,7—2,8 до 4,9—5,0 Мгц. Если подстроечным конденсатором С8 не удается установить нужные границы диапазона, необходимо изменить в небольших пределах емкость конденсатора С7. Буферный каскад при правильном монтаже в налаживании не нуждается. При исправном кварце кварцевый генератор также не требует налаживания. Необходимо лишь подстроить анодный контур L5 С13 на частоту 25 Мгц. Это можно сделать .по приемнику или ГИРу.

Затем тумблер Вк2 устанавливают в положение «ТЛГ—ТЛФ» и настраивают по ГИРу анодный контур лампы Л10 (L7С47) на частоту 25 Мгц. Вращая ползунки переменных сопротивлений R13 и R14, устанавливают указанные на принципиальной схеме (рис. 1) режимы ламп Лз и Л1 смесителя. При подаче на смеситель опорного напряжения с частотой 25 Мгц с катушки связи L8 и напряжения с частотой 3 Мгц от задающего генератора в анодном контуре смесителя (катушка L2) будет выделяться частота 28 Мгц. Эту частоту можно обнаружить с помощью приемника или ГИРа. Изменяя частоту задающего генератора от 3 Мгц до 4,7 Мгц, проверяют частоту колебаний на выходе смесителя, которая должна быть 28,0 Мгц— 29,7 Мгц

Сопряжения настройки задающего генератора и смесителя добиваются в двух точках диапазона, у его границ (ориентировочно на частотах 28,2 и 29,3 Мгц) изменением емкостей конденсаторов С21 С24 С25. Следует стремиться к тому, чтобы емкости C24 и С21 были примерно одинаковые. В качестве индикатора сопряжения используется неоновая лампа, включенная между управляющей сеткой ГУ—50 и шасси. При этом лампа ГУ—50 должна быть вставлена в свою панель, и на ее управляющую сетку подано максимальное отрицательное смещение, в противном случае лампа может выйти из строя. После настройки балансного смесителя уменьшают до нормальной величины напряжение смещения на управляющей сетке лампы ГУ—50 и настраивают анодный контур ГУ—50 (L4). Усилитель НЧ в налаживании не нуждается. Для его проверки к трансформатору Tp1 подключают телефоны или трансляционный громкоговоритель, а на вход подают напряжение НЧ с микрофона.
Для настройки передатчика в телефонном режиме AM в анодную цепь лампы ГУ—50 включают миллиамперметр на 200—300 ма. Вращая движок потенциометра R17, добиваются, чтобы ток выходного каскада был равен примерно половине тока, потребляемого в телеграфном режиме. Затем включают микрофон и проверяют работу передатчика. О наличии модуляции можно судить по индикаторной лампе Л8, индуктивно связанной с контуром выходного каскада. Качество модуляции контролируют по приемнику. Режим выходного каскада можно менять в очень широких пределах при помощи потенциометров R16 и R17.
Далее настраивают блок формирования SSB-сигнала. Настройку начинают с НЧ фазовращателя. Конденсаторы и сопротивления каскада НЧ фазовращателя подбирают (при помощи измерительного LCR—моста) так, чтобы их величины отличались от указанных на принципиальной схеме не более, чем на 1 %. Затем к гнезду для включения микрофона присоединяют звуковой генератор, а к сеткам Л12 осциллограф, в котором предварительно откалибровано усиление обоих (горизонтального и вертикального) усилителей. Вход горизонтального усилителя подключают к сетке одного триода, а вертикального усилителя — к сетке второго триода лампы Л12. Включив звуковой генератор, подают на вход микрофонного усилителя напряжение НЧ частотой 1000 гц и, вращая движок потенциометра R55, добиваются получения на экране осциллографа правильной окружности. Напряжение НЧ на входе микрофонного усилителя не должно быть большим, иначе фигуры Лиссажу на экране осциллографа сильно искажены, и получить на нем правильную окружность не удастся.
После настройки НЧ фазовращателя, используя в качестве индикатора двухлучевой осциллограф или ламповый вольтметр и вращая движок потенциометра R50, устанавливают одинаковые напряжения на вторичных обмотках трансформаторов Тр2 и Трз. Налаживание кольцевых модуляторов начинают с настройки контура L11 С72 С73 на частоту 25 Мгц по максимуму SSB—сигнала при подаче на вход модуляторов напряжения НЧ частотой 1000—1500 гц. При дальнейшем налаживании в качестве индикатора применяют ламповый милливольтметр или эталонный приемник. Настройку ведут по минимуму показаний милливольтметра или наименьшей громкости несущей частоты и второй боковой полосы в приемнике путем вращения движков потенциометров R36 и R37. Во время настройки контура L11 С72 С73 движки этих потенциометров должны находиться в любом крайнем положении. При использовании в качестве индикатора эталонного приемника кольцевые модуляторы подстраивают при включенном оконечном каскаде передатчика. Окончательно SSB—сигнал формируется при помощи звукового генератора и осциллографа способом, описанным в статье Желнова «Фазовый SSB возбудитель» («Радио» 1960 г., № 5, стр. 21). Диоды для кольцевых модуляторов должны иметь одинаковое минимальное прямое и максимальное обратное сопротивление.
Качество работы передатчика окончательно проверяется при связи с корреспондентами. В связи с тем, что полоса пропускания усилителя НЧ шире 300— 3000 гц, при формировании SSB— сигнала частоты ниже 300 гц и выше 3000 гц не будут полностью подавлены. Поэтому в НЧ тракте следует установить полосовой фильтр с полосой пропускания 300—3000 гц





