МНОГОГОЛОСЫЙ ЭЛЕКТРОМУ3ЫКАЛЬНЫЙ ИНСТРУМЕНТ
Ю. Иванков, Радио №1/1966, ст.29
Блок-схема инструмента приведена на рис. 1. Как видно из блок-схемы, первый из четырнадцати генераторов тона позволяет получить звуки «ми» и «ми-бемоль» третьей октавы, «ре» и «ребемоль» второй октавы, «до» первой и «си» малой октавы. Аналогичным образом работают и остальные шесть (со второго по седьмой) генераторов тона системы верхнего выбирания звука. Восьмой генератор тона позволяет получить звук «си» малой и «до» первой октавы, «ре-бемоль» и «ре» второй октавы и «ми-бемоль» и «ми» третьей октавы. Схемы остальных шести (с девятого по четырнадцатый) генераторов тона системы нижнего выбирания звука построены аналогично.

Принятое построение блок-схемы позволяет использовать всего 14 генераторов тона для инструментов с любым музыкальным диапазоном без применения делителей частоты.
В данном инструменте каждый генератор тона используется в пределах октавы для получения двух звуков, высота которых разнится в полутон. Одновременное звучание таких звуков (интервал — «малая секунда») система верхнего выбирания обеспечивает в 50%, система нижнего выбирания — также в 50% . Поэтому при игре одной рукой интервал «малая секунда» можно получить всегда. При игре двумя руками упомянутый интервал получается, например, в аккорде правой руки, лишь в том случае, когда соответствующий генератор нижнего выбирания звука не занят аккордом левой руки. Последнее обстоятельство не ограничивает возможностей инструмента, так как звучание «малой секунды» производит неприятное секунды» производит неприятное действие на слух (диссонанс) и в музыкальных произведениях почти не встречается.
Принципиальная схема генераторов тона приведена на рис. 2. Генератор тона представляет собой несимметричный мультивибратор, собранный на двух транзисторах типа П-13 (П-15). Причем на транзисторах Т1 и Т2 собран первый генератор тона системы верхнего выбирания звука, а на транзисторах T3, T4 —- восьмой генератор системы нижнего выбирания звука. Диапазон частот мультивибратора широк, а форма выходного напряжения пилообразна. Кроме того, в таком мультивибраторе отсутствуют переходные процессы при изменении его частоты. Частота мультивибратора изменяется при замыкании клавишных контактов, включающих в цепь эмиттера транзистора Т1 (T3) сопротивления различной величины R1′, R2‘ …R6‘ (R1», R2‘‘ …R6»). Величины сопротивлений R1′, R2‘ …R6‘ и R1», R2‘‘ …R6» подбираются опытным путем при настройке инструмента.

Частотозадающая цепь первого генератора(транзисторы T1 и T2) представляет собой последовательную цепочку из сопротивлений, необходимая суммарная величина которых задается при замыкании соответствующего замыкающего (разомкнутого при не нажатой клавише) клавишного контакта. При замкнутом контакте K1′ (см. рис. 2) замыкание контактов K2′ … K15′ и т. д. не приведет к изменению величины сопротивления, включенного в цепь эмиттера транзистора Т1. В этом случае частота колебаний генератора тона будет определяться величиной сопротивления , задающего самый верхний звук генератора (верхнее, прямое выбирание звука). Частотозадающая цепь генератора нижнего выбирания (транзисторы T3 и Т4) состоит из параллельно включенных через размыкающиеся (замкнутые при ненажатой клавише) клавишные контакты сопротивлений R1», R2» .. R6» (схема предлагается автором). Размыкающиеся клавишные контакты K1”; K2» …K30” соединены последовательно. При ненажатых клавишах последовательная цепочка контактов K1”; K2» …K30” замкнута, выход генератора тона также замкнут накоротко; поэтому, несмотря на работу генератора тона, сигнал на входе манипулятора отсутствует. При нажатии какой-либо клавиши, например K2», выход генератора тона размыкается и колебания поступают на вход манипулятора. Частота колебаний генератора тона в этом случае определяется суммарной величиной параллельно включенных сопротивлений R2», R3’’, R4’’, R5» и R6″ . Если при нажатой клавише K2» нажать клавишу , то никакого изменения в величине сопротивления частозадающей цепи не произойдет, то есть частота колебаний генератора тона будет определяться нижней (K2») нажатой клавишей (нижнее, обратное выбирание звука).
Общая подстройка всех звуков, получаемых от первого и восьмого генераторов тона в пределах ±0,8 тона, осуществляется переменными сопротивлениями R8 и R16. Конденсаторы С3, С6 и сопротивления R12 и R18 являются элементами развязывающего фильтра в цепях коллекторов транзисторов генераторов, сопротивления R19 и R20 устраняют взаимное влияние генераторов тона.
Под каждой клавишей установлена группа контактов, состоящая из контактных пружин от реле. Одна пара контактных пружин K1′; К2’•••K30′ управляет частотой генераторов тона системы верхнего выбирания звука, другая (K1”; K2» …K30”) —-задает частоту колебаний генераторов тона системы нижнего выбирания звука. Кроме того, под каждой клавишей имеется импульсный K'» (проскальзывающий) контакт с кратковременным замыканием только при нажатии клавиши; он используется при работе манипулятора.
В описанных в литературе конструкциях электроинструментов для работы манипулятора используется обычно замыкающий контакт. В этом случае на каждую клавишу необходимо устанавливать отдельный манипулятор — отсюда громоздкость схемы. Применение общего манипулятора, реагирующего на появление сигнала при нажатии клавиши (см. книгу Л. Вингриса и Ю. Скрина «Любительские конструкции многоголосых электромузыкальных инструментов»), затрудняет и даже делает невозможной игру «легато», поскольку в таком устройстве при нажатии одной или нескольких клавиш манипулятор срабатывает и нажатие других клавиш уже не может заставить его сработать. Иными словами, следующие друг за другом, например, аккорды при исполнении «легато» будут звучать с уменьшающейся громкостью. Такой музыкальный оттенок является исключением и используется, например, иногда в концовке музыкальных произведений.
Импульсный контакт R'» позволяет выполнить один общий манипулятор для всего инструмента. Кратковременное замыкание импульсного контакта обеспечивает срабатывание манипулятора при нажатии клавиши в любом случае, то есть в независимости от того, имеются уже взятые клавиши или отсутствуют. Иными словами, манипулятор срабатывает при игре «стоккатто», «легато» и т. д. Клавиатура инструмента может быть любой конструкции в зависимости от возможности радиолюбителя. В описываемом инструменте клавиатура изготовлена из электротехнического картона (рис. 3). В листе картона толщиной 1мм (по размеру клавиатуры) согласно рис. 3,а делают прорези. Для четкой работы клавиатуры между клавишами необходимо сделать зазор около 1 мм. Под белыми 1 клавишами (см. рис. 3,6) для повышения жесткости приклеивают клеем БФ-2 полоску из фанеры. Деревянные выступы 3, черные клавиши 2 и все другие детали нужно склеивать клеем БФ-2 с последующей выдержкой склеенных частей при повышенной температуре в течение 7—10 мин. Черные клавиши окрашивают черной нит- роэмалевой краской, белые — или также окрашивают нитроэмалью, или поверх картона приклеивают полоски из белого органического стекла. К каждой клавише (как черной, так и белой) следует приклеить деревянный выступ 3, а к его нижней части гетинаксовую пластинку 4, свободный конец которой должен перемещаться внутри П-образной алюминиевой рейки 5. Для бесшумной работы клавиатуры в местах соприкосновения планки 4 с рейкой 5 приклеивают полоски из бархата или сукна

Контактные пружинки 8 должны быть отрегулированы таким образом, чтобы усилие, необходимое для нажатия, было одинаково для всех клавиш, то есть не должно быть тугих и слабых клавиш. Под каждой клавишей установлен импульсный контакт 15 (рис. 3,в), При движении клавиши вниз вспомогательный ударник 12, надавливая на выступ контактной пружины 13, замыкает контакт 15, который после прохождения ударником 12 выступа пружинки 13 размыкается. При возврате клавиши ударник 12 поворачивается вокруг своей оси, обходя выступ контактной пружинки, так что контакт 15 замкнуться не сможет. Для бесшумной и долговечной работы ударника на его конец, ударяющий в выступ контактной пружинки, приклеивают полоску из замши. Контакты клавиатуры необходимо тщательно экранировать общим металлическим экраном. Монтаж генераторов тона и провода, идущие от генератора тона к контактам клавиатуры, также необходимо экранировать
Радио №2/1966, ст.38
Колебания звуковой частоты от всех генераторов попадают на каскад манипуляции (рис. 4). Манипулятор выполнен на одной половине двойного триода лампы Л1а типа 6Н2П. При ненажатых клавишах лампа заперта отрицательным напряжением 8 в, поданным на ее управляющую сетку. Такое же напряжение подается и на конденсатор С7. При нажатии клавиши импульсный контакт замыкается и конденсатор С7 начинает разряжаться, в результате лампа отпирается и уровень звука нарастает (атака). Скорость нарастания звука определяется величиной сопротивления R26. Затем конденсатор С7 снова начинает заряжаться через большое сопротивление R21R23 Скорость затухания определяется постоянной времени заряда конденсатора С7 и может регулироваться включением сопротивлений R21, R22 ИЛИ R23.

С выхода манипулятора колебания звуковой частоты попадают на форматные фильтры. Включение того или иного тембра осуществляется при помощи переключателя П2. Резонансные частоты формантных фильтров равны 500 и 1000 гц. Величины емкостей конденсаторов С*10 и С*11 подбираются при настройке фильтров. В некоторых случаях при образовании тембра желательно в его гармонический состав ввести высшие гармоники, которые задерживаются формантными фильтрами. Для этой цели служит дифференцирующая цепочка С9 R28. Потенциометром R28 можно регулировать процент содержания в звуке высших гармоник.
С выходов фильтров звуковые колебания поступают на сетку второго триода лампы 6Н2П, на котором собран выходной катодный повторитель. Потенциометр R34 является регулятором громкости, он выполнен в виде ножной педали.
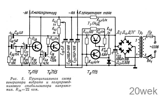
Транзисторная часть инструмента питается от стабилизированного выпрямителя (рис. 5), а лампа 6Н2П — от выпрямителя усилителя НЧ.

Намоточные данные трансформаторов и дросселей приведены в табл. 1. Генератор вибрато собран на двух транзисторах Т5, Т6 типа П-15. Напряжение с выхода генератора подводится к базе регулирующего транзистора Т8 стабилизатора напряжения. Работа генератора вибрато вызывает колебания напряжения на выходе стабилизатора, что приводит к изменению частоты колебаний генераторов тона, поскольку она зависит от питающего напряжения.

Двухканальный усилитель НЧ с выходной мощностью 15 вт смонтирован в виде отдельного блока. Схема усилителя здесь не приводится, радиолюбители могут ее выбрать по своему усмотрению.
Налаживание инструмента начинают с проверки работы электронного стабилизатора. Испытание схемы производят при отключенных генераторах тона и вибрато. Нагрузкой служит переменное сопротивление 5—10 ном с подключенным к нему постоянным сопротивлением величиной не менее 200 ом, так как электронный стабилизатор боится коротких замыканий. Стабилизатор должен обеспечивать постоянство выходного напряжения 11,5 в при изменении напряжения от 140 до 250 в и тока нагрузки от 0 до 200 ма. Если при увеличении напряжения сети напряжение на выходе стабилизатора уменьшается, то следует несколько увеличить сопротивление отрицательной обратной связи R46; при росте напряжения на выходе стабилизатора сопротивление R4б уменьшают.
Затем налаженный стабилизатор подключают к инструменту (при этом временное сопротивление нагрузки отключают) и приступают к подгонке режимов генераторов и их настройке.
Настройка производится по какому-либо хорошо настроенному музыкальному инструменту: аккордеон, фортепьяно и т. д. Она заключается в точном подборе величин сопротивлений R’1*; R’2* … R’6* и R»1*, R»2* … R»6*. Генератор вибрато должен быть при этом выключен, т. е. движок потенциометра R42 должен находиться в верхнем (по схеме) положении. Переменные сопротивления подстройки R8 и R16 генераторов тона верхнего и нижнего выбирания звука устанавливают в среднее положение. Для удобства настройки генераторов тона манипулятор отключают, замкнув конденсатор С7. В этом случае запирающее напряжение —8 в не будет подаваться на сетку лампы Л1 манипулятора и она будет работать, как обычный усилительный каскад НЧ.
Первоначально настраивают семь генераторов системы верхнего выбирания звука. Все их настраивают одинаково, поэтому рассмотрим порядок настройки первого генератора тона, для которого необходимо точно определить значения сопротивлений R`1*, R`2* … R`6* .
Первоначально вместо R1* ставят переменное сопротивление 5— 10 ком, последовательно с которым включают постоянное сопротивление 1,0—1,5 ком. При настройке подключаемую цепочку удобно соединить с общим земляным проводом, минуя контакты K1 и K`2 и т. д. Вращая ручку подключенного переменного сопротивления, устанавливают на слух по «эталонному» музыкальному инструменту частоту колебаний генератора тона, соответствующую звуку «ми» третьей октавы (1319 гц). Совпадение частот электроинструмента и инструмента, по которому производят настройку, определяют по отсутствию биений. Затем омметром измеряют требуемую величину сопротивления и по тому же омметру подбирают суммарную величину сопротивления частотозадающей цепи из постоянных сопротивлений типа ВС—0,25.
Иногда из имеющихся номиналов подобрать требуемое сопротивление не удается. Тогда первоначально берут немного большую величину сопротивления и затем параллельно ему подключают другое сопротивление.
Найдя R`1* приступают к определению величины R`2* (клавиша «ми-бемоль» третьей октавы). Далее аналогичным образом подбирают величины сопротивлений для верхних звуков остальных шести генераторов тона.
При определении величины R`1* наличие постоянного сопротивления в 1,0—1,5 ком обязательно. При пользовании только переменным сопротивлением в положении его движка, дающим нуль сопротивления, коллекторный ток транзистора Т1 может превысить предельное значение, что приведет к выходу из строя транзистора При определении величин сопротивлений R`2*; R`3* и т. д. можно пользоваться только переменным сопротивлением.
Настроив самые верхние звуки инструмента, приступают к подбору сопротивлений нижележащей октавы. Настройку нижележащих октав удобно производить, беря за исходные уже настроенные звуки верхней октавы электроинструмента.
Далее приступают к настройке генераторов тона системы нижнего выбирания звука. Порядок настройки аналогичен описанному выше, только для генераторов нижнего выбирания первоначально подбирают сопротивление R«6*, определяющее нижний звук генератора тона, затем выбирают R«5*, R«4* и т.д.
Частотозадающая цепочка генераторов тона системы нижнего выбирания звука состоит из параллельно включенных сопротивлений R«1*, R«2* …R«6*, поэтому нельзя задавать значение хотя бы одного из этих сопротивлений равным нулю. При определении величин сопротивлений R«4*, R«5* и т.д. необходимо пользоваться переменным сопротивлением с подключенным последовательно к нему постоянным сопротивлением 1—1,5 ком.
После настройки генераторов тона нужно приступить к регулировке генератора вибрато. Его регулировка заключается в получении необходимой частоты (5—7 гц) и амплитуды выходного напряжения. Регулировка частоты генератора вибрато производится переменным сопротивлением R36. Однако если требуемую частоту получить не удается, следует несколько изменить значения емкостей конденсаторов С17; С16 и сопротивлений R35; R39, определяющих частоту колебаний генератора вибрато. Наибольшая глубина вибрации подбирается изменением сопротивления R43, при этом движок переменного сопротивления R42 должен находиться в крайнем нижнем (по схеме) положении. При примененной схеме включения генератора вибрато (с действием на электронный стабилизатор напряжения) , амплитуда вибрации возрастает с ростом высоты звуков. Поэтому настройку генератора вибрато по амплитуде следует производить при нажатии самых верхних клавиш инструмента.
Правильно выполненный манипулятор регулировки не требует.
Подстройку электромузыкального инструмента под другой музыкальный инструмент удобно производить по первой октаве. Поэтому надписи на ручках переменных сопротивлений подстройки генераторов тона следует дать по первой октаве, т. е. на переменных сопротивлениях R8 и R16 первого и восьмого генераторов тона следует написать «до» и т. д.
Подстройку производят при отключенном генераторе вибрато. Задают по аккомпанирующему инструменту исходное «ля» первой октавы. Затем настраивают «ре» первой октавы, далее «ре» второй и «соль» первой. Так как «ре» второй октавы и «до» первой обеспечиваются одним генератором тона, то «до» первой октавы должно быть уже настроено. Проверяют интервал «до» — «соль» первой октавы и настраивают «до» второй октавы. Далее, беря за исходное «ля», проверяют настройку «ми» второй октавы и затем настраивают «ми» и «си» первой октавы. Критерием правильной настройки является верное звучание интервала «фа» первой и «до» второй октавы.





