ЛАМПОВЫЙ ВОЛЬТОММЕТР
Г. Кисель, Радио №1/1965, ст. 48
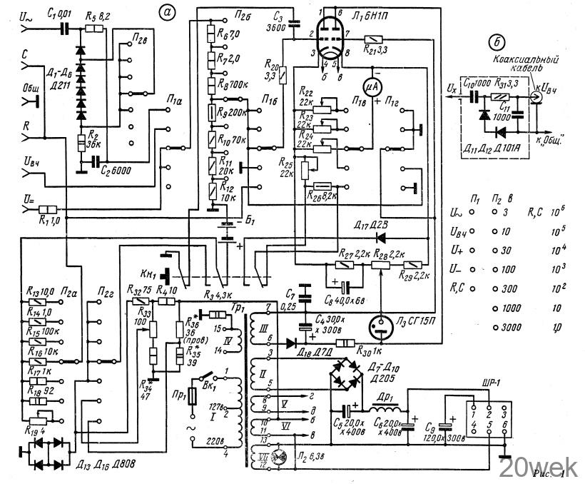
Прибор, принципиальная схема которого приведена на рис. 1, представляет собой универсальный ламповый вольтомметр, предназначенный для измерения постоянного и переменного напряжения, сопротивления, емкости.

Пределы измерения постоянного напряжения: 0—3—10—30—100— 300—1000—3000 в (первая отсчетная точка на шкале 3 в соответствует 0,05 в); переменного напряжения: 0 — 3 — 10 — 30 — 100—300—1000 — 3000 в эфф. (первая отсчетная точка на шкале 3 в соответствует 0,05 в); сопротивлений: 1—100 и 10—1000 ом; 0,1—10 и 1—100 ком; 0,01—1; 0,1—10 и 1—100 Мом; емкости: 100—1000 пф; 1000 пф — 0,01 мкф; 0,01—0,1; 0,1—1; 1—10; 100—1000 мкф. Прибор позволяет измерять переменное напряжение до 3000в в диапазоне частот от 50 гц—50 кгц и до 150 в в диапазоне 50 кгц—300 Мгц.
Погрешность измерения постоянного напряжения не превышает ± 1 % от верхнего предела каждой шкалы, переменного напряжения 10—30— 100—300—1000—3000 в— ±1%, а 0—3 в—±2% от верхнего предела каждой шкалы. При измерении сопротивления погрешность составляет не более ± 2% от измеряемой величины, а при измерении емкости — ±2%, а в пределах 10—100; 100— 1000 мкф — не более 10% от измеряемой величины. Предусмотрено измерение емкости электролитических конденсаторов
Входное сопротивление вольтом- метра при измерении переменного напряжения в диапазоне частот 50 гц—50 кгц—7 Мом; при измерении переменного напряжения в диапазоне частот 50 кгц— 300 Мгц не менее 9 Мом; при измерении постоянного напряжения — И Мом на всех пределах измерения.
Питается прибор от сети переменного тока частотой 50 гц напряжением 127 или 220 в ±10.
Прибор построен по мостовой схеме. Мост образован триодами лампы Л1 и сопротивлениями R27—R29. В диагональ моста включены микроамперметр и калибровочные сопротивления R22—R26 (ручка «калибровка»). Для коммутации калибровочных сопротивлений при переходе от одного вида измерения к другому служат переключатели П1B и П1г. Мост можно сбалансировать с помощью потенциометра R28, ось которого выведена на переднюю панель прибора и обозначена «нуль».
В качестве стрелочного индикатора можно использовать почти любой микроамперметр, чувствительность которого не хуже 500 мка. В данном случае использован прибор на 100 мка. Применяя приборы другой чувствительности, необходимо подобрать величины калибровочных сопротивлений R22-R26.
При равновесии моста потенциалы обоих катодов лампы Л1 одинаковы, ток через его диагональ не течет. При подаче на управляющую сетку левого триода измеряемого положительного напряжения ток левого триода возрастает, следовательно, возрастает и потенциал левого катода. В результате между катодами создается разность потенциалов, и через микроамперметр потечет ток, пропорциональный измеряемому напряжению.
Каскад на лампе Л1 собран по схеме катодного повторителя и охвачен глубокой отрицательной обратной связью по току. Поэтому шкала прибора линейна.
Напряжение смещения на управляющей сетке лампы Л1—2,6 в, так что в пределах полного отклонения стрелки микроамперметра лампа работает на линейном участке характеристики.
Измерение постоянного напряжения. Прибором можно измерять как положительное, так и отрицательное напряжение, не меняя местами измерительные щупы. Для этого необходимо только перевести переключатель П1 из положения «U + » в положение «U_».В этом случае измеряемое напряжение, поступающее на вход левого триода, сохраняет прежнюю полярность.
При измерении постоянного напряжения используется делитель напряжения R6—R12. Включенное последовательно с делителем сопротивление (1,0 Мом) способствует повышению входного сопротивления прибора.
При помощи сопротивления R28 стрелку прибора«можно устанавливать в середине шкалы, что удобно при налаживании частотного детектора УКВ ЧМ приемника или телевизора.
Измерение переменного напряжения. Переключатель П1 переводят в положение «U~». Делитель напряжения R6—R12 тот же, что и при намерении постоянного напряжения. Измеряемое напряжение частотой от 50 гц до 50 кгц прикладывается к гнездам «U~» и «общ». Для выпрямления переменного напряжения служит кремниевый диод Д1.
При измерении напряжения в пределах 1000 в и 3000 в к диоду Д1 подключают пять диодов Д211, так как обратное напряжение диода Д211 600 в. Последовательно с ними включено сопротивление R2, играющее роль нагрузки для диодов в отрицательный полупериод.
Для настройки прибора в этом режиме используется калибровочное сопротивление R22
Измерение напряжения ВЧ. Если измеряемое напряжение имеет частоту выше 50 кгц (50 кгц—300 Мгц), то на результате измерения начинает сказываться влияние входной емкости прибора и измерительных щупов. Поэтому для измерения напряжения ВЧ применяется высокочастотный пробник, собранный на кремниевых диодах Д101А (рис. 1,6). Он соединяется с прибором посредством высокочастотного кабеля с двухполюсной вилкой на конце, которая вставляется в гнезда «Uвч» и «общ.». Переключатель П1 переводят в положение «Uвч», а общий провод источника напряжения ВЧ соединяют с корпусом измерительного прибора дополнительным щупом.
Для калибровки прибора в этом случае используется сопротивление R23. Делитель напряжения тот же, что и в предыдущих случаях (R6— R12.).
Необходимо помнить, что максимальное напряжение ВЧ, которое можно измерить с помощью пробника, не должно превышать 150 в, иначе диод Д101А выйдет из строя.
Измерение сопротивлений. При измерении сопротивлений переключатель П1 ставят в положение «R», а измеряемое сопротивление с помощью щупов подключают к гнездам «R» и «общ.». В этом случае прибор работает как вольтметр постоянного тока.
Не подключая измеряемого сопротивления и замкнув накоротко входные гнезда, с помощью сопротивления R25, ручка которого выведена на переднюю панель и обозначена «калибровка R и С», калибруют прибор (устанавливают стрелку на ∞).
При измерении малых сопротивлений (менее 100 ом), когда по измеряемому сопротивлению и эталонным сопротивлениям делителя протекают значительные токи (до 0,5 а), необходимо принимать во внимание внутреннее сопротивление самой батареи омметра Б1. .
Поэтому эталонные сопротивления делителя на пределах измерения X10 и х1 значительно отличаются от расчетных (вместо 100 ом — 92 и вместо 10— менее 5).
Измерение емкости. При измерении емкости переключатель П1 переводят в положение «С» и нажимают кнопку Кн1. Ручкой «калибровка» устанавливают стрелку прибора на нуль шкалы емкостей, а ручкой «нуль» балансируют мост, как и во всех предыдущих случаях. Конденсатор, емкость которого требуется измерить, включают между гнездами «С» и «общ.».
Источником переменного напряжения служат соединенные последовательно две накальные обмотки (VI и VII) Tp1. Напряжение, снимаемое с этих обмоток, стабилизировано с помощью кремниевых стабилитронов Д808 (Д13—Д16). ‘
Стабилизированное переменное напряжение (8 в) подключается к делителю R13—R19 кнопкой Кн1 вместо напряжения батареи Б1.
Эта кнопка одновременно отключает шунтирующий конденсатор Сз в цепи сетки левого триода, подключает параллельно микроамперметру детектор Д17, а также калибровочное сопротивление R29 (последовательно с R25).
В режиме измерения емкости прибор работает как ламповый вольтметр переменного напряжения. Он измеряет падение напряжения на емкостном сопротивлении Сх. Это сопротивление (Сх) включается последовательно с одним из известных сопротивлений цепи R13—R19 и образует с ним делитель напряжения.
При измерении емкости в пределах 10—100 мкф и 100—1000 мкф ток потребления значительно возрастает (до 1,5 а). В обоих случаях напряжение на Сх подается с делителей Rзз—R34 или R35—R36. Величины сопротивлений этих делителей особенно тщательно подбирают при настройке прибора в соответствии со шкалой емкостей на каждом пределе измерения.
Блок питания состоит из силового трансформатора Тр1 и двух независимых выпрямителей. Однополу- периодный выпрямитель, выполненный на диоде Д18, питает собственно ламповый вольтомметр. Выходное напряжение этого выпрямителя стабилизировано с помощью стабилитрона Лз. Второй выпрямитель собран по двухполупериодной мостовой схеме на диодах Д7—Д10. Его можно использовать для питания других измерительных приборов. В описанном вольтомметре он не используется
Радио №6/1965, ст. 63






