КВАРЦЕВЫЙ ГЕНЕРАТОР ПОВЫШЕННОЙ МОЩНОСТИ
Г. Чикин, Радио №6/1966, ст.36
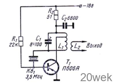
При конструировании ВЧ генераторов различного назначения иногда возникает необходимость стабилизации частоты задающего каскада с относительно большим уровнем генерируемой мощности. Кварцевый генератор, принципиальная схема которого приведена на рисунке, выполнен на транзисторе П-606А и при напряжении на коллекторе транзистора —18 в генерирует синусоидальное напряжение, развивая мощность 0,8—1,0 вт. Катушка L1 наматывается на керамическом каркасе диаметром 30 мм в один слой с принудительным шагом голым посеребренным проводом диаметром 1 мм и содержит 12 витков с отводом от второго витка, считая от заземленного (по высокой частоте) конца.

Включение кварца по приведенной схеме несколько улучшает стабилизацию частоты. Генерируемое ВЧ напряжение снимается с катушки Z2, которая наматывается на каркасе катушки L1 проводом ПЭВ 0,5 в один слой виток к витку, на расстоянии 4 мм от катушки L1 и содержит 4—5 витков.
Налаживание генератора сводится к подбору величины коллекторного тока Iк 100 ма и настройке контура на частоту 0,95 fкв (fкв — частота кварца). Затем к катушке L2 присоединяют индикаторную лампу 6,3 v\0,28 а и конденсатор C1 подстраивают по максимальному свечению лампы. Для улучшения формы генерируемого напряжения и увеличения устойчивости генерации- иногда требуется включить между коллектором и эмиттером транзистора конденсатор емкостью 20—100 пф





