Кварцевый фильтр для SSB
Г. ЗВЕРЕВ, Радио №7/1966, ст.19
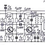
Как известно, SSB — возбудитель значительно упрощается, если использовать в нем кварцевый фильтр, настроенный на частоту выше 1 Мгц, На рис. 1 приведена схема фильтра с четырьмя кварцами. При работе на частотах до 2—3 Мгц такой фильтр позволяет получить подавление второй боковой полосы до 40—50 дб. Схема фильтра предельно проста, и, если в распоряжении любителя есть пять-шесть кварцев на одну и ту же частоту, изготовить его может каждый.

Прежде чем изготовлять фильтр, необходимо подобрать для него кварцы. Для подбора кварцев нужно собрать устройство, блок-схема которого изображена на рис. 2. В этом устройстве частота кварцевого генератора, в котором устанавливается один из кварцев, предназначенных для фильтра, сравнивается с частотой диапазонного генератора и пригодность кварца определяется по полученным биениям. В качестве диапазонного генератора используется прибор ГСС-6. Можно собрать для этой цели специальный узкодиапазонный генератор, перекрывающий с некоторым запасом полосу пропускания будущего фильтра. Градуировки он может не иметь вовсе, но необходима довольно высокая стабильность частоты. Кварцевый генератор может быть собран по любой схеме.

Для получения биений используется любой преобразовательный каскад на многосеточной лампе. На гетеродинную сетку лампы преобразователя подается напряжение от кварцевого генератора, а на управляющую — выходное напряжение диапазонного генератора. В анодную цепь лампы включается резистор величиной порядка 200 ком.
Если есть осциллограф, частоту биений определяют по фигурам Лис- сажу с помощью градуированного звукового генератора. Если осциллографа нет, можно воспользоваться еще одним преобразователем и определять равенство частоты биений и частоты звукового генератора по нулевым биениям между ними.
Изготовление фильтра надо начать с измерения разноса частот последовательного и параллельного резонансов в каждом из имеющихся кварцев. Измерения надо проделать несколько раз, стараясь определить резонансные частоты с точностью до 10-20 гц.
Чтобы по схеме, изображенной на рис. 1, можно было изготовить фильтр с достаточной для SSB полосой пропускания, разнос частот обоих резонансов у всех кварцев должен быть более 1000 гц. Обычно это условие удовлетворяется. В противном случае надо уменьшить емкость кварцедержателя, если это возможно, или собирать фильтр по другой схеме.
Затем необходимо при помощи того же устройства (рис. 2) проверить отсутствие у всех кварцев заметных паразитных резонансов ближе 20-30 кгц от основного. Если паразитные резонансы есть, но выражены слабее основного на 20 дб п выше, а также не совпадают у разных кварцев по частоте, они не будут ухудшать работу фильтра.
Теперь нужно отложить два кварца, имеющие равные частоты последовательных резонансов, а два других перестроить на более высокую или более низкую частоту. Хорошего способа понизить частоту кварца в любительских условиях не существует. Один из них — пропиливание канавок в боковых гранях. При этом, однако, ухудшается температурная стабильность кварца и могут появиться паразитные резонансы. Лучше повышать частоту кварцев. Если они металлизированы, это достигается осторожным стиранием части металлического покрытия (равномерно по всей площади) при помощи обыкновенной красной (так называемой чернильной) резинки. Чтобы не сломать кварц при стирании металлопокрытия, его надо положить на ровную твердую поверхность. Если кварцы не металлизированы, повышать частоту надо шлифовкой их пластин самой мелкой (микронной) шкуркой. Шлифовать нужно, двигая пластинку по шкурке, но не наоборот. Следует помнить, что иногда достаточно 2—3 движений пластины по шкурке, чтобы повысить частоту кварца на 1000 гц, В процессе перестройки кварцевых резонаторов нужно возможно чаще контролировать частоту их последовательного резонанса.
Чтобы получить фильтр с оптимальной для работы на SSB полосой пропускания (2500 гц), необходимо перестроить последовательные резонансы двух кварцев на 1800 гц. При этом перед перестройкой кварцы должны иметь разнос последовательного и параллельного резонансов не менее 2000 гц. Если в результате проделанных вначале измерений выяснилось, что разнос резонансов меньше 2000 гц, но больше 1000 гц, кварцы перестраивают на 0,9 величины разноса частот. Полоса пропускания фильтра в таком случае будет меньше 2500 гц, но все же достаточной, чтобы разборчивость передаваемой речи не пострадала.
Катушка L1 фильтра помещается в сердечнике типа СБ-3 и имеет отвод от средней точки. Для того чтобы обе половины обмотки были возможно более одинаковыми, а это очень валено, намотку ведут в два провода, а затем конец одного из них соединяют с началом другого, получая таким образом средний вывод. Величина индуктивности L1 должна быть такой, чтобы при емкости конденсатора С3, равной 15-20 пф, образовавшийся контур был настроен на среднюю частоту полосы пропускания фильтра. Указать точные намоточные данные катушки L1 не представляется возможным, так как средняя частота может быть различной.
Фильтр собирают на пластинке из изоляционного материала, располагая кварцы так, чтобы слева и справа от катушки было по одному кварцу с большей частотой (на рис. 1 кварцы Кв1 и Кв4 с большей, а Кв2 п Кв3 — с меньшей частотой). Подстроечные конденсаторы С1 и С2, показанные на рис. 1, на первом этапе настройки фильтра не подключаются.
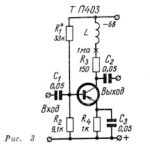
Настройка собранного фильтра производится следующим образом. На вход фильтра подают напряжение от диапазонного генератора (ГСС-6 или другого), а к выходу подключают чувствительный ламповый вольтметр или приемник так, как показано на рис. 3. Если в качестве индикатора будет применен приемник, то, чтобы иметь возможность снимать частотную характеристику фильтра, нужно поставить ступенчатый аттенюатор на входе приемника и проградуировать его S — метр. При использовании в качестве диапазонного генератора прибора ГСС-6 можно определять затухание по его аттенюаторам, поддерживая постоянным уровень сигнала на входе приемника. В любом случае надо иметь возможность измерять ослабления от 0 до 60 дб с точностью 1—2 дб.

Кварцевый фильтр должен быть согласован как с генератором, так и с индикатором. Для согласования служат резисторы R1 и R2 (см. рис. 3). Величина сопротивления резистора Л2 должна быть равна характеристическому сопротивл ению фильтра. Если выходное сопротивление диапазонного генератора достаточно мало, следует устанавливать резисторы R1 и R2 с одинаковыми сопротивлениями, в противном случае сопротивление R1 должно быть соответственно меньше R2. Так как характеристическое сопротивление фильтра заранее неизвестно, первоначально берут R2=2 ком. Резистор R3 — развязывающий, поэтому сопротивление его всегда должно быть значительно больше, чем у R2.
Присоединив к фильтру приборы, снимают по точкам частотную характеристику фильтра в диапазоне +- 5кгц от середины полосы пропускания. Поочередным подбором конденсатора С3 фильтра и резисторов R1 и R2 добиваются того, чтобы характеристика в полосе пропускания стала возможно более плоской. Допустимы небольшие провалы в 1-2 дб.
Скаты полосы пропускания на этом этапе настройки будут довольно пологими. Для увеличения крутизны параллельно более высокочастотным кварцам включаются небольшие конденсаторы. При этом, однако, по обе стороны от полосы пропускания фильтра появляются «хвосты» — пологие подъемы на его частотной характеристике, снижающие подавление второй боковой полосы.
Чтобы получить возможно более крутые скаты при допустимой величине «хвостов», сначала подключают только один из шунтирующих кварцы конденсаторов, например, С1. Величину емкости конденсатора подбирают такой, чтобы затухание на «хвостах» было на 40-|-45 дб больше, чем в полосе пропускания. Обычно это достигается при емкости равной 5—10 пф. Затем включают конденсатор С2, добиваясь уменьшения величины «хвостов». Емкость С2 должна быть примерно на 3—5 пф меньше, чем С1.
Правильно настроенный фильтр должен иметь на характеристике четыре точки «бесконечного» затухания: по две выше и ниже полосы пропускания. «Хвосты», расположенные выше полосы пропускания по частоте, должны быть равной величины. Если после подбора конденсаторов С1 и С2 характеристика фильтра в полосе пропускания станет менее плоской, надо еще раз подобрать резисторы и R2. На этом настройка фильтра заканчивается. Остается заключить его в экран и еще раз проверить частотную характеристику.
Высокочастотный скат полосы пропускания фильтра, в котором применены одинаковые кварцы, получается более крутым, поэтому лучше формировать с помощью такого фильтра нижнюю боковую полосу, получая верхнюю при преобразовании частоты в последующих каскадах. Затухание фильтра в полосе пропускания получается порядка 10 дб. Это следует учесть при проектировании возбудителя
На рис. 4 приведена характеристика фильтра на частоту 2 Мги, настроенного по описанной методике. Его характеристическое сопротивление оказалось равным 1000 ом, индуктивность L1 — 265 мкгн, емкость С3 — 56 пф, С1 — 12 пф, С2 — 9 пф. Разнос частот кварцев Кв2, Кв3 и Кв1, Кв4 — 1800 гц.

В заключение необходимо напомнить, что в возбудителе, в котором будет работать изготовленный фильтр, выходное сопротивление балансного модулятора и входное сопротивление следующего за фильтром каскада должны быть чисто активными и равными характеристическому сопротивлению фильтра.





