Кварцевые генераторы на 144—146 Мгц
В. Леонтьев, Радио №10/1964, ст. 21
Задающие генераторы передатчиков на диапазон 144—146 Мгц должны иметь высокостабильную частоту, так как при последующем умножении любая нестабильность возрастает. Лучше всего применять для этого диапазона задающие генераторы с кварцевой стабилизацией. В таблице перечислены кварцы, которые можно применять в этих генераторах, используемые гармоники кварцев и порядок последующего умножения частоты до 144—146 Мгц.

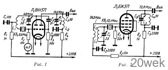
Практические схемы задающих генераторов показаны на рис. 1 и 2. Контур L1С2 генератора по рис. 1 настроен на пятую гармонику кварца (9,6 МгцхЬ = 48 Мгц). Каскад дальнейшего утроения частоты (48×3 = 144 Мгц) построен на правом (по схеме) триоде лампы 6Н15П. Катушка L1 намотана на керамическом ребристом каркасе диаметром 10 мм, длиной 30 мм, с шагом 2 мм. Она содержит 9 витков медного посеребренного провода диаметром 1 мм с отводом от четвертого витка, считая от нижнего (по схеме) конца катушки. Катушка L2 намотана без каркаса на оправке диаметром 14 мм медным посеребренным проводом диаметром 1 мм с шагом 3,5 мм. Она содержит 4 витка.

В генераторе по рис. 2 контур L1С1 настроен на третью гармонику кварца 12,1 Мгц (36,3 Мгц). Катушка L2 служит для связи. Анодом генератора является экранирующая сетка лампы 6Ж5П. В анодной цепи лампы происходит удвоение до частоты 72,6 Мгц. Контур LзСз в анодной цепи лампы настроен на эту частоту. Для того, чтобы передатчик работал в нужном диапазоне (на частоте 145,2 Мгц), необходимо установить дальнейший удвоитель на отдельной лампе. Катушки генератора намотаны на керамических ребристых каркасах диаметром 10 мм и длиной 37 мм с шагом 2 мм. Катушка L1 содержит 12 витков медного посеребренного провода диаметром 0,8 мм. Катушка связи L2 намотана проводом ПЭЛ-0,2 на том же каркасе на расстоянии 5 мм от L1 и имеет 4 витка. Катушка Lз содержит 7 витков медного посеребренного провода диаметром 1 мм





