Конвертер на 144—146 Мгц
В. Юрко, Радио №6/1965, ст. 18
Конвертер, описание которого приводится в этой статье, при работе совместно со связным КВ приемником 3 класса позволяет проводить двухсторонние связи на равнинной местности с радиостанциями, удаленными на расстояние более 150 км.
Днепропетровские и криворожские радиоспортсмены применяли такие Конверторы на очных всесоюзных украинских соревнованиях по УКВ спорту. При этом были достигнуты наибольшие дальности связей 214 км (на Всесоюзных соревнованиях) и 260 км (на Всеукраинских соревнованиях). В стационарных условиях связи проводились на расстояниях до 500 км
Конвертер прост по конструкции, может быть легко повторен и несложен в настройке. При измерениях чувствительности приемных устройств с такими конвертерами коэффициент шума был не выше 2,7, а при индивидуальной подстройке по наименьшему уровню шумов снижался до 1,9—2,0 (при испытаниях конвертеров эффективная полоса пропускания приемного устройства в целом была равна 3 кгц).
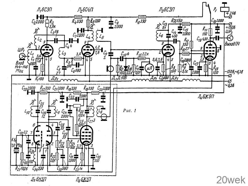
Схема (рис. 1). Конвертер имеет один каскад усиления ВЧ, преобразователь, гетеродин и буферный каскад. В нем применены шесть ламп. Каскад усиления ВЧ собран по каскодной схеме на лампах 6СЗП (Л1) и 6С4П (Л2). Связь с антенной — автотрансформаторная. Катушка L1 входная емкость лампы Л1 и монтажные емкости образуют колебательный контур, настроенный на 145 Мгц, Контур, образованный катушкой нейтрализации L2 совместно с проходной емкостью лампы Л1-настраивается на среднюю частоту диапазона. Этот контур представляет собой большое сопротивление для усиливаемых частот и уменьшает связь между сеткой и анодом лампы Л1 через проходную емкость, повышая этим устойчивость усилителя. Для согласования сопротивления нагрузки R2 лампы Л1 с низким входным сопротивлением каскада, выполненного на лампе Л2, применен П- фильтр, который образован катушкой L3 и конденсаторами С5С4, выходной емкостью лампы Л1 входной емкостью лампы Л2 и монтажными емкостями. Сопротивление R2 шунтирует П-фильтр по переменному току. П-фильтр настроен на середину диапазона. Нагрузкой лампы Л2 является контур, образованный катушкой L4, выходной емкостью лампы Л2 и монтажными емкостями.

Односеточный преобразователь на лампе 6СЗП (Л3) не имеет особенностей. Напряжение принимаемого сигнала поступает с выходного контура L4 усилителя ВЧ на сетку лампы Л3 через катушку связи L5. В анодную цепь лампы преобразователя включен контур L6C13, настроенный на промежуточную частоту (18— 20 Мгц). Этот контур шунтирован сопротивлением R9, величина которого определяет полосу пропускания конвертера по ПЧ.
Гетеродин конвертера собран на двух лампах. Его задающий генератор на левом (по схеме) триоде лампы 6НЗП (Л5) стабилизирован кварцем. В анодной цепи этого триода установлен контур L10С25, настроенный на третью гармонику частоты кварца. В каскаде на правом триоде лампы Л5 производится дальнейшее утроение частоты, а в выходном каскаде на лампе 6Ж1П (Л6) частота удваивается. Выходное напряжение гетеродина с контура L7С27через катушку связи L8 и конденсатор С9 подается на сетку лампы Л3 преобразователя. Переменное сопротивление R20 позволяет подобрать нужную величину этого напряжения, а индикаторное устройство, состоящее из деталей C10C11Д1R15R16 и микроамперметра на 50 мка— проконтролировать его.
Для лучшего согласования выхода конвертера с входом связного КВ приемника (что особенно важно при установке конвертера непосредственно на антенне) в конвертере применен апериодический усилитель ПЧ, собранный на лампе 6Ж9П (Л4). Нагрузкой этого каскада служит сопротивление R11, равное волновому сопротивлению кабеля, соединяющего конвертер и приемник.
Ввиду того, что все контуры конвертера имеют широкую полосу пропускания, охватывающую весь диапазон 144—146 Мгц, в конвертере отсутствуют органы настройки на принимаемую станцию. Контакты реле Р1 отключают усилитель ВЧ на время передачи.
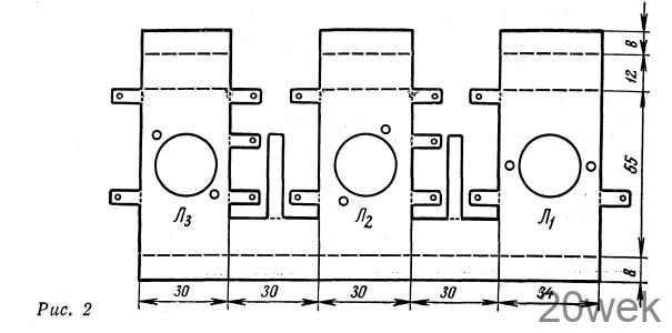
Конструкция. Конвертер собран на шасси из меди или латуни толщиной 14-1,5 мм и размерами 400X х70Х55мм. Все лампы расположены в одну линию. На шасси установлена перегородка, отделяющая гетеродин от остальных каскадов. Для уменьшения длины соединительных проводов и более рационального монтажа деталей конвертера панели ламп Л1, Л2, и Л3 размещены на отдельном медном шасси (субпанели), которое укрепляется в подвале основного шасси. Развертка субпанели показана на рис. 2, а конструкция основного шасси и монтажная схема конвертера — на четвертой странице вкладки. На монтажной схеме отсутствуют микроамперметр, сопротивления R4R6R15 и конденсаторы С11С25 С26. Микроамперметр, сопротивление R15 и конденсатор С11 укреплены на отдельной стойке, а конденсаторы С25С26 и сопротивления R4R6 не показаны, чтобы не загружать схему. Последовательный фильтр в анодной цепи гетеродина (R17—R19, С20—С23) смонтирован по схеме, несколько отличающейся от принципиальной. На работу гетеродина это не влияет. Намоточные данные катушек приведены в таблице. Катушка L8 соединяется с деталями преобразовательного каскада отрезком кабеля РК-150.



Налаживание конвертера начинают с проверки монтажа. Настройку всех контуров ведут с помощью генераторов стандартных сигналов ГСС-б, ГСС-7 и лампового вольтметра В КС-7. Сначала настраивают контуры гетеродина следующим порядком: временно удаляют кварц Kв1 и включают на его место генератор ГСС-7. Ламповый вольтметр подключают к сетке правого (по схеме) триода лампы 6НЗП (Л5). Устанавливают на ГСС-7 частоту третьей гармоники кварца Кв1 и, вращая сердечник катушки L10, настраивают контур L10C25 по максимальным показаниям лампового вольтметра. Затем отпаивают конденсатор С28 от анода левого (по схеме) триода лампы Л5 и подключают к нему ГСС-7, а ламповый вольтметр — к управляющей сетке лампы 6Ж1П (Л6) и настраивают контур L9С26 на частоту девятой гармоники кварца. После этого настраивают контурную катушку L7 на 18-ю гармонику кварца, подсоединив ГСС-7 к отпаянному от анода правого триода лампы Л5 конденсатору С29, а ламповый вольтметр — к месту присоединения конденсатора С9, сопротивления R7 и кабеля от катушки L8. Гетеродин можно настраивать также по максимальным показаниям прибора собственного индикаторного устройства конвертера, не вынимая кварц Кв1 из его гнезда. Полное отклонение стрелки микроамперметра индикаторного устройства (чувствительностью 50 мка) соответствует примерно 5 в эфф ВЧ напряжения.
Контуры усилителя ВЧ настраивают следующим образом: отсоединяют от ламп гетеродина (Л5 и Л6) анодное и накальное напряжения, а также кабель катушки L8 от сопротивления R7 и конденсатора С9, присоединяют ГСС-7 к входному разъему ШР-1 устанавливают на генера торе частоту 145 Мгц и, настраивая катушки L1L3L4, добиваются максимальных отклонений микроамперметра собственного индикаторного устройства конвертера. После этого восстанавливают соединения гетеродина, подсоединяют конвертер к связному КВ приемнику, устанавливают по микроамперметру индикаторного устройства потенциометром R20 напряжение гетеродина около 3-4 в (по шкале микроамперметра 30—40 мка) и пробуют прослушать сигналы ГСС-7. Затем проверяют настройку контурной катушки L2. Для этого следует отсоединить накал лампы Л1, подать на входной разъем ШР1 напряжение с частотой 145 Мгц, и подстроить катушку L2 по минимальным показаниям прибора—индикатора, включенного на выход связного КВ приемника. АРУ приемника во время подстройки должно быть выключено. В заключение проверяют частотную характеристику всего тракта (конвертера с подключенным приемником). В случае необходимости изменяют полосу пропускания конвертера по ПЧ путем подбора сопротивления R9 в пределах, указанных на схеме. Если имеется генератор шумов, то следует подобрать напряжение гетеродина, режимы ламп усилителя ВЧ и место отвода от катушки L1 по минимуму коэффициента шума. В правильно настроенном конвертере коэффициент шума не должен превышать 2,5 единиц





