Комбинированный приемник
Н. КРАВЦОВ, Радио №3/1967, ст.33
Приемник собран на пятнадцати транзисторах. Для приема любительских радиостанции в приемнике имеются три коротковолновых диапазона: 28,0—28,5 Мгц (10 м); 21,0—21,45 Мгц (14 м); 14,0—14,35 Мгц (20 м); для приема программ радиовещательных станций — два коротковолновых диапазона: 11,7—11,9 Мгц (25 м); 9,5—9,7 Мгц (31 м) и средневолновый — 520—1520 кгц (195—570 м).

Реальная чувствительность приемника на СВ — не хуже 1,2 мв/м, на всех КВ диапазонах — не хуже 10 мкв (при отношении сигнал/шум не менее 20 дб). Избирательность по соседнему каналу в диапазоне СВ — 30 дб, в КВ диапазонах — 40 дб. Ослабление зеркального канала: на СВ — не менее 26 дб, на КВ — не менее 16 дб.
АРУ обеспечивает изменение напряжения на выходе приемника не более 6 дб при изменении напряжения входного сигнала на 60 дб. Полоса пропускания высокочастотной части (на уровне 0,7) — 14 кгц. Полоса частот, воспроизводимых усилителем НЧ — 150-10000 гц, номинальная выходная мощность — 120 мвт. Промежуточная частота — 465 кгц. Приемник питается от аккумулятора 7Д-0,1 или батареи «Крона». Ток, потребляемый в режиме покоя, 6 ма.
Внешние габариты приемника 170X102X35 мм, вес — 650 г.
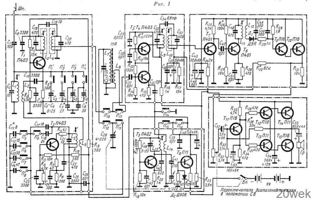
Принципиальная схема приемника приведена на рис. 1. Для удобства монтажа и настройки приемника все детали размещены на 6 платах, четыре из них находятся в специальных экранах, что предотвращает возможность самовозбуждения приемника при сравнительно высокой чувствительности на диапазонах КВ.

На плате 1 размещены смеситель и гетеродин диапазонов КВ, и при необходимости третий гетеродин для приема телеграфных сигналов. На принципиальной схеме (рис. 1) он не показан.
Смеситель КВ собран по схеме с общей базой на транзисторе Т1 типа П403. Напряжение сигнала и гетеродина подается в цепь эмиттера с катушек связи L2, L6. Такая схема включения транзистора повышает устойчивость работы смесителя на КВ.
Входной контур KB имеет емкостную связь с телескопической антенной. Полоса пропускания контура на всех КВ диапазонах (на уровне 0,7) 300-400 кгц, и поэтому в пределах диапазона контур не перестраивается. При переходе на диапазон 14 м параллельно входному контуру подключается конденсатор С3; 20 м — С4; 25 м — С5, С7 н 31 м — C6, С8.
В цепь коллектора T1 в качестве нагрузки, включен контур L3С15, который вместе с контуром L4С20 и конденсатором связи С19 образует полосовой фильтр, полоса пропускания которого на уровне 0,7 — 14 кгц.
Гетеродин КВ собран на транзисторе Т2 по схеме с индуктивной автотрансформаторной связью. Число витков катушки связи и место отвода от катушки контура выбираются так, чтобы генерация во всех коротковолновых диапазонах была устойчивой. Оптимальное условие преобразования частоты выполняется при напряжении гетеродина 80-100 мв. С целью повышения устойчивости работы гетеродина за счет ослабления связи с контуром, а также для предотвращения генерации паразитных частот, в цепь коллектора и эмиттера включены резисторы R4, R7. Перестройка частоты в диапазонах КВ осуществляется одной секцией конденсатора переменной емкости С28 с включенными последовательно конденсаторами С17 (10, 14, 20 м) и С18 (25, 31 м), а также подключением параллельно контуру L5С21 конденсаторов С11 (14 м); С12 (20 м); С13 (25 м) и С14 (31 м).
Питание смесителя и гетеродина КВ осуществляется от стабилизатора напряжения, выполненного на транзисторе Тб типа П11, обеспечивающего практически неизменное напряжение питания (2,5 в) при понижении напряжения источников питания до 4 в. Принцип действия стабилизатора основан на том, что коллекторный ток мало зависит от изменения коллекторного напряжения при условии, что ток базы постоянен. Ток базы стабилизирован кремниевым стабилитроном типа Д808, включенным в прямом направлении, ток через стабилитрон выбран 0,5 ма.
Величина стабилизированного напряжения (2,5 в) определяется резистором В22, включенным в цепь эмиттера транзистора T6. Конденсаторы С39 и С40 служат для фильтрации стабилизированного напряжения.
На плате 2 собран смеситель диапазона СВ, в котором использованы два транзистора типа П403 (Т3, Т4), включенные по каскодной схеме с последовательным питанием.
Гетеродин СВ собран на плате 3 (транзистор Т5 типа П402) по схеме с индуктивной автотрансформаторной связью. Контур гетеродина L13С38 перестраивается второй секцией КПЕ (С44).
При работе на диапазонах КВ, катушка связи гетеродина СВ закорачивается переключателем П14 и каскодный смеситель превращается в каскодный усилитель ПЧ. Применение такой схемы, а также согласование контура Д10С33 со входом апериодического усилителя ПЧ, собранного на транзисторе T7, позволяет создать второй полосовой фильтр, обеспечивающий совместно с фильтром L3C15 и L4C2O высокую избирательность по соседнему каналу в диапазонах КВ. Контуры L9C32 и L10С33 настроены на частоту 465 кгц.
На плате 4 собраны усилитель ПЧ, детектор и усилитель АРУ. Транзистор T10 и конденсатор С45 вынесены на пятую плату. Напряжение АРУ, снимаемое с резистора R31 подается в цепь базы транзистора Т7.
Третий каскад усилителя ПЧ собран на транзисторе Т8 типа П401. Нагрузкой этого каскада служит контур L11С48, полоса пропускания которого равна 40 кгц, вследствие чего на общую избирательность приемника он не влияет.
Детектирование сигнала осуществляется при помощи диода Д1 типа Д9А. В цепь детектора включен П- образный фильтр С49, С50, R39.
Так как входное сопротивление составного триода Т9, Т10 (П16), довольно высокое (порядка сотен ком), то трансформатор последнего каскада усилителя ПЧ L11, L12 можно сделать повышающим (1 : 2), что позволяет повысить напряжение ПЧ на детекторе и снимать с него напряжение НЧ с малыми нелинейными искажениями. Низкое выходное сопротивление усилителя АРУ хорошо согласуется с низким входным сопротивлением усилителя НЧ.
На плате 6 собран усилитель НЧ по обычной схеме с бестрансформа- торным выходом, который нагружен на громкоговоритель типа 0,1 ГД-6.
Прием радиостанций в диапазоне СВ осуществляется на магнитную антенну МЛ. Колебательный контур входной цепи в диапазоне СВ состоит из катушки L7 и конденсаторов С27 и С28. При приеме на СВ выключается цепь питания транзисторов смесителя и гетеродина КВ и включается цепь питания транзистора гетеродина СВ. Одновременно конденсатор С35 отключается от «земли», и напряжение гетеродина с катушки связи L14 подается в цепь эмиттера транзистора T4.
Конструкция и детали. В приемнике использованы в основном готовые детали: резисторы типа УЛМ или МЛТ-0,25, конденсаторы типов КЛС и ЭМ. Конденсатор переменной емкости 4-220 пф от приемника «Гауя». Подстроечные конденсаторы С3—C6— типа КП КМ емкостью 6-25 пф, а С27 и С28 —5-20 пф.
Катушки входных и гетеродинных контуров коротковолновых диапазонов L1L2 и L5L6 намотаны на самодельных каркасах из органического стекла диаметром 5 мм и высотой 10 мм. Они настраиваются сердечниками Ф-100. Катушки L7 и L8 входного контура СВ намотаны на плоском ферритовом стержне марки Ф-600 размерами 85X15X3 мм, а катушки L13, L14 гетеродинного контура СВ — на сердечнике СБМ.
В качестве телескопической антенны для диапазонов КВ использована антенна от приемника «Спидола», каждое колено которой укорочено до 100 мм.
Намоточные данные всех катушек приведены в табл. 1.

В приемнике могут быть применены транзисторы типа П403 (T1— T4) с коэффициентом усиления В от 20 до 50; транзисторы типа П401 (T7, Т8) с В от 30 до 80; применение указанных транзисторов с коэффициентом В более 50 и 80 соответственно нежелательно, так как чувствительность приемника достаточно высока и это может привести к его самовозбуждению.
Транзисторы типа П16 •(T12, T15) и П11 (T13, T14) в целях уменьшения нелинейных искажений должны иметь примерно одинаковые коэффициенты усиления В. Могут быть применены транзисторы с В в пределах 15—40
В качестве C7, C8, C11-C14 желательно применять керамические конденсаторы типа КТМ, с малым ТКЕ.
Корпус-шасси приемника имеет конструкцию несколько отличную от применяемых обычно радиолюбителями. Он выполнен из дюралюминия и имеет сотовую структуру — ячейки, в которые помещаются функциональные узлы. Такая конструкция обеспечивает отличную экранировку и позволяет легко настроить приемник.
В приемнике применен самодельный переключатель диапазонов кулачкового типа, на шесть положений, фиксация происходит через 60°. Он имеет 16 контактов, которые обеспечивают коммутацию всех диапазонов. Последовательность включения контактов переключателя видна из табл. 2.

Монтажная схема приемника и конструкция каркасов для катушек КВ и магнитной антенны приведены на 4-й странице вкладки.

Налаживание приемника лучше производить на отдельных платах, начиная с платы УНЧ. Подключив источник питания, необходимо подобрать величину резистора R38 так, чтобы напряжение между коллекторами и эмиттерами транзисторов T14 и Т15 было одинаковым и составляло половину напряжения источника питания, а ток покоя всего усилителя НЧ не превышал 1,5 ма. При указанных на схеме значениях величин резисторов, УНЧ обеспечивает выходную мощность 200 мBт при подаче на вход напряжения 0,2 в. Завал характеристики на частоте 150 гц не должен превышать 6 дб, в противном случае нужно увеличить емкость конденсатора С55. На этом налаживание усилителя НЧ заканчивается.
Затем приступают к настройке усилителя ПЧ и АРУ. Сначала подбирают режим транзисторов по постоянному току, предварительно заземлив базу транзистора T7 через резистор величиной 10 ком.
Режим транзисторов T9, и T10 устанавливается автоматически, при этом напряжение на резисторе R31 будет порядка 3,5-4,5 в. Вместо постоянного резистора R30 на время налаживания УПЧ целесообразно использовать переменный резистор в 200 ком. Изменяя его величину, подбирают коллекторный ток транзистора T7 (1 ма).
Режим транзистора Т8 устанавливают подбором величины резистора R26 так, чтобы его коллекторный ток был равен 0,8—1,0 ма. После этого настраивают контур L11C48 на частоту 465 кгц. Для этого в цепь базы транзистора Т7 подают с генератора напряжение в 100 мкв (при 30% модуляции), измеряя напряжение НЧ на резисторе R31. Величина этого напряжения должна быть порядка 0,2 в.
Затем проверяют действие системы АРУ. Для этого напряжение на входе увеличивают в 1000 раз (до 0, 1 в), при этом напряжение на выходе должно изменяться не более чем в два раза (6 дб). Если выходное напряжение увеличивается более чем в два раза, необходимо либо увеличить коллекторный ток транзистора Т7, либо заменить его на транзистор с более высоким коэффициентом В.
Режим работы каскодного преобразователя T3, Т4 устанавливают подбором величины резистора R11 так, чтобы коллекторный ток был равен 0,4—0,5 ма. Настройка контуров. L9С32 и L10С33 производится в следующем порядке: напряжение от генератора с частотой 465 подают через конденсатор в 0,01 мкф в цепь базы транзистора T4 (при этом нижний по схеме конец конденсатора С35. должен быть заземлен). Напряжение на выходе измеряется между отводом контура и «землей». Чтобы исключить влияние контура L10С33 на настройку контура L9С32, необходимо катушку L10 зашунтировать резистором в 1 ком, и настроить контур L9С32 в резонанс; затем таким же образом нужно зашунтировать катушку L9 и настроить контур Л10С33.. После настройки необходимо определить полосу пропускания фильтра: она должна быть порядка 12—14 кгц на уровне 0,7. Если полоса пропускания фильтра окажется больше этой величины, следует уменьшить величину конденсатора связи С34 и настройку повторить снова.
Налаживание гетеродина СВ начинают с установки режима стабилизатора напряжения. Для этого, изменяя величину резистора R22, необходимо получить напряжение на резисторе R23 величиной 2,5 в, Режим гетеродина устанавливается автоматически, и подбора величины резисторов не требуется. В случае срыва генерации в низкочастотной части диапазона, величину конденсатора обратной связи С42 необходимо увеличить до 1000 пф.
Окончательная настройка и сопряжение приемника (при предварительной настройке отдельных плат, описанной выше) производится обычным способом. Об этом неоднократно рассказывалось на страницах журнала «Радио».
Режим работы смесителя КВ (T1) устанавливают подбором резистора R1, при этом коллекторный ток должен быть равен 0,5 ма, а напряжение на коллекторе —2,25 в. Полосовой фильтр L3С15 и L4C20 настраивается на частоту 465 кгц указанным выше способом. Следует указать, что транзистор должен быть малошумящим и перед установкой его необходимо проверить.
Коллекторный ток (1,2 ма) транзистора Т2 гетеродина КВ устанавливают подбором резистора R5. Величина напряжения гетеродина, подаваемого в цепь эмиттера Т1 должна быть порядка 100 мв, Настройка коротковолновых диапазонов производится в следующем порядке;
10-метровый диапазон. Напряжение 0,1 в, частотой 28,25 Мгц (середина 10 м диапазона), с ГСС подается в цепь эмиттера Т1 через конденсатор в 100 пф. Напряжение ПЧ контролируется при помощи лампового вольтметра или осциллографа между отводом катушки L4 и «землей». Ротор конденсатора переменной емкости (КПЕ) устанавливается в среднем положении. Емкость- конденсатора С17 берется равной 20 пф. Вращением сердечника катушки L5 необходимо добиться появления напряжения ПЧ.
Поворотом оси КПЕ от 0 до максимума, а также изменением частоты ГСС в некоторых пределах определяются границы полученного диапазона. Если они будут находиться в пределах 28,25 ±0,6 Мгц, значит настройка произведена правильно. В случае, если ширина диапазона частот будет превышать 1,2 Мгц, то величину конденсатора С17 следует уменьшить, если же наоборот — увеличить. После подбора конденсатора С17 сердечник катушки L5 приклеивается клеем БФ-4 и он в дальнейшей настройке не участвует.
14-метровый диапазон. При среднем положении ротора KПЕ подбором величины конденсатора С11 устанавливается средняя частота, диапазона (21,2 Мгц). Аналогично настраивается 20-метровый диапазон (средняя частота 14,2 Мгц). На этом диапазоне следует проверить полосу частот, перекрываемых гетеродином. Если полоса частот равна 0,35 Мгц и находится в пределах 14,0-14,35 Мгц, то все диапазоны настроены правильно. В случае же, если она окажется меньше, то следует увеличить емкость конденсатора С17, повторив настройку снова, при этом ширина полосы частот 10 м диапазона несколько увеличится.
Средняя частота диапазона 31 м (9,5—9,7 Мгц) устанавливается подбором величин конденсаторов С14 и С18, а 25 м (11,7—11,9 Мгц) — конденсатора С13.
После настройки гетеродина КВ необходимо настроить входной контур L1C2. Настройку необходимо производить при весьма слабой связи. На 10 м диапазоне контур настраивается при помощи сердечника на среднюю частоту 28,25 Мгц. На остальных диапазонах (14, 20, 25, 31 м) настройка на среднюю частоту осуществляется подстроечными конденсаторами С3-Сб и конденсаторами С7, С8.
Закончив настройку приемника, необходимо произвести градуировку шкалы и изготовить ее любым доступным способом,
Для приема телеграфных сигналов в любительских диапазонах 10, 14 и 20 м предусмотрен третий гетеродин, схема которого приведена на рис. 2. Напряжение гетеродина, снимаемое с катушки связи L1б подается в цепь базы транзистора Т8. Включение и выключение гетеродина можно осуществлять двухполюсным выключателем.

