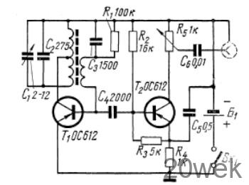
Измерительный генератор ПЧ
Радио №10/1964, ст.53
С помощью этого генератора можно снимать частотную характеристику полосовых или кварцевых фильтров. Частотный диапазон его 450—510 кгц. Напряжение, снимаемое с потенциометра R5, изменяется в пределах 3—1300 мв. Если необходимы меньшие значения напряжения, то используется выносной делитель напряжения. Общее потребление тока прибором — 1,5—2 ма. При умелом монтаже размеры генератора вместе с ящиком 90X 105X45 мм.

От редакции: транзистор ОС612 можно заменить П13—П15





