ИЗМЕРИТЕЛЬ ЕМКОСТИ
А. Ведеркин, Радио №4/1965, ст. 51
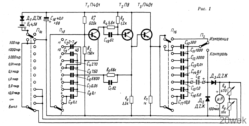
Прибор, принципиальная схема которого приведена на рис. 1, предназначен для измерения емкостей конденсаторов в пределах 0— 10 мкф. В этих пределах шкала прибора линейна. Кроме того, прибор имеет нелинейную шкалу 0—оо, последняя точка отсчета которой 400 мкф. Прибором можно измерять емкость электролитических конденсаторов, а короткие замыкания в испытуемых конденсаторах ему не страшны.

По схеме измеритель емкости представляет собой генератор прямоугольных импульсов, собранный на транзисторах Т1—Т2. Конденсатор Сх, емкость которого требуется измерить за время равное длительности импульса, заряжается через транзистор Т3 и диод Д2 до напряжения 4,5 в. Во время промежутка между импульсами он разряжается через сопротивления R7-R9, диод Д3 и микроамперметр.. Ток разряда зависит от емкости конденсатора Сх.
При переключении пределов измерения (П2 в положении «контроль») устанавливают необходимый предел измерения с помощью переменных сопротивлений R9 (вплоть до предела 1,0 мкф) и R8 (от 1,0 мкф и выше). При измерении больших емкостей переключателем П1а закорачивают сопротивление R9, чтобы за период паузы между импульсами конденсатор Сх успел разрядиться.
Если переключатель П1 стоит в положении оо, конденсатор Сх включается последовательно с эталонным конденсатором С17. Одновременно с выключением прибора рамка микроамперметра замыкается накоротко.
Конструкция и детали. Прибор смонтирован на гетинаксовой панели размерами 150X195 мм. В качестве стрелочного индикатора использован микроамперметр М-24 чувствительностью 100 мка. Переключатель П1 — это несколько видоизмененный трехплатный переключатель ЗН11П на 11 положений. Его переделка заключается в том, что подвижный контакт первой платы П1а пропиливают против контакта 12, а подвижный контакт третьей платы П1в~ против контакта 11. Лепестки контактов 11 обеих плат заменяют более длинными. Таким образом добиваются того, что во всех положениях переключателя П1а, кроме 1, и во всех положениях переключателя П1в кроме 1 и 2, контакты 11и 12 замкнуты между собой подвижным контактом (рис. 2). На рис. 1 переключатели П1а и П1в изображены условно.

Выводы конденсатора С2 припаяны непосредственно к контактам 10 и 7 переключателя П1б, а базовый вывод транзистора Т1— непосредственно к его контакту 12. Конденсаторы С1о—С17 могут быть любого типа, желательно первого класса точности (с отклонением от номинала ±5%) и с хорошим ТКЕ.
Коэффициент усиления по току В транзисторов П401 должен лежать в пределах 20—60, П8—20—80.
Налаживание и градуировка. Правильно собранный прибор начинает работать сразу. Налаживание в основном сводится к подбору величины сопротивления R1
Вместо R1 впаивают переменное сопротивление 1 Мом и, постепенно уменьшая его величину, добиваются полного отклонения стрелки прибора в диапазоне 0—500 пф. После этого переменное сопротивление заменяют постоянным соответствующей величины. Следует учесть, что чрезмерное уменьшение величины сопротивления может привести к нарушению линейности шкалы.
При измерении емкостей в пределах 0—500 пф в показание прибора входит не только измеряемая емкость, но и собственная монтажная емкость прибора, которую можно измерить при отключенной Сх. Поэтому ее следует вычесть из показания стрелочного прибора.
Нелинейную шкалу рекомендуется градуировать, пользуясь формулой


Сх— измеряемая емкость в микрофарадах.
В таблице приведены значения токов для некоторых величин емкостей.
На лицевой панели прибора под зажимами Сх необходимо указать полярность для правильного подключения электролитических конденсаторов.
Класс точности прибора определяется суммой классов точности микроамперметра и эталонных конденсаторов.





