ГРОМКОГОВОРЯЩИЙ ДЕТЕКТОРНЫЙ ПРИЕМНИК
М. Перлов, Радио №9/1964, ст. 61
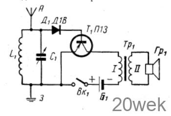
Детекторный приемник с усилителем на одном транзисторе обеспечивает громкоговорящий прием на трансляционный громкоговоритель радиовещательных станций ДВ и СВ диапазонов на расстоянии 50—70 км при использовании наружной антенны длиной 40 я, с высотой подвеса 8 м, и заземления. Схема приемника приведена на рисунке. В приемнике можно применить транзисторы типа П13—П16 или П401— П403 с коэффициентом усиления В от 30 и выше. В качестве источника питания можно применить любой источник постоянного тока напряжением 1—5 в. Расход энергии настолько незначителен, что при использовании, например, батареи КБС-Л-0,5, ее практически хватает на целый год работы приемника.

Катушка антенного контура намотана на каркасе из прессшпана диаметром 80 мм и длиной 180 мм, Она содержит 280 витков провода ПЭЛ-0,8, намотанных виток к витку, и имеет 10 отводов. Можно применить и деревянный каркас, пропитанный парафином.
Конденсатор настройки С1 имеет максимальную емкость 490 пф. Описанный приемник в течение ряда лет эксплуатируется на расстоянии 65 км от Москвы (ст. Кубинка) и обеспечивает громкоговорящий прием всех московских ДВ и СВ радиостанций.
Радио №1/1965, ст. 63






