ГИР на транзисторе
(Радио №1/1963 ст.58)
ГИР (гетеродинный индикатор резонанса) давно известен радиолюбителям. Он может быть использован в качестве гетеродина или волномера, работающего на поглощение (абсорбционный волномер).
За последнее время в ГИРах стали широко применяться транзисторы.
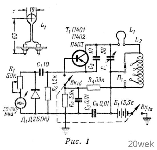
Описываемый ГИР собран на одном транзисторе (см. рис. 1.), в футляре ГИРа размещается также батарея питания.

Диапазон частот, перекрываемый ГИРом, от 5,8 до 59 Мгц (катушка L2) разбит на шесть поддиапазонов 5,8—9; 7,2—11; 10—16,5; 16—27; 26—41; 37—59 Мгц. ГИР помещается в футляре, изготовленном из тонкого листового алюминия, размеры футляра 50 X 75 X 130 мм.
Катушка намотана на полистироловом каркасе диаметром 19 мм и длиной 31 мм. На каркасе размещены 37 витков с отводами от 15 23 29 и 33 витка (считая от конца катушки, соединенного с сопротивлением R4). Провод ПЭЛ 0,6, шаг намотки 0,85 мм. Для того чтобы витки катушки не сбивались, после намотки они покрываются полистиролом, растворенным в бензоле.
Ротор конденсатора С5 с шасси непосредственно не соединяется. Шкала этого конденсатора градуируется через 1 или 0,5 Мгц.
При градуировке ГИРа его катушку L1 состоящую из одного витка провода ПЭ 1,2—1,5 (размеры приведены на рисунке), связывают с контуром приемника, частота которого известна. Сопротивление R1 ставят в среднее положение и с помощью конденсатора переменной емкости С5 добиваются минимального показания измерительного прибора ГИРа. В том случае, если контур, служащий для градуировки ГИРа, имеет низкую добротность, резонанс будет расплывчатым. Меняя расстояние между ГИРом и эталонным контуром, надо добиться острого резонанса.
(По материалам «Радио и Телевизия», № 8, 1962 г.)





