Генератор-усилитель для магнитофона
Радио №8/1965, ст. 58
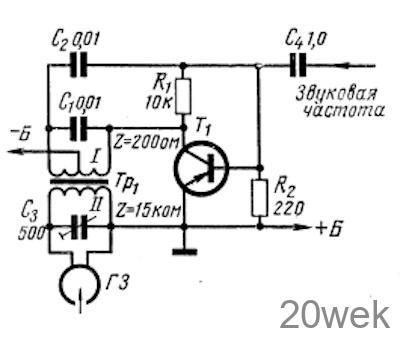
На рисунке приведена схема устройства на одном транзисторе Tv которое используется одновременно как генератор напряжения подмагничивания, усилитель звуковой частоты и смеситель сигнала звуковой частоты с сигналом подмагничивания. Генерируемая частота составляет около 30 кгц и зависит от величин индуктивности первичной обмотки трансформатора и емкости конденсатора С1 Напряжение звуковой частоты смешивается с напряжением подмагничивания в первичной обмотке трансформатора Тр1, записывающая головка включена в цепь вторичной обмотки Тр1 Амплитуда напряжения подмагничивания, поступающего на записывающую головку, зависит от величины емкости конденсатора С3

Радио №3/1966, ст.63






