ГЕНЕРАТОР ПРЯМОУГОЛЬНЫХ КОЛЕБАНИЙ
Г. Говор, Радио №10/1965, ст.29
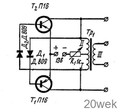
Предлагаемый генератор позволяет получить колебания, близкие к прямоугольным. Его принципиальная схема приведена на рисунке.

Если к зажимам 13 в приложить напряжение указанной на схеме полярности, то один из транзисторов, например Т1, открывается и через обмотку I, II трансформатора Тр1 протекает ток. Если числа витков обмоток I и II одинаковы, то величина эдс, индуцированной в обмотках, равна напряжению, приложенному к обмотке I. В этом случае к стабилитрону Д1 приложено удвоенное напряжение питания. Д1 открывается, и ток, протекающий через него, поддерживает транзистор Т1 открытым. Поскольку сопротивление транзистора при этом мало по сравнению с сопротивлением других элементов, то напряжение между коллекторами транзисторов определяется напряжением отпирания стабилитрона. В связи с этим наклон площадки импульсов выходного напряжения генератора весьма незначительный. Как только наступит магнитное насыщение сердечника трансформатора, индуктивность обмотки I уменьшается, это приводит к возрастанию тока через транзистор Т1 и, следовательно, к увеличению потенциала на его коллекторе. Одновременно с этим эдс в обмотке уменьшается до величины, не превышающей пробивного напряжения стабилитрона. Стабилитрон Д1 запирается. В результате этого транзистор Т1 закрывается, а Т2 открывается. В дальнейшем процесс повторяется. Выходное напряжение в виде однополярных прямоугольных импульсов снимается непосредственно с коллекторов транзисторов, а прямоугольное напряжение — с выходной обмотки III трансформатора Тр1.
Частота прямоугольных колебаний определяется временем перемагничивания сердечника трансформатора. При постоянном напряжении питания частоту генерации можно плавно регулировать с помощью сопротивления R1, изменяющего величину намагничивающего тока.
Обмотки трансформатора Тр1 намотаны на тороидальном сердечнике из кремниевой стали. Внешний диаметр тороида 13 мм, внутренний — 9 мм, высота — 6 мм. Обмотки I и II имеют одинаковое число витков (по 300 витков провода ПЭЛШО 0,1). Если сердечник изготовлен из пермаллоя 50НП, то число витков обмоток I и II уменьшается до 200.
Описанный генератор прямоугольных колебаний позволяет получить прямоугольные импульсы со спадом площадки не более чем на 0,5% при длительности 0,5 мсек и фронтах 0,1—0,2 мсек.
Уход частоты выходного импульсного напряжения при изменении температурных условий незначителен, поскольку транзисторы работают в режиме переключения.
