ЭЛЕКТРОННЫЙ МЕТРОНОМ
В. КУЗЬМИН, Радио №7/1966, ст.53
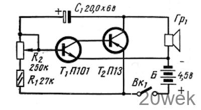
Простой электронный метроном с частотой следования импульсов от 20 до 250 в минуту собран по схеме несимметричного мультивибратора на двух транзисторах разной проводимости, что позволило уменьшить количество входящих в схему деталей.

Нагрузкой транзистора Т2 является звуковая катушка малогабаритного громкоговорителя Гp1 с сопротивлением 3—10 ом (0,1 ГДЗ, 0,1 ГД6 и др.).
Налаживание правильно собранного метронома заключается в подгонке границ диапазона частоты импульсов. При увеличении емкости конденсатора С1 понижается низшая частота диапазона, при уменьшении сопротивления резистора R1 повышается наивысшая частота.
Установку любой частоты генерации в пределах выбранного диапазона производят при помощи потенциометра R2, имеющего шкалу, градуированную по частоте. Градуировку шкалы производят по механическому метроному.
В качестве транзистора Т1 может быть применен транзистор любого типа с п-р-п проводимостью (П8— П11 или П101—П103), транзистор Т2—П13—П16. Оба транзистора могут иметь коэффициент усиления В в пределах 20—35. Питание прибора производят от батареи для карманного фонаря КБС-0,5 или трех элементов ФБС- 0,25. Прибор потребляет ток около 6 ма





