Детектор для SSB
Радио №11/1965, ст.61
Все большее число любителей используют однополосную модуляцию, которая в отличие от обычных способов модуляции имеет небольшую ширину полосы и малую чувствительность к помехам. Однако преимущества SSB модуляции можно полностью использовать только в том случае, если на приемной стороне все сделано для улучшения отношения сигнал/помеха.
К сожалению, простейший SSB демодулятор, диодный детектор которого работает как смеситель, имеет серьезные недостатки. Кроме смешивания SSB сигнала с частотой второго гетеродина, происходит еще и детектирование помехи. В таком демодуляторе детектируются все сигналы независимо от их частот, что может привести к явлению перекрестной модуляции, если имеются сильные помехи.
Этих недостатков лишен балансносмесительный детектор. Все помехи, частота которых сильно отличается от частоты полезного сигнала, на выходе не появляются при условии, что . разность между частотами помехи и второго гетеродина лежит за пределами частотного диапазона усилителя НЧ. Кроме того, балансно-смесительный детектор довольно прост в налаживании.
До последнего времени в специальной литературе можно было ознакомиться лишь с ламповыми схемами балансно-смесительных детекторов. Здесь же описан транзисторный вариант такого детектора.

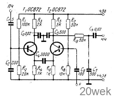
SSB сигнал снимается с последнего контура ПЧ и через конденсатор С1 подводится к базе транзистора Т1, включенного по схеме с общим коллектором. Он играет роль буферного каскада. С выхода последнего сигнал через конденсатор С4 поступает на эмиттер транзистора Т2, который работает как смеситель. SSB сигнал смешивается здесь с частотой второго гетеродина. На коллекторе смесителя возникает напряжение НЧ, которое в дальнейшем усиливается усилителем НЧ приемника.
Фильтр C5R9C7 является развязывающим по высокой частоте. Делитель напряжения С1С2 ослабляет входное напряжение ВЧ сигнала до 100 мв, в противном случае в буферном каскаде может произойти демодуляция, которой следует избегать по упомянутым выше причинам. Емкость С2 надо выбирать в зависимости от параметров приемника. Напряжение НЧ на выходе от 50 до 100 мв.
При налаживании балансно-смесительного детектора SSB станцию настраивают по максимальному отклонению стрелки S-метра, а усилитель ВЧ отсоединяют. Регулируют частоту второго гетеродина до тех пор, пока не добиваются безукоризненного качества звучания. Если при отключении второго гетеродина исчезает сигнал НЧ, следует увеличить емкость С2 или уменьшить усиление ВЧ.
ОТ РЕДАКЦИИ. Транзисторы ОС872 можно заменить на П403.





