ЧЕТЫРЕХДОРОЖЕЧНЫЙ МАГНИТОФОН
Ю. Горцев, Радио №9/1965, ст. 38
Основные технические данные
Магнитофон предназначен для записи и воспроизведения речевых и музыкальных передач. Запись можно вести с микрофона, звукоснимателя, радиоприемника, телевизора, трансляционной линии. Скорость движения носителя записи — 4,76 см/сек. В магнитофоне применена четырехдорожечная система записи. Продолжительность звучания записи на одной дорожке — 70 мин, при применении кассет, вмещающих 200 м магнитной ленты. Лентопротяжный механизм работает от одного двигателя типа ЭДГ-1М. Коэффициент детонации — менее 1%. Выходная мощность усилителя НЧ— 2 вт. Полоса звуковых частот, воспроизводимых усилителем при использовании ленты типа 6, лежит в пределах 40—6000 гц. Уровень шумов при тщательном налаживании магнитофона — около 35 дб
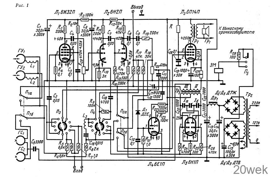
Электрическая схема усилителя магнитофона
Усилитель магнитофона универсальный. Он выполнен на пяти лампах пальчиковой серии, три из них работают непосредственно в усилителе, а две другие выполняют роль высокочастотного генератора и оптического индикатора уровня записи (рис. 1). Переключение рода работ производится галетным двухплатным переключателем П3, П4 и тумблером П2а, П2б.

Первый каскад усилителя собран на пентоде типа 6Ж32П. Эта лампа обладает серьезными преимуществами перед обычными приемно-усилительными лампами: низким уровнем собственных шумов, слабым микрофонным эффектом и другими.
Анодной нагрузкой лампы первого каскада служит сопротивление R1, с которого усиленный сигнал через конденсатор С4 и потенциометр R29 подается на управляющую сетку лампы второго каскада усилителя. С целью уменьшения числа деталей, чувствительных к переменным магнитным и электростатическим полям, частотную характеристику первого каскада корректировать не следует. В выходном каскаде также нецелесообразно вводить элементы частотной коррекции — это привело бы к перегрузке предварительных каскадов. Остаются 2-й и 3-й каскады усилителя; именно в них и приходится вводить цепи частотной коррекции.
В режиме записи входной сигнал с микрофона, звукоснимателя или радиоприемника через делитель входного напряжения, образованный сопротивлениями R5, R6, R7, попадает на вход первого каскада. Усиленное напряжение снимается с анодной нагрузки первого каскада и через потенциометр R29, служащий регулятором уровня записи, поступает на вход второго каскада, собранного на левом (по схеме) триоде лампы 6Н2П. Большое усиление второго каскада позволяет ввести глубокую отрицательную, обратную связь, улучшающую качественные показатели работы усилителя. С анодной нагрузки второго каскада сигнал поступает на управляющую сетку лампы третьего каскада, собранного на правой половине лампы 6Н2П. Анодная нагрузка этого каскада невелика, потому что работает он при большом уровне входного сигнала.
Коррекция частотной характеристики осуществляется цепью комбинированной отрицательной обратной связи. Во-первых, напряжение обратной связи снимается с выхода третьего каскада и подается в цепь второго каскада. Эта обратная связь не является частотно-зависимой и снижает нелинейные искажения. Кроме того, второй каскад охвачен частотно-зависимой отрицательной обратной связью по току. Параллельно катодному сопротивлению включен последовательный резонансный контур C16L3. На резонансной частоте (7—8 кгц) этот контур имеет минимальное эквивалентное сопротивление, определяемое главным образом активным сопротивлением катушки L3. Обратная связь в этом случае минимальна, а усиление каскада — максимально. Подъем частотной характеристики на резонансной частоте контура достигает 2 дб.
С выхода третьего каскада напряжение сигнала через стабилизирующее сопротивление R16 подается на универсальную головку и далее через фильтр на вход индикатора уровня записи.
Одновременно с низкочастотным сигналом на универсальную головку через регулирующий конденсатор подается напряжение подмагничивания с высокочастотного генератора. Генератор собран по двухтактной схеме с емкостной обратной связью, на двойном триоде 6Н1П. Симметричная форма колебаний такого генератора благоприятно сказывается на уменьшении нелинейных искажений сквозного канала и снижении уровня шумов носителя записи. Стирающая головка подключается к генератору через конденсатор, с помощью которого она настраивается в резонанс с частотой (около 60 кгц) генератора.
На управляющую сетку оконечного каскада, собранного на выходном пентоде 6П14П, сигнал поступает через переменное сопротивление R20, которое является регулятором громкости слухового контроля. В режиме воспроизведения работают те же каскады, что и при записи. Подъем частотной характеристики в области низших звуковых частот (6 дб/окт) создается цепочкой отрицательной обратной связи C18R17. С понижением частоты емкостное сопротивление конденсатора С18 возрастает, что приводит к уменьшению глубины отрицательной обратной связи и увеличению коэффициента усиления на низших звуковых частотах. На частоте 30 гц подъем частотной характеристики в области низших звуковых частот доходит до 26 дб.
Подъем в области высших звуковых частот, компенсирующий щелевые потери головки, создается тем же резонансным контуром С1б R3 и составляет 10—12 дб. Затухание в контур вносится сопротивлением R8, которое способствует снижению уровня «белого шума». Потенциометр R20 является регулятором тембра высших звуковых частот.
По несколько необычной схеме собран выпрямитель магнитофона. Он состоит из двух последовательно соединенных выпрямителей — высоковольтного и низковольтного. Анодные цепи ламп первого и второго каскадов питаются через развязывающие фильтры R3C1 и R12C6 устраняющие вероятность возбуждения на низших частотах и улучшающие фильтрацию анодного напряжения. Напряжение на экранирующую сетку лампы Л3 подается через сопротивление 1 ком.
Конструкция и детали усилителя магнитофона
Конструктивно усилитель выполнен на отдельной панели толщиной 2 мм (см 1-ю страницу вкладки). На этой панели закреплены трансформаторы, электролитические конденсаторы, ламповые панельки, га- летный переключатель, катушка коррекции, трансформатор высокочастотного генератора и монтажные планки. Панель прикреплена к плате лентопротяжного механизма при помощи четырех стоек высотой 65 мм.

Силовой трансформатор взят от радиолы «Рекорд-53». Для использования в магнитофоне из него следует удалить обмотку накала кенотрона и уложить вместо нее обмотку низковольтного выпрямителя, содержащую 180 витков провода ПЭВ 0,27. Переключатель рода работ П3, П4— двухплатный, на пять положений (используются четыре его положения), а переключатель П2а, П2б — тумблер типа ТВГ. Оба они крепятся к плате лентопротяжного механизма спомощыо скобы. Магнитные головки применены от магнитофона «Яуза-10».
Для снижения уровня фона к заземленному выводу каждой половины универсальной головки подключены специальные антифонные катушки L1 и L2. Монтаж ведется с применением «земляной» шины, которая присоединяется к панели в одной точке — около лампы первого каскада; ни в коем случае нельзя использовать для общего «земляного» провода панель. При монтаже применены малогабаритные детали — конденсаторы типов БМ, МБМ, КЛС, ЭТО; сопротивления типов МЛТ-1, МЛТ-0,5, МЛТ-0,25, УЛМ. При монтаже нужно стремиться к минимальной длине всех соединительных проводов, и по возможности сопротивления и конденсаторы соединять собственными выводами.
Корпусы конденсаторов БМ и МБМ следует заземлить. Для изготовления провода, идущего от универсальной магнитной головки, берут два тонких многожильных провода, например типа МГШД. Эти провода перевивают возможно чаще, затем на них надевают хлоровиниловую трубку, на которую натягивают металлический экранирующий чулок. Монтаж сеточных и анодных цепей ламп первых каскадов ведут с применением обычного экранированного провода. Одним из концов металлической оплетки экранированные провода присоединяются к «земляной» шине.
Переключатель дорожек П1а, П1б расположен рядом с универсальной головкой. Магнитные головки вместе с переключателем дорожек дополнительно экранируются алюминиевой крышкой толщиной 0,5 мм, устраняющей наводки на оголенные концы головок и переключателя. Катушка корректирующего контура намотана на каркас из органического стекла (см. рис. на вкладке) проводом ПЭВ 0,14 до заполнения каркаса. Катушка трансформатора высокочастотного генератора помещена в горшкообразный сердечник из карбонильного железа типа СБ-5А. Расположение обмоток указано на 1-й странице вкладки. Анодная обмотка содержит 2X200 витков провода ПЭВ 0,15, обмотка стирания — 50 витков провода ПЭВ 0,25 и обмотка подмагничивания — 180 витков провода ПЭВ 0,1. Выходной трансформатор используется от телевизора «Беларусь-5» или любой другой, рассчитанный на работу с лампой 6П14П и нагрузку 3,5 ома. Вторичная обмотка выходного трансформатора нагружена на два параллельно соединенных громкоговорителя типа 0,2 ГД-1 или на один выносной типа 4 ГД-1.
Радио №9/1966, ст.61






