АВТОМАТИЧЕСКИЙ ТЕРМОРЕГУЛЯТОР ПОВЫШЕННОЙ ЧУВСТВИТЕЛЬНОСТИ
Б. Коренное, В. Савинов, Радио №11/1965, ст.26
В настоящее время нашей промышленностью выпускаются полупроводниковые терморегуляторы типа ПТР-2. Эти регуляторы предназначены для автоматического поддержания температуры в холодильных установках, устройствах кондиционированного воздуха, в химической промышленности для поддержания определенной температуры в газах, жидкостях и т. п.
Диапазон регулируемых температур от —30° до 4-50° С, но точность срабатывания этого терморегулятора составляет 0,5° С.
В то же время для соблюдения технологического процесса часто требуется поддерживать температуру с точностью до 0,1° С и выше. Выпускаемые для этой цели электронные потенциометры и мосты являются сложными и дорогими устройствами, и поэтому их применение не всегда экономически целесообразно.
В самом простейшем случае автоматическая регулировка температурного режима производится путем периодического включения нагревательного (или охлаждающего) устройства. Точность такого способа регулирования зависит прежде всего от чувствительности термодатчика и всего устройства. Кроме того, на точность регулирования температуры воздействует тепловая инерция нагревательного или охлаждающего элементов, а также всей системы.
В большинстве случаев при регулировании температуры указанным выше способом чувствительность регулятора должна быть в 2—5 раз выше, чем необходимая точность поддержания температуры для всего устройства в целом. Если, например, требуется поддерживать температуру с точностью ±0,1° С, то чувствительность срабатывания самого регулятора должна быть 0,05° и выше.
Описанные в статье Ю. Пухлика автоматические регуляторы температуры («Радио», 1963, № 11) терморегуляторы имеют уже большую чувствительность срабатывания по температуре (0,1—0,2° С для одного терморегулятора, 0,05—0,07° С для другого терморегулятора), но всё ещё недостаточную для поддержания температуры с необходимой точностью в некоторых процессах.
Разработанный и изготовленный нами терморегулятор имеет повышенную чувствительность срабатывания по температуре, которая при использовании термистора типа КМТ-10 составляет 0,003° С.
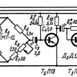
Мостовой терморегулятор повышенной чувствительности, схема которого приведена на рисунке, отличается простотой, экономичностью и большой чувствительностью.
Схема терморегулятора состоит из неуравновешенного моста, в диагональ которого включён микроамперметр типа М91А, фотосопротивления ФС-К1, усилителя постоянного тока на лампе 6Н8С и исполнительного реле типа РКМ, включенного на выходе усилителя постоянного тока.
Повышенная чувствительность терморегулятора получена благодаря применению в качестве нулевого индикатора микроамперметра типа М91А после незначительной переделки. Можно использовать и другие микроампёрметры со световым отсчётом, например М95, М194, М198, М1200 и т. д., имеющиеся на многих предприятиях.
Переделка микроамперметра заключается в следующем. Снимается шкала прибора и на её место устанавливается фотосопротивление типа ФС-К1, как одно из наиболее чувствительных, причем центр фотосопротивления совмещается с нулевой отметкой шкалы, находящейся в центре ее. Фотосопротивление устанавливается таким образом, чтобы вдоль движения луча света находилась узкая полоса его для получения большей чувствительности устройства.
Подвижная система микроамперметра ограничивается в движении для того, чтобы луч света не проходил мимо фотосэп ротивления, а оставался на нем при наступлении баланса моста.
Для того чтобы дневной свет не попадал на фотосопротивление, стекло прибора заменяется непрозрачным материалом (эбонит,текстолит и т. п.).
Датчиком температуры служит термосопротивление RT, включенное в плечо неуравновешенного моста, состоящего из сопротивлений R1, R2, Rз и R4. Мост питается от элемента постоянного тока типа ЗС-Л-ЗО.

При изменении температуры внутри регулируемого устройства сопротивление термистора изменяется, баланс моста нарушается и напряжение разбаланса поступает на микроамперметр М91А, имеющий световой отсчет посредством луча света, отражённого от зеркальца, укреплённого на подвижной части измерительного механизма, и обладающий чувствительностью 1,5-10-8 на одно деление шкалы при сопротивлении рамки Rp=3,6 ком.
Термосопротивление RT выбрано типа КМТ-10, имеющее наиболее высокий температурный коэффициент, равный 4,8% на 1° С. Холодное сопротивление термистора, то есть его сопротивление при температуре 4-20° С, желательно выбирать возможно большего номинала. Все элементы моста рассчитываются, исходя из сопротивления термистора в заданном диапазоне температур при условии выполнения оптимального режима симметричной мостовой цепи. При правильно рассчитанных элементах моста схема не требует дополнительной регулировки.
Наиболее важным моментом в налаживании терморегулятора является его градуировка, которая сводится к разметке в долях градусов Цельсия шкалы переменного сопротивления R4. Для наибольшей точности градуировки, а также для большего удобства пользования шкалой при установке температуры желательно весь рабочий диапазон температур разбить на две или несколько частей, подключая к переменному сопротивлению одно или несколько дополнительных постоянных сопротивлений, что может обеспечить любую заданную точность градуировки и провести градуировку отдельно для каждой части диапазона температур. Градуировка терморегулятора производится при помощи термостата, в который помещается термосопротивление. Контроль градуировки производится спиртовым термометром, имеющим малую постоянную времени по сравнению с ртутными термометрами. Точность градуировки терморегулятора зависит от точности градуировки контрольного термометра.
Установка заданной температуры производится сопротивлением моста R4 в рассчитанном диапазоне температур. При достижении заданной температуры в измерительном устройстве наступает баланс моста, фотосопротивление освещается световым лучом, который вызывает фототок в фотосопротивлении. Этот фототок усиливается усилителем постоянного тока, собранном на лампе 6Н8С. В нашем случае взят ламповый усилитель постоянного тока, как имеющий наибольшее практическое применение и обладающий стабильными характеристиками, которые обеспечивают чёткую работу реле в самых жёстких эксплуатационных условиях.
Фототок создаёт на сопротивлении падение напряжения, которое уменьшает отрицательное смещение на сетке лампы и отпирает лампу. Сопротивление выбирается таким, чтобы при заданной величине фототока через лампу протекал анодный ток, обеспечивающий надежное срабатывание реле типа РКМ, находящегося в анодной цепи лампы. Отрицательное напряжение на сетке лампы, необходимое для запирания лампы во время отсутствия фототока, создаётся за счёт катодного смещения. Для обеспечения стабильного срабатывания реле РКМ во время отсутствия фототока смещение на сетке лампы рассчитывается из условия:

Это напряжение подбирается переменным катодным сопротивлением R6 величиной 10 ком.
При наступлении разбаланса моста световой луч отклоняется, фотосопротивление затемняется, уменьшается фототок и лампа запирается. Контакты реле РКМ замыкаются и подают команду на включение исполнительного двигателя. Силовой трансформатор Тр собран на сердечнике из пластин трансформаторной стали УШ-15, толщина набора 20 мм. Первичная обмотка содержит 4400 витков провода ПЭЛ 0,12, с отводом от 3400 витка для питания анода лампы 6Н8С; вторичная обмотка имеет 120 витков провода ПЭЛ 0,41 и служит для питания накала лампы.
В выпрямителе используются диоды типа Д7Ж. Фильтр выпрямителя состоит из сопротивления R8 (2 ком на 2 вт) и двух электролитических конденсаторов C1 и С2. Выпрямитель имеет стабилизатор напряжения типа СГ4С, позволяющий нормально работать терморегулятору при колебании сетевого напряжения в пределах 160—240 в. Сопротивление R7—4,3 ком на 2 вт.
Реле — телефонное, типа РКМ с сопротивлением обмотки 5 ком, ток срабатывания 11,5 ма.
Описанный терморегулятор длительное время применялся в Алданской научно-исследовательской мерзлотной станции Института мерзлотоведения Сибирского отделения АН СССР для поддержания постоянной температуры с большой точностью при проведении опытов по измерению электрических свойств образцов горных пород в диапазоне температур от —10 до -± 10°С. Величины сопротивлений, рассчитанных для данного диапазона температур при использовании термистора КМТ-10 с холодным сопротивлением 6,8 ком, приведены на схеме. Все постоянные сопротивления типа МЛТ-1 имели ТКС= ±0,0007%, а переменные сопротивления R4 и R6 типа СП имели ТКС= ±0,002% . Методика измерений требовала длительного поддержания температуры в измерительной камере. За время четырехчасового сеанса работы терморегулятора отклонения температуры в камере не превышали±0,05 с, соответствующие минимальному делению измерительного термометра.
Определение чувствительности терморегулятора проводилось путем замены термосопротивления КМТ-10 магазином сопротивления типа КМС-6 и подбора его сопротивления, соответствующего балансу моста.
Затем, медленно изменяя сопротивление магазина, фиксировали момент разбаланса моста, соответствующий срабатыванию реле. Проведенные неоднократно измерения .показали, что среднее значение разбаланса моста равно 1 ому, при сопротивлении магазина в пределах от 8 до12 ком, что соответствует изменению сопротивления термистора в заданном интервале температур. Такая чувствительность моста соответствует чувствительности терморегулятора порядка 0,003°С. Терморегулятор может быть широко применен на многих предприятиях, связанных с термообработкой различных материалов или с холодильными установками. Он может быть также использован в термостатах, при нагреве пресспорошка, при изготовлении пластмасс, окраске и т. п., когда необходима повышенная точность поддержания температуры





