АВТОМАТ ОТКЛЮЧЕНИЯ ТЕЛЕВИЗОРА
Ю. Шкунников (Радио №1/1963 ст.43)
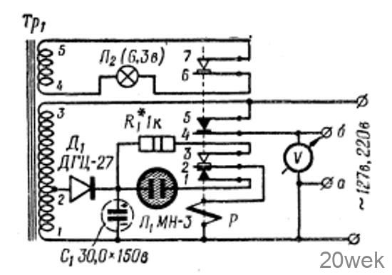
Нередко телевизоры выходят из строя из-за перенапряжений в сети. Для защиты их можно применить устройство, которое автоматически выключает телевизор при перенапряжениях в сети до 224— 228 в (129—132 в).
При повышении сетевого напряжения повышается напряжение на обмотке 1—2 трансформатора Тр1 Напряжение электролитического конденсатора C1 повышается до напряжения зажигания неоновой лампы Л1 (МН-3). Разрядный ток проходит через обмотку реле, контакты реле переключаются, и телевизор выключается.

Обмотка трансформатора 1—2 имеет 200 витков, обмотка 2—3 — 1012 витков при напряжении сети 220 в и 500 витков при 127 в, обмотка 4—5 содержит 31 виток. Обмотки 1—2—3 намотаны проводом ПЭЛ 0,23—ПЭЛ 0,27, обмотка 4—5— ПЭЛ 0,35—ПЭЛ 0,41; сердечник трансформатора Ш24х30.
В автомате использовано низкоомное реле РКН (ток срабатывания 30—50 ма). Диод ДГЦ-27 можно заменить диодами Д7Г, Д7Ж- Сопротивление R1 нужно подобрать такой величины, чтобы при замыкании контактов 2 и 3 якорь реле оставался притянутым.
В это время контакты 1, 2 и 4, 5 размыкаются, и телевизор отключается. При замыкании контактов 6 и 7 зажигается сигнальная лампа Л2. Неоновая лампа Л1 (МН-3) закрыта светонепроницаемым колпачком (это надо учесть при налаживании автомата, так как при освещенной светом неоновой лампе автомат срабатывает при нормальном напряжении сети).
Во время налаживания автомата в гнезда а и б включают не телевизор, а вольтметр. Налаживание автомата состоит в правильном подборе витков в обмотке 2—3 трансформатора. Если вольтметр отключается при напряжении сети, меньшим 224 в (129 в), нужно добавить несколько витков, если же напряжение сети больше 228 в (132 б), нужно отмотать несколько витков.
Необходимо обратить внимание на расположение неоновой лампы относительно трансформатора и токонесущих проводов. Автомат потребляет мощность не более 5Вт при напряжении сети равном 220 в, при напряжении до 230 в — 10 Вт.
