Антилогарифмирующая схема
Радио №2/1965, ст. 58
Известно, что характеристика полупроводникового диода, при малых напряжениях, начиная с некоторого значения напряжения, может быть представлена зависимостью U =а lgI, где U —- напряжение на диоде, а — постоянный коэффициент, I —ток, протекающий через диод в прямом направлении.
Меднозакисные выпрямители различного типа и размера с достаточной точностью следуют этому закону в диапазоне изменения тока 50 : 1 при напряжениях свыше 0,07 в на один полупроводниковый период.
Некоторые кристаллические детекторы следуют этому логарифмическому закону в еще большем диапазоне изменений тока от наименьшей измеряемой величины в 1 мка (U — = 0,16 в) вплоть до 10 ма (U = = 0,5 в) в обычной цепи и до 0,25 а при компенсации линейного падения напряжения на сопротивлении полупроводника в мостовых схемах. Практически для получения строгой логарифмической характеристики необходимо, чтобы ток через диод определялся внешним сопротивлением и не зависел от внутреннего сопротивления диода
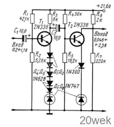
Если логарифмирующий элемент — диод включить в цепь эмиттера транзистора, то за счет обратной связи коэффициент усиления по напряжению одного каскада станет пропорциональным антилогарифму сигнала.
При более сильных сигналах логарифмирующие свойства диодов пропадают, и коэффициент усиления резко повышается. Поэтому устройство, схема которого изображена на рисунке, дает на рисунке дает на выходе правильный антилогарифм сигнала только в указанном диапазоне напряжений. Для расширения логарифмирующего диапазона диоды соединяют последовательно.

Диод Ценера (стабилитрон) предотвращает прохождение тока до превышения критического напряжения.
Описываемое устройство преобразует любые логарифмы в первоначальное число или антилогарифмы и может быть использовано в счетных машинах, где числа умножаются и делятся путем сложения и вычитания логарифмов





