Антенный усилитель на 12 каналов
Р. ИВАНОВ, Радио №7/1966, ст.29
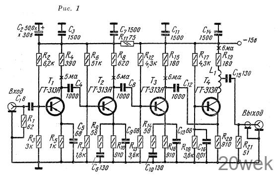
Принципиальная схема усилителя приведена на рисунке 1. Усилитель имеет полосу пропускания 40—240 Мгц с максимальным коэффициентом усиления приблизительно 20. Он собран на четырех транзисторах типа ГТ-313А (Т1—Т4), три из которых (Т1-Т3) включены по схеме с общим эмиттером, а один (Т4) — по схеме с общей базой. Выбранная последовательность включения транзисторов позволяет получить достаточно равномерное усиление во всей рабочей полосе частот. Второй и третий каскады усилителя охвачены обратной связью в цепях эмиттеров для получения равномерной характеристики в области нижних частот и повышения устойчивости его работы. В выходном каскаде на транзисторе Т4 в качестве коллекторной нагрузки применен широкополосный П-фильтр, состоящий из выходной емкости транзистора, катушки L1 и конденсатора С15. Входное и выходное сопротивление усилителя составляет примерно 50 ом.

Усилитель собран в коробке размерами 60X120X30 мм, сделанной из листовой латуни толщиной 0,8 мм. Катушка L1 наматывается без каркаса на оправке диаметром 10 мм. Она имеет 7 витков провода MГ- 1,0 мм. Длина намотки — 20 мм. Место отвода к конденсатору С15 подбирается при налаживании усилителя. Конденсаторы С3, С7, С11, С14, С16 применены типа КДО-3, остальные — типа КМ или КПС. Возможно применение других конденсаторов, например КД или КСО. Все резисторы типа УЛМ-0,12.
Налаживание усилителя производят при помощи сигнал-генератора ГЗ-8 (ГМВ) и лампового вольтметра В7-2 (ВЛУ-2) или аналогичных им приборов. Сначала проверяют правильность монтажа и режим работы транзисторов. Затем, подбирая резисторы R7 и R13, а также конденсаторы C6 и С10, добиваются равномерного усиления первыми тремя каскадами полосы частот 40—100Мгц, в которой расположены первые пять телевизионных каналов. При этом выходной каскад усилителя на транзисторе Т4 должен быть отключен. Затем включают выходной каскад и, меняя место отвода от катушки L1 стараются получить равномерное усиление на высших частотах диапазона (100—240 Мгц). Если при этом ухудшается характеристика на частотах 40—100 Мгц, то нужно вновь подобрать резисторы R7 и R13.
Обычно при правильном выполнении монтажа усилитель начинает работать сразу, не требуя налаживания, но при условии,если отвод сделан от четвертого витка катушки L1 считая от соединения ее с резистором R19. Замена резисторов мало влияет на частотную характеристику усилителя.
Усилитель устойчиво работает в диапазоне температур от —30° до 4-50° С. Он был испытан с телевизором «Рекорд». Качество изображения было вполне удовлетворительным





