Высококачественный источник питания для любительской лаборатории
Максим Соловьев, Радиолоцман №3-4/2024, ст.120
Этот лабораторный источник питания создавался в первую очередь для испытаний аналоговых схем, чувствительных к пульсациям питающего напряжения. Ставилась задача создать в любительских условиях прибор, не уступающий по своим характеристикам и функционалу промышленным образцам.
В своей основе лабораторный источник питания (далее ИП) представляет собой два независимых линейных стабилизатора напряжения (далее ЛСН) с последовательным включением регулирующего элемента между выпрямителем и нагрузкой. Такой тип линейных стабилизаторов характеризуется низким уровнем пульсаций и шумов, высоким коэффициентом стабилизации, быстрой реакцией на изменения входного напряжения и сопротивления нагрузки, относительной простотой реализации
Лабораторный источник питания может работать в режиме стабилизации напряжения и в режиме стабилизации тока. Дополнительно предусмотрен параллельный режим работы двух каналов ИП, при котором ток нагрузки распределяется в равной степени между каналами. Имеется быстродействующая защита от коротких замыканий на выходе. Для отвода тепла применена активная система воздушного охлаждения с автоматической регулировкой оборотов вентилятора.
Лабораторный источник питания обладает следующими характеристиками:
- Напряжение питания — 230 В±10%, 50 Гц;
- Максимальная потребляемая мощность — не менее 200 Вт;
- Диапазон регулировки выходного напряжения — 0…30 В;
- Диапазон регулировки выходного тока — 0.3 А;
- Количество каналов питания — 2;
- Амплитудное значение напряжения пульсаций — не более 3 мВ.
При создании конструкции за основу были взяты схемотехнические решения фирмы Agilent Technologies, которые довольно подробно описаны в книге [1]. Рассмотрим упрощенную схему ЛСН одного канала, показанную на Рисунке 1.

Канал регулирования напряжения построен на ОУ DA1, который совместно с резисторами RP1, R2 и транзистором VT1 представляет собой усилитель, на вход которого подается опорное напряжение. Схема на Рисунке 2 иллюстрирует трансформацию схемы на Рисунке 1. На ней показан принцип работы канала регулирования напряжения.

Величина выходного напряжения UOUT определяется по формуле:

Канал регулировки тока построен на ОУ DA2. На инвертирующий вход ОУ DA2 подается сигнал от датчика тока, роль которого выполняет резистор R1. На неинвертирующий вход подается опорное напряжение. Величина опорного напряжения регулируется при помощи делителя на резисторах RP2 и R3, что позволяет задавать порог ограничения по току. При появлении разницы напряжений на входах ОУ на выходе ОУ формируется сигнал ошибки, который управляет регулирующим элементом в виде транзистора VT1. В свою очередь регулирующий элемент меняет свою проводимость так, чтобы скомпенсировать сигнал ошибки и обеспечить поддержание тока на выходе ИП постоянным за счет изменения напряжения на нагрузке.


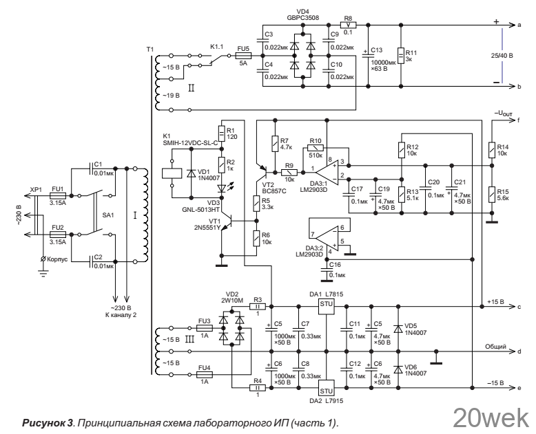
На Рисунках 3 и 4 показана принципиальная схема одного канала лабораторного источника питания.
На вторичной обмотке сетевого трансформатора Т1 формируется основное напряжение питания, которое подается на вход ЛСН через выпрямительный мост VD4, резистор R8, и сглаживающий конденсатор C13. Вторичная обмотка имеет отвод, который коммутируется реле K1. Резистор R8 снижает броски тока через конденсатор C13 в момент включения ИП и при коммутации выводов вторичной обмотки. Конденсаторы C3, C4, C9, C10 способствуют уменьшению импульсных помех, возникающих при переходных процессах в диодах во время работы выпрямителя. Если напряжение на выходе ИП меньше 15 В, то реле K1 выключено, и на вход ЛСН подает ся напряжение величиной около 25 В. Если напряжение на выходе ИП больше 15 В, то реле K1 включается, и на вход ЛСН подается напряжение величиной порядка 40 В. Работой реле K1 управляет компаратор, построенный на микросхеме DA3. Такая схема коммутации позволяет снизить падение напряжение на регулирующем элементе ЛСН и рассеиваемую на нем мощность.
Переменное напряжение с третичной обмотки сетевого трансформатора Т1 поступает на выпрямительный мост VD2 и на интегральные стабилизаторы напряжения DA1 и DA2, формирующие двуполярное напряжение питания каналов регулировки тока и напряжения, источника опорного напряжения, и компараторов. Питание узлов управления ЛСН от отдельной обмотки трансформатора позволяет сохранять способность источника питания контролировать напряжение и ток при любом характере нагрузки и выдерживать режим короткого замыкания в течении длительного времени.
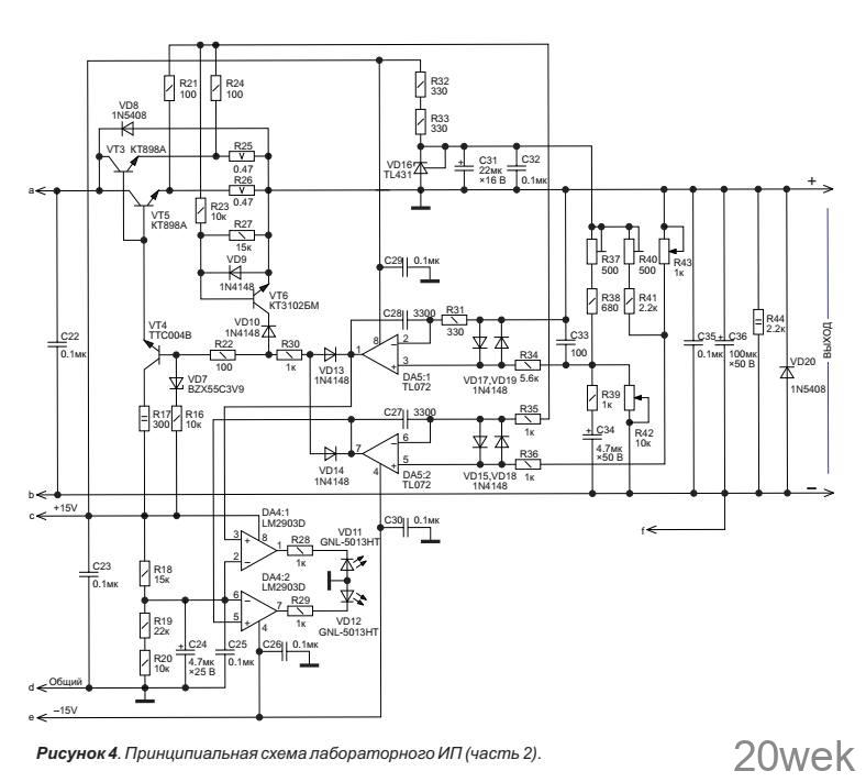
На сдвоенном ОУ DA5 построены каналы регулировки тока и напряжения. Диоды VD15, VD17, VD18, VD19 защищают входы ОУ от превышения дифференциального напряжения. Компоненты C27, C28, C33, R39, C34, C35, C36 обеспечивают устойчивость каналов регулирования при любых режимах работы. Переменным резистором R42 регулируется напряжение на выходе ИП. Переменным резистором R43 задается ограничение по току. Подстроечные резисторы R37 и R40 служат для настройки диапазонов регулировки напряжения и тока. Источник опорного напряжения выполнен на микросхеме TL431 (VD16).
На транзисторе VT6 выполнен быстродействующий узел защиты от перегрузки по току. Он предохраняет регулирующий элемент ЛСН, построенный на транзисторах VT3-VT5, от выхода из строя в случае неисправности канала регулировки тока и при высокой скорости изменения тока нагрузки. Порог срабатывания этого узла защиты выбран немного большим максимального тока, который можно установить при помощи R43, и составляет порядка 4.5 А. Диоды VD10, VD13, VD14 исключают взаимовлияние каналов управления и защиты друг на друга. На резисторах R16, R22, R30 и стабилитроне VD7 выполнен узел согласования выходов ОУ DA5 с входом регулирующего элемента. Стабилитрон VD7 уменьшает падение напряжения на резисторе R16 и обеспечивает небольшой сдвиг выходных уровней ОУ DA5 для компенсации падений напряжения на диодах VD13 и VD14. Диоды VD8 и VD20 защищают компоненты ИП от обратного напряжения, которое может возникнуть при индуктивном характере нагрузки.
На микросхеме DA4 построены два компаратора, которые управляют светодиодами индикации режимов работы ИП. Светодиод VD11 включается, когда ИП находится в режиме стабилизации напряжения. В свою очередь, VD12 включается, когда ИП находится в режиме стабилизации тока.
Схема регулятора оборотов вентилятора
Схема регулятора оборотов вентилятора показана на Рисунке 5. Транзисторы VT1 и VT2 являются датчиками температуры, которые устанавливаются на радиаторы каждого из каналов ИП. Напряжение UБЭ транзисторов VT1 и VT2 зависит от температуры и с ее ростом уменьшается на 2.1 мВ/°С. Это ведет к тому, что при фиксированном значении UБЭ ток через коллекторы этих транзисторов будет значительно возрастать, увеличивая падение напряжение на резисторе R6. Вследствие этого увеличится напряжение UGS транзистора VT3, что приводит к его открытию и росту тока через вентилятор. Делитель напряжения R1 — R3 задает фиксированное значение напряжения UБЭ транзисторов VT1 и VT2.

Подстроечным резистором R1 можно менять это значение, изменяя, соответственно, температуру, при которой вентилятор начнет вращаться. При помощи резистора R4 и конденсатора C2 в схему введена небольшая ОС, снижающая ее чувствительность к помехам и повышающая устойчивость. Параметрический стабилизатор напряжения на стабилитроне VD1 и резисторе R7 исключает зависимость напряжения иБЭ транзисторов VT1 и VT2 от колебаний напряжения питания.
Параллельный режим работы
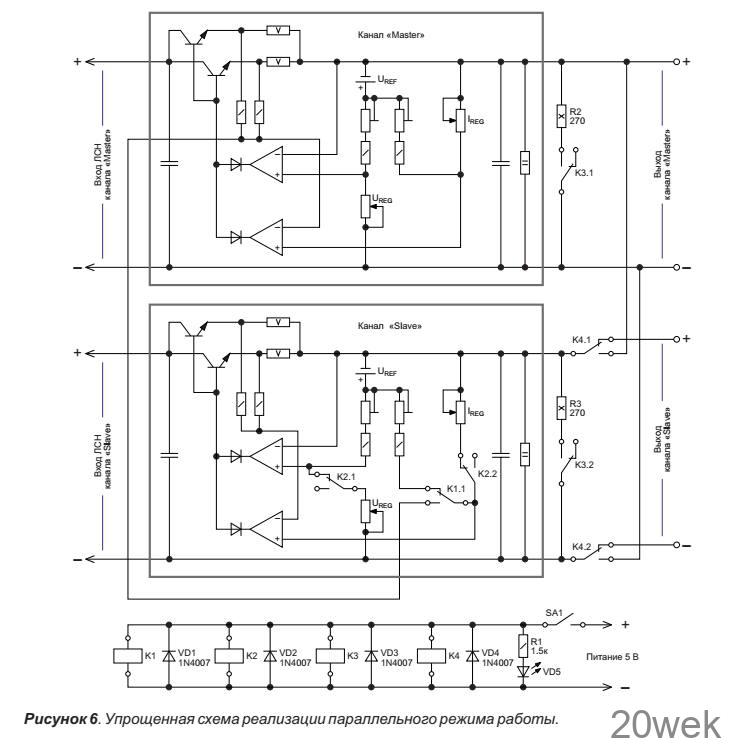
Параллельный режим работы обеспечивает равное распределение токов между
каналами ИП при любой нагрузке и позволяет управлять двумя каналами ИП, используя только элементы настройки одного из каналов, именуемого «Master». Упрощенная схема, демонстрирующая реализацию параллельного режима работы, показана на Рисунке 6.

Канал «Master» функционирует без изменений, и может работать как в режиме стабилизации тока, так и в режиме стабилизации напряжения. При нажатии на кнопку SA1 выходы каналов ИП соединяются параллельно. Канал «Slave» использует свою схему регулирования для нивелирования разницы между падениями напряжений на токоизмерительных резисторах обоих каналов, что приводит к полному равенству токов, протекающих через них. Соответственно, между каналами «Master» и «Slave» ток нагрузки всегда будет распределяться в равной степени. Для корректной работы каналов ИП в параллельном режиме требуется создать небольшой начальный ток нагрузки. С этой целью в схему добавлены резисторы R2 и R3.
Особенности конструкции
В авторском варианте конструкции лабораторный источник питания выполнен в корпусе от бесперебойного источника питания фирмы APC. Схема ИП, которая приведена на Рисунках 4 и 5, выполнена на двух печатных платах. На одной расположено реле K1 коммутации обмоток, компаратор на DA3, и стабилизаторы напряжения на микросхемах DA1 и DA2, на другой — элементы ЛСН. Микросхемы DA1 и DA2 устанавливаются на радиаторы площадью 30 см2. Платы общие для двух каналов. В качестве силовых трансформаторов использовались трансформаторы ТПП245-220-50 (2 шт.) и трансформатор от усилителя «Корвет 100У-068С».
Транзисторы VT3 и VT5 (Рисунок 4) необходимо установить на радиатор площадью 1500 см2, обязательно с применением теплопроводящей пасты КПТ-8 без использования изолирующих прокладок. Транзистор VT4 (TTC004B) имеет изолированный корпус и устанавливается на один радиатор с транзисторами VT3 и VT5. Его можно заменить на КТ815Г, или BD139, однако в этом случае необходимо использовать изолирующую прокладку при его установке на радиатор. Резисторы R8, R25, R26 (Рисунки 3 и 4) — С5-16М, конденсатор C31 — танталовый, остальные электролитические конденсаторы
- оксидные. Конденсаторы C1 и C2 — пленочные класса X2, рассчитанные на переменное напряжение не менее 300 В. Конденсаторы C3, C4, C9, C10, C22, C35 — пленочные, на напряжение 100 В, остальные конденсаторы
- керамические X7R, NP0, на напряжение не менее 50 В. Резисторы R1, R3, R4, R11, R17, R44 — МЛТ-2, остальные резисторы мощностью 0.25 Вт — SMD типоразмера 1206. Диодный мост VD4 каждого из каналов ИП должен быть установлен на радиатор площадью не менее 200 см2. В авторской конструкции для этой цели служил сам корпус ИП. Конденсаторы C16, C18, C23, C26, C29, C30 должны располагаться как можно ближе к выводам 4 и 8 микросхем DA3, DA4, DA5.
Радиаторы обоих каналов ИП, на которых установлены транзисторы VT3 — VT5, должны обдуваться вентилятором. Рекомендуется использовать вентилятор Jamicon JF0925B1H-R, или аналогичный. Транзистор VT1 регулятора оборотов вентилятора (Рисунок 5) крепится на радиатор канала «Master» ИП, а VT2 — канала «Slave». В этой схеме применены транзисторы 2SB1548, так как они имеют изолированный корпус, удобный для крепления на радиаторе. Их можно заменить другими аналогичными транзисторами, а также рядом транзисторов более низкой мощности, однако при этом нужно позаботиться о том, чтобы выводы этих транзисторов не имели электрического контакта с радиаторами. При замене транзисторов VT1 и VT2 другими типами может понадобиться подбор резистора R2. Транзистор VT3 необходимо установить на радиатор площадью 30 см2.
Индикация выходного напряжения и тока, а также управление каналами ИП при параллельном режиме работы были реализованы с помощью готовых модулей индикации и релейных модулей, приобретенных на AliExpress. Реле K4 (Рисунок 6) должно быть рассчитано на коммутацию постоянного тока величиной не менее 5 А. Модули индикации выходного напряжения и тока подключаются непосредственно на выходе каждого канала ИП в соответствии со штатной схемой включения. Для их питания желательно использовать отдельные обмотки силовых трансформаторов, подключенные к выпрямителям, и стабилизаторы напряжения на L7815.
Настройка ИП
Настройка ИП заключается в установке пределов регулировки тока и напряжения подстроечными резисторами R37 и R40 (Рисунок 4), и настройке температуры включения вентилятора охлаждения с помощью подстроечного резистора R1 (Рисунок 5). Далее необходимо проверить работу ИП в режимах стабилизации тока и напряжения под нагрузкой, убедившись при помощи осциллографа в отсутствии пульсаций на выходе. рл
Литература
- DC Power Supply Handbook (Agilent AN90B)





