Многофазные выпрямители с умножением напряжения
Михаил Шустов, Радиолоцман №3-4/2024
Приведены варианты схем многофазных выпрямителей для получения выходных напряжений единичного или умноженного значений
Первые выпрямители одно- и многофазных сигналов появились на свет не один десяток лет тому назад [1], Рисунок 1. За последние десятилетия существенного разнообразия новых схем выпрямления сигналов не наблюдается. В этой связи определённый интерес представляют схемы многофазных выпрямителей, представленных на Рисунках 2-12, которые позволяют получить на выходах сразу два или более напряжений.

На Рисунке 2 показан пример выполнения трёхфазного выпрямителя, использующий почти классическое построение выпрямите лей с удвоением выходных напряжений [3]. На одном выходе выпрямителя, Рисунок 2, формируется напряжение +U и на втором выходе — удвоенное напряжение +2U.

Представленная схема привлекательна тем, что позволяет использовать неограниченное количество источников многофазного напряжения. Стоит отметить, что чем больше в выпрямителе задействовано источников многофазных сигналов, тем менее выражены пульсации на выходе выпрямителя.

На Рисунке 3 показана возможность использования многофазного выпрямителя с источниками неограниченного количества фаз. Величина фазового сдвига между источниками переменного напряжения для снижения пульсации должна выбираться из выражения 360/n, где n — количество фаз. Так, для трёхфазного выпрямителя сдвиг фаз должен составлять 0, 120 и 240°.

На Рисунке 4 представлены варианты выполнения трёхфазных выпрямителей, использующих иное строение. При равенстве количества элементов эти выпрямители позволяют получить на своих выходах напряжения как положительной, так и отрицательной полярности, равные по величине. По такому же принципу могут быть собраны выпрямители с количеством фаз более трех.

На Рисунке 5 представлен упрощённый вариант рассмотренных выше выпрямителей трёхфазных сигналов, единственным преимуществом которого является то, что в нём использовано меньшее количество выпрямительных диодов. Для выпрямления многофазных источников переменного напряжения может быть использована схема выпрямителя, Рисунок6.

Интересной особенностью выпрямителей, Рисунки 5 и 6, является то, что при условии E1 = E2 = E3 = 230 B и равенстве сопротивлений нагрузки напряжение на выходе U1 равно +162 В, а на выходе U2 -162 В. В случае, если сопротивление нагрузки по выходу U1 вдвое выше сопротивления нагрузки по выходу U2, выходные напряжения равны, соответственно, +216 В и -108 В. При отсутствии нагрузки по одному из каналов выходное напряжение по второму из каналов возрастает до максимального значения +325 В или -325 В, соответственно.

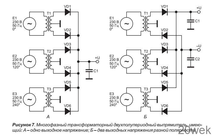
Таким образом, несмотря на простоту схем, представленных на Рисунках 5 и 6, эти выпрямители имеют заметный недостаток, выражающийся в том, что при неравномерной нагрузке на выходы выпрямителя наблюдается отчётливо выраженные взаимовлияние величины нагрузки на одном из каналов на величину выходного напряжения на другом канале. Отличаются такие выпрямители и повышенным коэффициентом пульсаций выпрямленного напряжения. Многофазные двухполупериодные выпрямители с использованием трансформатора, имеющего среднюю точку во вторичной обмотке, показаны на Рисунке 7. Частота пульсаций на выходах выпрямителей, Рисунок 7А и 7Б, равна 300 и 150 Гц, соответственно. Источники E1, E2 и E3, питающие первичные обмотки трансформаторов, могут быть включены «звездой» или «треугольником».

Многофазный мостовой выпрямитель, Рисунок 8, содержит минимально возможное количество выпрямительных диодов [3]. Частота пульсаций на выходе выпрямителя составляет 300 Гц при частоте входных источников напряжения, включенных по схеме «треугольник», 50 Гц.

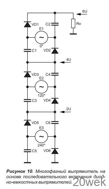
На основе однофазного диодно-емкостного выпрямителя, Рисунок 9 (слева), может быть создан многофазный выпрямитель параллельного типа, Рисунок 9 (справа), а также последовательного типа, Рисунок 10.

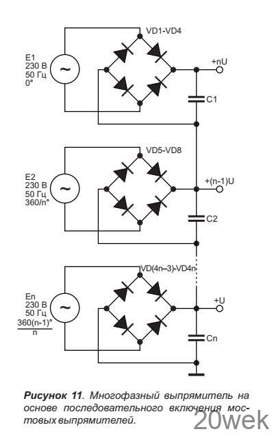
Последовательное включение обычных мостовых выпрямителей, Рисунок 11, позволяет создать высоковольтный источник постоянного напряжения с промежуточными выходами. Частота пульсаций для трехфазного выпрямителя на верхнем по схеме выходе составляет 300 Гц, на среднем — 200 Гц и на нижнем — 100 Гц.

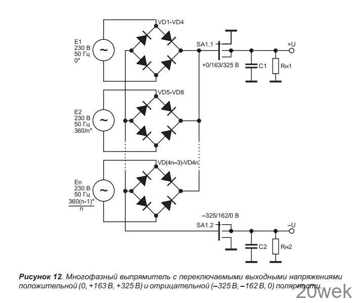
Схема многофазного мостового выпрямителя с переключаемыми выходными напряжениями показана на Рисунке 12. В зависимости от положения переключателя SA1 на выходах выпрямителя +U и -U можно получить напряжения положительной (0, +163 В, +325 В) и отрицательной (-325 В, -162 В, 0) полярности, соответственно.

В выпрямителе можно использовать произвольное количество источников синусоидального напряжения — от одного до n, однако для снижения уровней пульсаций сдвиг фаз от источника к источнику сдвиг фаз так же, как и ранее, должен быть равен 360/n градусов. В качестве источников E1, E2 … En можно использовать вторичные обмотки трансформаторов. При среднем положении переключателя SA1 (равенство напряжений разных полярностей на нагрузках) сопротивления нагрузок (Чн1 и (Чн2 должны иметь одинаковое значение.





