LED сердечко
ELEKTRONIKA PRAKTYCZNA №2/2011, ст. 48 (Перевод статьи)
Хороший способ выразить свои чувства — небольшой подарок, демонстрирующий вашу преданность. Человек, который получит такое оригинальное сердце, обязательно оценит ваши усилия.

Светодиоды расположены в форме двух сердец. Изменяя время включения, яркость и продолжительность свечения, можно создавать различные световые эффекты, имитирующие «биение» сердца. Кнопка используется для предварительного просмотра или изменения эффекта. Кнопка срабатывает когда генерируется текущий выбранный эффект. Если в это время нажать кнопку еще раз, эффект изменится. Сердце активируется звуком, порог активации (срабатываения микрофона) устанавливается с помощью миниатюрного потенциометра. После срабатывания генерируется случайное количество циклов эффекта, после чего система переходит в спящий режим. В этом состоянии он потребляет ток силой около 1,5 мА.
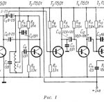
Принципиальная схема системы представлена на рисунке 1. Питание сердца может осуществляться от источника постоянного тока напряжением 8…13 В, подключенного к разъему CON1, или от аккумуляторной батареи, подключенной к разъему CON2. Напряжение стабилизируется микросхемой US1, которая обеспечивает напряжение 5 В для питания микроконтроллера. Делитель, построенный на резисторе R6 и потенциометре R9, формирует опорное напряжение (0…1,6 В), которое подается на один из входов компаратора, встроенного в микроконтроллер. На второй вход компаратора подается сигнал с микрофона. Если амплитуда сигнала микрофона превысит значение, установленное потенциометром R9, произойдет срабатывание генерации эффекта.

Вот как устроен акустический переключатель: Резистор R13 подает питание на микрофон, C4 отделяет постоянную составляющую сигнала.
Кнопка подключена к выводу, обозначенному как SW, подтянут резистором R15 к + питания. Нажатие кнопки SI изменяет уровень на низкий и в результате можно просмотреть или изменить эффект. Транзисторы Т1 и Т2 ключи светодиодов, а резисторы R1…R8, R10…R14 токоограничительные для светодиодов.
Печатная плата сердца представлена на рисунке 2. Конструкция умещается на небольшой односторонней плате. Сборку начинаем с SMD-компонентов. Во-вторую очередь, собираем компоненты DIP монтажа, обращая внимание на правильную полярность конденсаторов и микрофона. Конденсаторы C1 и C2 следует размещать так, чтобы они соприкасались с поверхностью платы. Особое внимание следует уделить установке светодиодов. После сборки установите процессор в разъем и подключите блок питания. Правильно собранная система работает сразу, требуется только настроить чувствительность с помощью потенциометром R9. Со стороны пайки имеются две луженые площадки, к которым можно припаять кусок провода — подставку для платы.

Вариант сборки:






