ИСКАТЕЛЬ ПОВРЕЖДЕНИИ СЕТЕЙ МПВ
П. ДУБУЛТ, М. ШЕНБЕРГ, Радио №2/1964 ст.47
Портативный искатель повреждений для сетей многопрограммного проводного вещания (МПВ) предназначен для определения мест коротких замыканий низкочастотного и высокочастотных каналов на фидерных и абонентских линиях и домовых распределительных сетях, контроля ВЧ программ и приближенной оценки их уровня и качества, а также отыскания мест повреждений, вызывающих увеличение переходной помехи между каналами.
Искатель представляет собой трехкаскадный усилитель. При контроле НЧ канала все три каскада усиливают низкие частоты. На ВЧ каналах первые два каскада работают в качестве усилителей ВЧ, а третий каскад является детектором и усилителем НЧ. К выходу искателя подключаются высокоомные (4400 ом) головные телефоны. Основные технические данные искателя следующие: номинальное выходное напряжение на головных телефонах — не менее 1 б, чувствительность для такого выходного напряжения при индуктивной связи искателя с линией через поисковую катушку для ВЧ каналов не хуже 2 ма, а для НЧ канала не хуже 32 ма, при подаче ВЧ сигнала на гнезда «вход» искателя — не хуже 0,25 в, уровень напряжения соседних каналов по отношению к рабочему — не менее —- 60 дб. Питание искателя осуществляется от трех элементов 1,3-ФМЦ-0,25.
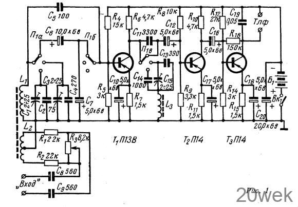
Принципиальная схема искателя представлена на рис. 1. Все три каскада усилителя выполнены по схеме с общим эмиттером с жесткой стабилизацией рабочих точек транзисторов.

Настройка искателя на необходимый канал осуществляется переключателем, который переключает детали входного контура, состоящего из поисковой катушки L1 и конденсаторов C1— С7, а также подключает соответствующие отсасывающие контуры L3 С14 или L3 С13 С15, на строенные на частоту соседнего с измеряемым ВЧ канала.
При настройке на любой из ВЧ каналов входной контур искателя связан с транзистором Т1, при помощи -конденсатора С5. Такая связь дает высокую избирательность относительно соседнего ВЧ канала и очень низкий уровень мешающих сигналов НЧ при достаточном коэффициенте передачи напряжения. При настройке на НЧ канал связь поисковой катушки L1 с транзистором Т1 осуществляется при помощи конденсатора С6. Конденсатор С7 корректирует частотную характеристику искателя на этом канале и защищает его от проникания сигналов ВЧ каналов,
Гнезда «вход», имеющиеся на искателе, соединены с дополнительной обмоткой L2 поисковой катушки через делитель напряжения, состоящий из конденсаторов С8 С9 и сопротивлений R1 R2 R3. Вращая движок потенциометра R3, можно регулировать чувствительность искателя.
Первый и второй каскады усилителя, собранные на транзисторах П1ЗВ (T1) и П14 (Т2), нагружены на сопротивления R6 и R10 для того, чтобы они могли усиливать как НЧ, так и ВЧ сигналы. Между первым и вторым каскадами включены отсасывающие контуры (см. выше) для дополнительного повышения помехозащищенности ВЧ каналов. Конденсатор С11 установлен для дополнительного подавления токов НЧ канала.
Последний, третий каскад искателя при работе на НЧ канале является усилителем низких частот. Каскад охвачен отрицательной обратной связью по напряжению, благодаря чему уменьшается коэффициент нелинейных искажений. На ВЧ каналах в третьем каскаде происходит детектирование модулированных колебаний за счет нелинейной зависимости коллекторного тока от напряжения, действующего между базой и эмиттером, и одновременно усиление низких частот.
Искатель смонтирован в плотно закрывающемся металлическом корпусе от карманного фонарика. Поисковая катушка, выполненная на сердечнике типа ОШ-6 из оксифера 2000 или М-2000 (L1— 450 витков провода ПЭЛШО 0,1, L2—20 X 2 витков ПЭЛШО 0,14), укреплена снаружи на торце корпуса искателя и заключена в тщательно выполненный электростатический экран, служащий для уменьшения емкостных наводок. Экран не должен заметно снижать добротность поисковой катушки. Он наматывается проводом ПЭ в один слой на тонком изоляционном материале. Кроме того, катушка L2 со всех сторон охватывает витки катушки L1 и, таким-образом, служит дополнительным электростатическим экраном. Близость стального корпуса искателя оказывает влияние на свойства поисковой катушки. Для уменьшения этого влияния между сердечником поисковой катушки и корпусом искателя прокладывается пластинка тонкой медной фольги. Поисковая катушка должна быть надежно защищена от механических повреждений, а также иметь достаточно прочную электрическую изоляцию от линейных проводов. Катушка Lз наматывается в горшко-образном сердечнике типа СБ—1а из оксифера 2000 или М-2000 и содержит 100 витков провода ПЭЛ 0,2. На лицевой панели корпуса расположены ручки переключателя диапазонов П1 и регулятора чувствительности R3,a также гнезда «вход» и «выход». Оси П1 и Rз должны быть электрически соединены с корпусом. Для включения питания используется выключатель карманного фонарика. Детали R1 R2 R3 С8 С9 делителя напряжения, а также гнезда «вход» расположены в отдельном экранированном отсеке. Гнезда «вход» должны выдерживать по отношению к корпусу и между собой переменное напряжение 2000 в частотой 50 гц в течение 1 мин. Сопротивление изоляции между указанными точками должно быть не менее 50 Мом. Элементы 1,3—ФМЦ—0,25 во избежание разрушающего действия газов, выделяющихся при их работе, размещаются также в изолированном отсеке.
Детали схемы соединяются между собой посредством жесткого монтажа и располагаются таким образом, чтобы длина монтажных проводов была минимальной. Паразитная связь между входом и выходом искателя должна отсутствовать. Расположение подстроечных конденсаторов и катушки L3 с выдвижным сердечником должно допускать регулировку этих элементов при налаживании искателя.
Поиск коротких замыканий и ответвлений сети со значительной нагрузкой при помощи искателя для сетей МПВ производится таким же способом, как при работе с искателем для однопрограммных сетей. При поиске коротких замыканий на сетях МПВ следует иметь в виду, что может иметь место короткое замыкание для двух каналов (или одного канала), в то время как один (или два) работают нормально. Такое положение может возникнуть, например, в тех случаях, когда ненагруженный или слабо нагруженный на конце отрезок линии имеет для некоторой частоты малое входное сопротивление. Это может быть, если электрическая длина отрезка кратна четверти длины волны Отрезок линии может иметь малое входное сопротивление для токов того или иного канала и в тех случаях, когда длина отрезка не кратна четверть длинны волны, но в любых его точках включены нагрузки, вызывающие резонансные явления. При коротком замыкании в абонентском трансформаторе ВЧ (обходном устройстве) или в линии, питающей данное устройство, увеличиваются токи обоих ВЧ каналов. На величине токов НЧ канала короткое замыкание в ВЧ трансформаторе не отражается. При частичном коротком замыкании в абонентском НЧ трансформаторе токи НЧ канала могут увеличиться незначительно, и этот канал будет удовлетворительно работать. В то же время поврежденная обмотка этого трансформатора будет представлять собой резонансный контур, создающий короткое замыкание для одного или обоих ВЧ каналов.
Так как в искателе уровень сигналов соседних каналов по отношению к рабочему очень мал, то его можно использовать для прослушивания взаимных помех между каналами, возникающих из-за неисправностей сетей МПВ, и определения неисправного места или участка сети.
Соединяя гнезда «вход» искателя с розеткой абонента, можно проконтролировать слышимость вещания по ВЧ каналам.





