Инвертор напряжения использует выходные выводы в качестве входов, а вывод земли в качестве выхода
Радиолоцман №3-4/2024, ст.56
Когда аналоговые схемы смешиваются с цифровыми, первым иногда не нравится привычная для вторых единственная шина питания. Это создает необходимость в дополнительных источниках напряжения, часто отрицательной полярности, которые обычно обеспечиваются емкостными зарядовыми насосами.
Самый простой тип — диодный насос, состоящий всего из двух диодов и двух конденсаторов. Но ему присущи недостатки, связанные с необходимостью в отдельном источнике прямоугольных импульсов для управления насосом, а также с тем, что выходное напряжение, как минимум, на два падения на диоде меньше, чем на шине питания.
Чтобы избежать этого, требуются активные коммутаторы зарядового насоса (обычно комплементарные полевые транзисторы).
Многие КМОП микросхемы зарядовых насосов доступны в продаже. В качестве примера можно привести предлагаемые многими поставщиками насосы ICL7660 и MAX1673, которые хорошо работают в тех приложениях, где токи нагрузки не слишком велики. Но они не так уж дешевы (например, 1673 при покупке штуками стоит больше $5) и, кроме того, иногда разработчик просто испытывает желание создать свой собственный. Здесь проиллюстрирован пример того, что может получиться, если не сопротивляться этому искушению.

Сага начинается с Рисунка 1, на котором показан (значительно упрощенный) эскиз КМОП логического элемента «НЕ». Прежде всего, обратите внимание на входные и выходные ограничительные диоды. Они включены главным образом для защиты микросхемы от повреждения электростатическими разрядами, но диод есть диод, и поэтому он может выполнять и другие полезные функции. В свою очередь, p-канальный полевой транзистор предназначен для подключения шины V+ к выходу при выводе логической единицы, а работающий в паре с ним n-канальный — для подключения к выводу V- при выводе нуля. Но комплементарные МОП- транзисторы во включенном состоянии охотно проводят ток в любом направлении. Таким образом, ток, идущий от вывода к шине, работает так же хорошо, как и от шины к выводу.

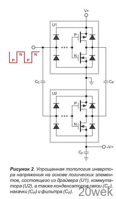
На Рисунке 2 показано, как эти основные функции элементов КМОП связаны с накачкой заряда и инверсией напряжения.
Представьте себе два инвертора, соединенных между собой, как показано на Рисунке 2, с прямоугольными управляющими импульсами, подаваемыми на вход U1 непосредственно, а на вход U2 — через разделительный конденсатор CC; при этом входные ограничительные диоды элемента U2 обеспечивают восстановление постоянной составляющей. Рассмотрим полупериод прямоугольных импульсов в состоянии «лог. 0». Оба p-каканальных полевых транзистора элементов U1 и U2 включатся, соединяя с шиной V+ вывод конденсатора CP, подключенный к U1, и с землей — вывод, подключенный к U2. При этом CP будет заражаться при верхнем по схеме выводе, подключенном к V+, а нижнем — к земле. Обратите внимание на обратную полярность тока, проходящего через выходной вывод U2, обусловленную током конденсатора CP, идущим в землю через p-канальный транзистор и вывод положительной шины питания элемента U2.
Затем рассмотрим, что произойдет, когда управляющий сигнал перейдет в состояние «лог. 1».
Теперь p-канальные полевые транзисторы закроются, а n-канальные включатся. Это заставляет заряд, ранее принятый конденсатором CP, стекать в землю через U1 и вывод V- элемента U2, тем самым завершая цикл накачки, который доставляет квант отрицательного заряда
Q- = -(CpV+ + CfV-)
для накопления в CF. Обратите внимание, что через U2 снова протекает обратный ток. Этот цикл повторится при следующем изменении уровня управляющего сигнала, и так далее, и так далее.
Во время запуска, пока на конденсаторе CF не накопится напряжение, достаточное для нормальной работы внутренних схем логического элемента и управления затвором полевого транзистора, ограничительные диоды элемента U2 служат для выпрямления сигнала возбуждения конденсатора CP и заряда CF.
Такова теория. Практическое воплощение Рисунка 2 в виде полноценного инвертора напряжения показано на Рисунке 3. На самом деле все не так сложно, как кажется.

С вывода 2 триггера Шмитта 74AC14 (U1) на схему поступает частота накачки 100 кГц. Этот сигнал подается на пять оставшихся логических элементов U1 и шесть логических элементов U2 (через разделительный конденсатор C2). Отрицательный заряд переносится через конденсатор C3 в U2 и накапливается в конденсаторе фильтра C5.
Но, наконец, есть ли преимущество в стоимости, если делать насос самостоятельно? Что ж, при покупке штуками 1673 стоит $5, 7660 — около $2, а две 74AC14 можно купить всего за доллар. Стоимость пассивных компонентов одинакова, но предложенная схема имеет больше паяных соединений и занимает больше места на плате. Итак, что же в итоге…??
По крайней мере, то, что использование выходов в качестве входов и земли в качестве выхода было забавным. И запоздалая мысль. Для работы с более высоким напряжением просто замените 74AC14 микросхемой с металлическими затворами CD40106B, тогда без каких-либо других изменений V+ и V- смогут достигать 20 В.





