Эффективный удвоитель напряжения на основе обычных КМОП инверторов
Stephen Woodward, Радиолоцман №3-4/2024, ст.67
Когда конструкция нуждается во вспомогательных шинах питания, а связанные с ними токовые нагрузки невелики, самым простым, дешевым и эффективным способом их построения оказываются умножители на основе емкостных зарядовых насосов.
Наиболее простой из них — удвоитель напряжения на основе диодного насоса. Он состоит всего из двух диодов и двух конденсаторов, но имеет недостатки, связанные с необходимостью в отдельном источнике прямоугольных импульсов для управления насосом, а также с тем, что выходное напряжение, как минимум, на два падения на диоде меньше, чем удвоенное напряжение шины питания. Чтобы избежать этой неэффективности и точно удвоить напряжение питания, требуются активные коммутаторы зарядовогонасоса (обычно комплементарные полевые транзисторы).
КМОП микросхемы удвоителей напряжения доступны в продаже. Примером может служить MAX1682. Удвоитель хорошо работает в тех приложениях, где токи нагрузки не слишком велики, но он (и аналогичные устройства) не так уж дешев. При покупке штуками 1682 стоит почти $4, в связи с чем возникает соблазн посмотреть, сможем ли мы сделать лучше, учитывая, что стандартные микросхемы КМОП-коммутаторов (например, 74AC14) можно поштучно покупать за 50 центов.
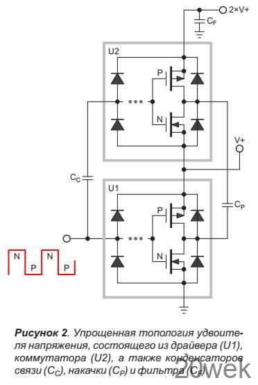
План реализации этого начинается с Рисунка 1, на котором показан упрощенный эскиз КМОП логического инвертора.

Обратите внимание на входные и выходные ограничительные диоды. Они устанавливаются производителем главным образом для защиты микросхемы от повреждения электростатическими разрядами, но диод есть диод, и поэтому он может выполнять другие полезные функции. В свою очередь, p-канальный полевой транзистор предназначен для подключения шины V+ к выходу при выводе логической единицы, а работающий в паре с ним n-канальный — для подключения к выводу V- при выводе нуля. Но комплементарные МОП-транзисторы во включенном состоянии охотно проводят ток в любом направлении. Таким образом, ток, идущий от вывода к шине, работает так же хорошо, как и от шины к выводу.
На Рисунке 2 показано, как эти основные функции элементов КМОП связаны с накачкой заряда и умножением напряжения.

Представьте себе два инвертора, соединенных между собой, как показано на Рисунке 2, с прямоугольными управляющими импульсами, подаваемыми на вход U1 непосредственно, а на вход U2 — через разделительный конденсатор CC; при этом входные ограничительные диоды элемента U2 обеспечивают восстановление постоянной составляющей.
Рассмотрим полупериод прямоугольных импульсов в состоянии «лог. 1». Оба n-канальных полевых транзистора элементов U1 и U2 включатся, соединяя с шиной V+ вывод конденсатора CP, подключенный к U2, и с землей — вывод, подключенный к U1. CP будет заражаться до уровня V+. Обратите внимание на обратную полярность тока, проходящего через выходной вывод U2, обусловленную тем, что благодаря конденсатору CP уровень напряжения на этом выводе оказывается отрицательным.
Затем рассмотрим, что произойдет, когда управляющий сигнал перейдет в состояние «лог. 0».
P-канальные полевые транзисторы включатся, а n-канальные закроются. Это заставляет заряд, ранее принятый конденсатором CC, стекать в CF через выход и вывод V+ элемента U2, тем самым завершая цикл накачки, который доставляет квант положительного заряда в конденсатор CF. Обратите внимание, что через U2 снова протекает обратный ток. Этот цикл повторится при следующем изменении уровня управляющего сигнала, и так далее, и так далее.
Во время запуска, пока на конденсаторе CF не накопится напряжение, достаточное для нормальной работы внутренних схем логического элемента U2 и управления затворами полевых транзисторов, ограничительные диоды элемента U2 служат для выпрямления сигнала, управляющего конденсатором CP, и начинают заряжать CF до тех пор, пока им на смену не придут полевые транзисторы.

Вот и вся теория. Превращение Рисунка 2 в полноценный удвоитель напряжения показано на Рисунке 3. С вывода 2 триггера Шмитта 74AC14 (U1) на схему поступает частота накачки 100 кГц. Этот сигнал подается на пять оставшихся логических элементов U1 и шесть логических элементов U2 (через разделительный конденсатор C2). Положительный заряд переносится через конденсатор C3 в U2 и накапливается в конденсаторе фильтра C5.
Несмотря на то, что для U2 функция гистерезиса Шмитта на самом деле не нужна, для повышения КПД используется такая же микросхема AC14, обеспечивающая синхронность переноса заряда.
Некоторые характеристики (V+ = 5 В):
- Выходное сопротивление выхода 10 В: 8.5Ом;
- Максимальный непрерывный ток нагрузки: 50 мА;
- КПД при токе нагрузки 50 мА: 92%;
- КПД при токе нагрузки 25 мА: 95%;
- Мощность, потребляемая без нагрузки: 440 мкВт;
- Время запуска: меньше 1 мс.
Что же произойдет, если простого удвоения напряжения V+ окажется недостаточно? Как показано на Рисунке 4, эта схема может быть легко каскадирована для создания эффективного утроителя напряжения. Возможно также расширение до более высоких коэффициентов умножения.






